双单电源音频运算放大器SSM2135
(12页)
应用领域:多媒体音频系统、话筒前置放大器、耳机驱动器、差动线接收器、平衡线驱动器、音频ADC(A/D变换器)输入缓冲器、音频I/V DAC(D/A变换器)及有源滤波器、虚地发生器等。特别适用于便携式数字音频产品。
主要特点:极好的声音特性;高输出驱动能力;低噪声(1kHz时为5.2nV/\(\sqrt{Hz}\));失真小(V\(_{o}\)=2.5Vp-p,1kHz时THD+N为0.001%);3.5MHz增益带宽;单位增益稳定;工作电压4~36V或±2V~±18V;静态工作电流在VS=+5V,VOUT=2.0V时为2.8mA;工作温度范围-40℃~+85℃。增益稳定;工作电压4~36V或±2V~±18V;静态工作电流在V\(_{s}\)=+5V,V\(_{OUT}\)封装形式:8脚SOIC或DIP封装。
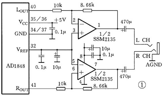
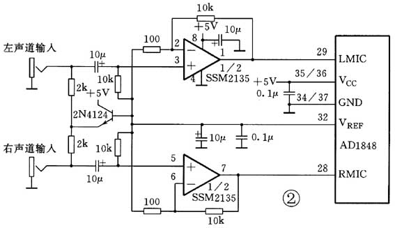
应用电路: 一种立体声耳机驱动器电路如图1所示。图1中的AD1848是多媒体声编解码器。SSM2135双运放分别放大左、右通道信号,输出接32Ω立体声耳机。图2为低噪声话筒前置放大器,其输出接多媒体声编解码器AD1848。


生产厂商:ADI公司(www.analog.com)。@
FM/IF放大器/解调电路TDA1576
(14页)
应用领域:该器件是单片集成电路,用于FM/IF放大器。适用于汽车用或家庭用单声或立体声FM接收器。
主要特点:对称限幅IF放大器;对称90°相移解调器;内部有静噪电路;对称的AFC输出;场强指示输出;失谐检测;基准电压输出;有备用开/关电路;电源电压7.5~20V;工作电流18mA(V\(_{p}\)=15V);总谐波失真(THD):单调谐电路为0.1%;双调谐电路为0.02%;信噪比((S+N)/N):76~80dB。
封装形式:18脚DIP封装。
应用电路:如附图所示。图中C11在单声道时为6.8nF,在立体声时为56pF。

生产厂商:philips Semiconductors (www.semiconductors.com)。@
采用SMBus接口的电池能量管理器bq2040
(31页)
应用领域:对可充电电池(镍镉电池、镍氢电池及锂离子电池)提供精确的能量管理。由它组成的电路尺寸小,可安装在电池组内(尺寸仅为4.5cm2)。
主要特点:该器件使用SMBus协议,支持智能电池数据(SBData)指令,也支持SBData充电控制功能。它在充电时监测充电能量,测量放电电流,并且内部可估算电池自放电。其内部有定时器及温度传感器,用户可编程的比率信息储存在外部的EEPROM中。这样在
放电过程中,它可以反应出电池(或电池组)剩余能量,并且可以用LED显示剩余能量,还可监控电池低电压阈值。
封装形式:16脚狭型SOIC封装。
生产厂商:德州仪器公司(www.ti.com)。@
能驱动立体声耳机及单声道扬声器的音频功率放大器TPA0213
(9页)
应用领域:小型笔记本式计算机、PDA、数字个人音频放音机及用扬声器放单声道、用耳机听立体声的场合(如便携式音频装置)。
主要特点:5V供电、负载4Ω时输出可达2W;3V供电、负载为4Ω时输出可达0.6W;用耳机可输出立体声,用扬声器输出为单声;工作电压范围2.5~5.5V;工作电流低,在5V时为4.2mA,在3V时为3.6mA;有关闭控制;工作温度范围-40℃~+85℃。
封装形式:10脚MSOP封装。
应用电路:典型应用电路见附图。
生产厂商:德州仪器公司(www.ti.com)。@
■电荷泵倍压器加线性稳压器LTC1682系列
(12页)
应用领域:蜂窝电话中的压控振荡器(VCO)电源、寻呼机、无线PCMCIA卡、便携式医疗仪器、低功耗数据采集系统、遥控发射器等。
主要特点:输出噪声低(60μVrms);有5.0V、3.3V固定输出,也有2.5~5.5V输出可调的;输入电压范围宽(1.8V~4.4V);工作频率550kHz,外接小尺寸陶瓷电容;输出电流可达50mA;工作电流低,典型值为150μA;有关闭控制,在关闭状态时耗电仅1μA;有过热关闭及电流限制保护,工作温度范围有0~70℃及-40℃~85℃的品种。
封装形式:8脚MSOP或SO封装。
应用电路:一种用于给VCO供电电路如附图所示。V\(_{IN}\)为2.5~4.4V,输出电压由分压器电阻确定(按图36kΩ及15kΩ时,输出为4.2V),在4.2V输入时VCO输出频率为902MHz。
生产厂商:美国LINEAR公司(www.linear.com)。@
小尺寸集成高端开关MIC2514
(5页)
应用领域:可以作为一个功率开关应用于任何低压领域(工作电压范围为3.3~13.5V)。
主要特点:输入电压范围宽,从3.3V到13.5V,输出驱动电流大于400mA(连续电流),具有慢启动特性,可防止启动时的冲击电流(负载中有较大的电容);内部有电流限制电路,最大限制电流约1.9A,无需任何外围元件;内部作为开关的功率MOSFET导通电阻小(5V时为1.5Ω,12V时为0.95Ω);工作在5V时,其工作电流典型值为25μA;工作在5V时,其关断开关后典型工作电流仅1μA;内部有过热关闭保护;工作温度范围-40℃~+85℃。
封装形式:5脚SOT-23。
应用电路:典型应用电路见附图。
生产厂商:美国MICREL公司(www.micrel.com)。@
导通电阻1Ω的模拟电子开关MAX4624
(10页)
应用领域:电源开关、电池供电设备、音频及视频信号开关、通信电路、PCMCIA卡、蜂窝电话、调制解调器等。
主要特点:开关导通电阻(R\(_{ON}\))低,在5V电压工作时,最大值为1Ω,在3V电压工作时,最大值为2Ω;在5V供电时,导通电阻平坦度为0.12Ω;有过流保护;单电源1.8~5.5V工作电压;开关速度高,t\(_{ON}\)=50ns(最大值)、t\(_{OFF}\)=50ns(最大值);TTL逻辑兼容(5V工作电压);单刀双掷结构,先断后通;在导通时连续工作电流可达±200mA。
封装形式:6脚SOT23-6,如附图所示。

生产厂商:美国MAXIM公司(www.maxim-ic.com)。
本栏目欢迎投稿!
欢迎提供新器件线索!
欢迎索取英文资料!
联系电话:010-67134095-18