《无线电》2000年第9期介绍的《能防止误报的高可靠性报警系统》,巧妙地采用了廉价的压电陶瓷片作振动传感器,但在信号处理中却应用了价格较贵的单片机。为此,本文介绍的两种振动传感电路,在信号的处理上采用了价格仅一元多的廉价运放LM324,由于传感头设计合理,同样可使抗干扰能力得到很大提高。
图1的电路仍采用了压电陶瓷片作为冲击力传感器,不同之处是将钢球通过弹簧直接固定在压电片的基板上,受到冲击后,钢球的惯性力使弹簧发生形变从而在压电片上产生很强的机械振动,这样可使压电片更加直接地采集振动信号。对于非接触的声波信号,可将后级放大电路的放大值适当减小,以抑制声波的干扰,从而有效地提高了可靠性。

电路的工作原理是,压电片将接收到的机械能转换成电信号通过A1、A2进行放大,A3进行比较,若A2输出的信号幅度大于A3的参考值,A3输出高电平,驱动后级报警电路工作。为提高电路的稳定性,设有反馈电路,反馈信号通过1N4148送入电压比较器A3的参考端,用以防止报警电路所控制的器件(如电磁继电器、交流电铃)在切换时造成的干扰。
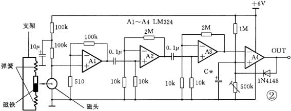
图2的电路是根据台式验钞机的磁迹检测电路改制而成。磁头上方的小磁体在小弹簧的牵引下悬空,当受到冲击力后磁体与磁头相对运动产生微弱的交流信号经A1~A3三级放大后送入A4进行比较。由于电路采用磁感应检测方式,可基本消除声波的干扰,只要对电路适当地进行屏蔽处理,就可防止外界磁场的干扰。

以上两种电路皆有抗干扰能力强、电路简单、价格低廉等特点。用于机动车防盗系统,经长时间在复杂环境中使用,收到了很好的效果。
(杨勇)