TL431是一种性能优良的经典并联式三端可调稳压器件,其有源输出电路具有非常好的导通特性,使其成为诸多专业电路的首选。该器件多应用于片内稳压、仪器仪表、可调电源及开关电源中,是稳压二极管的良好替代品。其主要特点如下:● 可调输出电压:2.5~36V● 典型输出阻抗:0.2Ω● 吸收电流能力:1~100mA● 全范围温度系数:30ppm/℃● 多种封装形式:小型〈D〉、TO-226AA〈LP〉、SOT-89〈PK〉、JSSOP〈PW〉。图1为LP封装外形图及引脚排列。

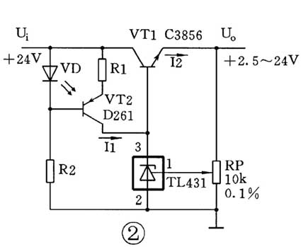
下面介绍几种电路简单但性能十分优越的TL431应用电路:1. 大功率串联型稳压电源W-2A(图2)

这是一款仅用7只元件组成的大功率串联可调稳压模块。最大稳压电流10A,输出电压调节范围为2.5~36V。图2中VD为发光二极管,在电路中作为稳压二极管使用,使VT2的V\(_{BE}\)恒定在某值,从而使流过VT2集电极的电流I\(_{1}\)恒定,保证了输入电压变化时TL431不至于因阴极电流过大而被损坏。输出电压经RP分压后为TL431提供基准电压,当输出电压变化时,TL431的基准电压V\(_{ref}\)随之变化。当输出电压上升时,TL431阴极电压随V\(_{ref}\)上升而下降,即VT1基极电压下降,从而使I\(_{2}\)下降,输出电压随之下降。反之亦然。2. 精密限流器(图3)

电路中R2为TL431提供基准电压V\(_{ref}\),并随输出电流I\(_{o}\)变化,从而控制VT的放大倍数β,保证输出电流恒定。R1为TL431阴极提供不小于1mA的电流。输出电流I\(_{o}\)=V\(_{ref}\)/R2+I\(_{KA}\)R1=U\(_{i}\)/(I\(_{o}\)/h\(_{FE}\)+I\(_{KA}\))3. 精密恒流吸收电路(图4)

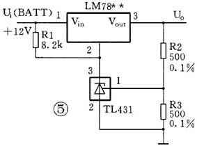
电路中的元件功能与限流器电路基本相同,在此不再赘述。VT集电极电流应三倍于恒流值,R2的取值应满足为TL431阴极提供不小于1mA的阴极电流。VT若采用大电流达林顿管,恒流源电流可达10A以上。吸收电流I\(_{1}\)=V\(_{ref}\)/R14. 将78系列稳压器改为可调稳压器(图5)

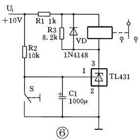
78系列三端稳压器在使用中有着许多极其优越的特性,但由于其输出电压不可调而有许多不便,图5所示电路有效解决了这一问题。电路中R1为TL431提供阴极电流,R2和R3为TL431提供基准电压。5. 延时定时器(图6)

电路中R2为TL431提供基准电压,R1为继电器和TL431提供所需电流,R3为TL431提供不小于1mA的阴极电流,C1为延时电容,它和R2一起决定了定时器的延迟时间。S为定时开关。有关TL431的详细技术参数及应用资料,可在www.ti.com网址检索并下载。相关供货信息见本期广告页2001-5-3郑州东明电子商行广告。
(刘海峰)