摄像机伺服系统包括磁鼓伺服和主导轴伺服两部分,而磁鼓伺服和主导轴伺服又都具备速度伺服和相位伺服环路。速度伺服环路的作用在于对电机旋转速度进行粗调,使得电机旋转速度接近所需求的转速,而相位伺服则是在速度控制的基础上对电机旋转速度进行细调,使得电机旋转速度保持稳定。
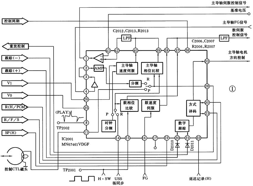
松下NV-M8000摄像机伺服系统主要由主伺服集成块IC2001(MN67461VDGF)、鼓电机驱动集成块IC2006(TA8402F)、主导轴电机驱动集成块IC2005(BA6430S)和磁头开关脉冲发生器IC2002(AN3798S)等电路组成的。主伺服集成块IC2001(MN67461VDGF)是一只扁平44脚塑封集成块,其内部主要功能为鼓相位伺服、鼓速度伺服、主导轴相位伺服、主导轴速度伺服、工作方式译码器以及数字跟踪电路等组成,如图1所示。

IC2001内部录/放工作状态受系统控制微处理器IC6001控制,IC6001输出的录/放控制指令信号加到IC2001,其控制信号电平为:记录(REC)高电平(H);重放(P·B)中电平(M),此控制信号进入内部方式译码器电路,经译码识别后去控制内部录/放开关。
不论是记录状态还是重放状态,鼓伺服和主导轴伺服都是由相位比较器和速度比较器输出的误差信号,经脉宽调制后通过低通滤波器送到电机转矩控制电路控制电机转速,而相位和速度比较器输出的误差信号是利用基准信号和检测信号比较产生的,在记录或重放状态下,鼓伺服和主导轴伺服相位比较、速度比较输入的基准信号和比较信号是不同的,具体区别如表1所示。

一、 磁头开关(H·SW)脉冲产生电路
磁头开关(H·SW)脉冲产生电路如图2所示。接通电源开关,将摄像机处于重放或记录状态,鼓电机转动,安装在鼓电机内部的FG磁头和PG磁头产生鼓速度和鼓相位脉冲信号分别经接插件P2001⑧脚和脚送到IC2002⑩脚和。PG脉冲信号由IC2002输入,经放大后由输出,通过C2043耦合从进入内部单稳电路,外接微调电阻VR2001用来调节PG脉冲相位。FG、PG脉冲信号经单稳电路后送到磁头开关脉冲发生器电路,再经信号处理后产生出不同脉宽的时序脉冲信号分别从IC2002~输出,然后分别送到磁头放大器和主伺服电路。
二、 鼓伺服环路
鼓伺服由鼓速度控制和鼓相位控制两部分电路组成,记录状态磁头开关脉冲发生器IC2002输出FG信号送到IC2001,然后进入内部鼓速度伺服电路,比较后产生数字误差信号,经脉宽调制后从IC2001输出,再经R2007、C2007低通滤波后转换成直流误差控制电压输出。磁头开关脉冲发生器IC2002输出磁头开关H·SW脉冲信号送到IC2001,然后送到鼓相位比较电路,鼓相位比较基准信号取自记录时被录视频信号中的场同步脉冲信号,此信号由亮度/色度信号处理电路IC3001②脚输出送到IC2001,经钳位放大后送到鼓相位比较电路,比较后产生的数字误差信号经脉宽调制后从IC2001输出,再经R2006、C2006低通滤波后转换成直流控制电压输出,再与速度控制直流电压混合,然后送到鼓电机驱动集成块IC2006⑦脚内部电机转矩控制电路。重放状态鼓相位比较是利用4.43MHz信号分频作为基准信号。
三、 主导轴伺服环路
主导轴伺服环路也是由速度控制和相位控制两部分电路组成的,记录状态主导轴电机测速磁头输出FG信号,经接插件P2002①脚→C2015→R2018送到IC2001④脚,经放大后从③脚输出,又从②脚进入内部,通过分频器后分别送到速度伺服和相位比较电路,经速度比较后产生数字误差信号送到脉宽调制电路,再经R2013、C2013、C2012低通滤波后转换成直流误差控制电压输出。主导轴相位伺服基准信号来自IC2001输入的场同步脉冲信号,比较信号取自FG分频信号。
重放状态基准信号来自4.43MHz分频信号,比较信号取自CTL磁头重放信号,比较后产生误差信号经脉宽调制后从输出,与输出的相位直流误差控制电压混合送到IC2001内部直流放大器,放大后的信号从①脚输出,然后送到IC2005内部控制主导轴电机转矩。
在重放状态下,主导轴相位伺服还受系统控制微处理器IC6001(TRDOWN)、(TR UP)跟踪信号控制,IC6001、脚输出跟踪控制信号送到IC2001,然后进入内部去调整数字跟踪单稳态延迟时间对主导轴电机速度进行微调,使得视频磁头拾取磁带上的信号相位与记录时一致。在快进或倒带状态时,主导轴伺服环路不工作。
四、 鼓电机驱动电路
NV-M8000摄像机鼓电机采用DD方式驱动,其内部定子由3个绕组线圈M1、M2和M3采用三相星形方式连接,3个绕组线圈相互间成120°排列,每个绕组线圈分为两个极,3个绕组共有6个极,转子采用环形磁铁,环形磁铁上分布8个磁极,定子上装有3个霍尔器件,用来检测转子旋转位置,同时鼓电机内部还安装FG和PG磁头,用来检测鼓电机旋转频率和旋转相位。鼓电机驱动电路如图3所示。
接通电源开关,将摄像机置于重放或记录状态,开关电源输出CYL POWER 5V电压加到鼓驱动时序控制开关管Q2001、Q2002、Q2003集电极,在时序脉冲信号的控制下,Q2001、Q2002、Q2003轮流导通为鼓电机提供驱动电压。SW 5V电压加到IC2006⑨脚为鼓驱动集成块提供工作电压。系统控制微处理器IC6001输出高电平鼓驱动信号指令送到IC2006使鼓电机转动,IC2006⑩脚输出3.1V电压,此电压经接插件P2001进入鼓电机内部为霍尔器件提供工作电压,3只霍尔器件分别输出HA+-+-、HC+、HC-位置检测脉冲信号,经接插件P2001⑩、⑤、⑥、③和④脚分别送到IC2006,然后进入内部位置信号处理电路,经位置信号处理后输出时序开关脉冲信号送到差分放大电路,同时鼓驱动时,鼓电机内部FG、PG磁头检测鼓速度和相位脉冲信号,经IC2001内部鼓速度和鼓相位比较后产生直流误差信号送到IC2006⑦脚,经转矩控制后送往差分放大电路,通过差分放大后输出的时序脉冲控制信号分别由IC2006输出,然后分别送到鼓驱动时序控制管Q2003、Q2002和Q2001基极,在时序脉冲信号控制下,Q2001、Q2002、Q2003轮流导通为电机提供驱动电压。时序脉冲控制信号同时还送到鼓电机驱动电路3只驱动管基极,3只驱动管在时序脉冲控制下轮流导通,然后分别由IC2006①、③、④脚输出鼓电机驱动电压,经接插件P2001①、②、送到鼓电机内部3个绕组线圈M3、M1、M2使得鼓电机转动。鼓电机转动后,定子3个绕组线圈电流均通过直流反馈电阻R2045、R2046、R2047到地,当流过3个绕组线圈电流不相等时,就会引起鼓电机旋转不均匀,由IC2006⑦脚输入的反馈电流送到转矩控制电路,使流经每一绕组线圈的电流相等,保证电机旋转速度稳定。
五、 主导轴电机驱动电路
主导轴电机驱动原理与鼓电机基本相同,但其工作方式不同,鼓电机只往一个方向旋转, 而且旋转速度相同。主导轴电机则不同,主导轴电机除了录/放旋转外,还要担负卷带、倒带、正向搜索和反向搜索旋转,因此主导轴电机有旋转方向控制,在重放、搜索、卷带、倒带状态时主导轴电机旋转速度不同,转矩控制也不同,图4是主导轴电机驱动电路。
主导轴电机旋转速度和方向受系统控制微处理器IC6001控制,IC6001输出REV/FWD/STOP方向控制信号加到IC2001,经内部方式译码识别后由输出送到IC2005
,然后进入内部方向控制电路,其控制电平为:反转(REV)为高电平(H);正转(FWD)为低电平(L);停止(STOP)为中电平(M)。系统控制微处理器IC6001VO、V1输出二进制数字控制信号加到IC2001,然后进入内部方式译码电路,其控制信号电平为:VO(L)、V1(L)为静像状态;VO(L)、V1(H)为卸载状态;VO(H)、V1(L)为正常录/放状态;VO(H)、V1(H)为快进/倒带状态。接通电源开关,由开关电源电路送来CAP12V电压加到IC2005为主导轴电机驱动电路提供工作电压。CAP5V电压加到IC2005,经内部稳压电路后从输出VH电压为主导轴电机内部霍尔器件提供工作电压。主导轴电机旋转时,其内部FG磁头检测电机旋转频率产生FG脉冲信号送到IC2001④脚,经放大后从③脚输出,又从②脚进入内部放大,通过分频电路后送到主导轴速度比较和相位比较电路后产生误差信号,经脉宽调制后从IC2001输出,再经低通滤波后混合输出直流误差控制信号送到IC2005转矩控制电路。在主导轴电机旋转的同时,霍尔器件检测信号经接插件P2002分别加到IC2005⑤~⑩脚,经内部位置信号处理后输出时序脉冲控制电压,再经差动放大电路后送到电机能驱动电路3只驱动管基极,在时序脉冲信号控制下,3只驱动管轮流导通,然后分别从IC2005①、③、输出主导轴电机驱动电压,通过接插件P2002⑧、④脚送到主导轴电机M2、M3、M1三个绕组线圈产生旋转磁场,从而驱动环形磁铁转动。
(黄福森)(未完待续)