低温的测量常采用具有玻璃外壳的酒精温度计和水银温度计,这类温度计具有价格低廉、性能稳定、直观性强的优点,但也具有易破碎且只能在现场观察的缺点,水银温度计还易造成污染而有害健康。目前,应用最为广泛的是温度敏感元件和二次仪表的组合,既可用于远传显示,也可进行调节控制,还可做到自动记录。常用的温度敏感元件有热电偶、热电阻、二极管、IC温度传感器等。本文介绍的数显温度计是以半导体二极管作为温度传感器的数字显示温度计,其测温范围为-50~+150℃,测温精度达0.1℃。
一、 测温探头工作原理
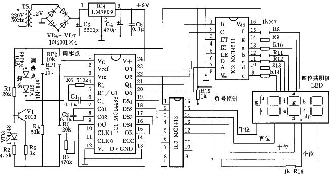
在附图所示电路中,电阻R1~R3、二极管VD1~VD3、三极管V1构成温度传感器电路。其中,VD1、VD2串接作为测温探头;R1~R3、VD3、V1构成恒流源电路,给测温探头提供恒定的正向电流。
大家知道,半导体二极管的正向压降决定于正向电流的大小和温度,当正向电流一定时,正向压降随温度的升高而下降。对于普通的硅二极管1N4148而言,具有约-2.1mV/℃的温度系数,当两个1N4148串接时,总的正向压降与温度的关系约为-4.2mV/℃。理论和实践都已证明,在-50~+150℃的范围内,二极管的测温精度可达±0.1℃,与其他温度传感器比较,二极管温度传感器具有灵敏度高、线性好、简便的特点,而且当二极管的正向电流和温度一定的情况下,其正向压降是非常稳定的。
通过计算可以知道,恒流源提供给VD1、VD2的恒定电流约为0.5mA。二极管VD3起温度补偿作用,保证恒流源能提供稳定的电流。
二、 测量显示原理
测量探头把待测温度转换为相应大小的电压后,因为要实现温度的数字显示,就必须有模拟/数字转换装置。在附图中,IC1、IC2、IC3及其周围元件构成A/D转换、数字显示电路,这一部分电路以美国Motorola公司生产的A/D转换器MC14433为核心。
MC14433是单片CMOS312位双积分型A/D转换器,该A/D转换器转换精度高,达±0.05%±1字;转换速率为2~25次/秒;输入阻抗大于1000MΩ;外围元件少,电路结构简单;量程为1.999V和199.9mV两挡;输出8421BCD代码,经译码后实现LED动态扫描显示。MC14433的第②脚为外接基准电压V\(_{ref}\)输入端;第③脚为被测电压V\(_{in}\)输入端;第①脚为模拟地,此端为高阻输入端,是被测电压和基准电压的地;第为过量程输出标志端OR,平时OR为高电平,当|V\(_{in}\)|>V\(_{ref}\)即超过量程时,OR为低电平。被测电压V\(_{in}\)与基准电压V\(_{ref}\)成下列比例关系(当小数点定位于四个LED数码管的十位数时):
输出读数=\(\frac{V}{_{in}}\)V\(_{ref}\)×199.9
在附图中,IC2(译码器MC14511)把IC1(MC14433)输出的BCD码译成十进制数显示,因为MC14433以扫描方式输出数据,所以只需要用一个译码器就能驱动四只共阴极LED数码管,其中千位数的数码管(最左边一个LED数码管)只接b、c两段。四只LED数码管的公共阴极分别由IC3(MC1413)中的四个达林顿复合晶体管驱动。负号由千位数的LED数码管之“g段”来显示,显示负号的“g段”由MC14433的Q2控制,当输入负电压时(对应温度为0℃以下),Q2=“0”,显示负号的“g段”通过R15点亮;当输入正电压时(对应温度为0℃以上),Q2=“1”,使MC1413的另一个达林顿复合晶体管把流过R15的电流旁路到地,使显示负号的“g段”熄灭。

小数点固定在十位数的LED数码管,通过R16给小数点“dp”提供电流,使小数点“dp”点亮。
在附图中,设置电位器RP1和RP2,其中RP1用于调节沸点(100℃);RP2用于调节冰点(0℃)。
整个电路的直流电源由IC4(LM7809)提供,直流电源电压为+9V。
三、 元器件选择
IC1为MC14433,可直接代换的有TSC14433、TC14433、5G14433等。IC2为七段译码/驱动CMOS数字逻辑电路,可选用MC14511、HD14511、CD4511等。IC3为七路达林顿复合晶体管,可选用MC1413、5G1413、ULN2003等。其他元器件按图示进行选择即可。
四、 制作
电路很简单,便于在业余条件下制作。因为MC14433和MC14511是CMOS集成电路,且最多只有24个引脚,所以宜使用IC插座。先焊接好IC插座和其他元器件后,再将MC14433、MC14511、FMC1413插入到相应的IC插座上即可。
五、 调试方法
焊接、安装好电路后,该数显温度计需要经过调试方可正常使用。调试前,先准备好0℃的冰水和100℃的沸水各1000ml。调试步骤如下:
(1) 将RP1调到最上端,使V\(_{ref}\)为最高电压,把二极管测温探头置于0℃的冰水中,调节RP2,使四只LED数码管显示的读数为“00.0”。
(2) 将二极管测温探头置于100℃的沸水中,调节RP1,使得四只LED数码管显示的读数为“100.0”,且IC1(MC14433)的第OR为高电平。
经上述调试后,该数显温度计就可以正常工作了,其测温范围是-50~+150℃。该数显温度计的测温范围仅受二极管测温探头的限制,若改用其他的温度传感器,则无需变动附图所示电路的其他部分,就可获得不同测温范围的数显温度计。