笔者应某公司之邀,为其生产的9V积层电池设计了一种快速高效的测试仪器。该公司的电池主要为外销,对其指标要求甚高。主要设计要求为:放电电流(瞬时)在700mA以上,最好为500~800mA可调级;测试时(约0.5秒)电池的端电压须保持在9.3~10.5V范围,否则即判定为电池不合格。经笔者努力,试制成功了这款低成本、高性能的测试器,可供有关电池厂家参考。
电路原理
电原理图见图1。双运放A1、A2组成一个“窗口”式比较器,其上限由RP2提供10V参考电压,下限由RP1提供8.8V参考电压。由于被测电池经VD1后加到比较电路的输入端,故实际测试的电压要增加0.5V,即测试范围为9.3~10.5V。当被测电池电压在9.3~10.5V之间时,A1、A2均输出低电平,VT3导通,蜂鸣器BZ1、BZ2发声作合格指示。若被测电池电压小于9.3V或大于10.5V,A2或A1输出高电平,VT3即截止,蜂鸣器不发声,表示电池不合格。

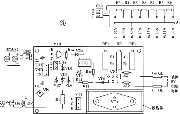
波段开关S1及可调电阻RP1、R2~R10和VT1、VT2、R1等共同组成有源负载,模拟一个大功率可调电阻,使在测试时(约0.5秒),可通过S1选择产生出0.50~1.0。A(分8挡可调)的放电电流,用来检验电池的大电流放电特性。一般来说,电池大电流放电特性好,则内阻很低,其容量也较高。这种采用有源负载的设计方法,可省去许多大功率的放电电阻,便于制作时缩小体积,降低购买元件的难度。
元件选择
电阻R1选用3W的金属氧化膜或碳膜电阻。RP1~RP3为精密多圈式微调电阻。S1为小型的1×8旋转式波段开关。BZ1、BZ2为5~24V直流蜂鸣器。T1可使用5VA的小型工频变压器。IC1选用进口的双运放电路,如JRC4558或NE5532等。其它元件均无特殊要求。
安装、调试与应用
除波段开关S1及电阻R3~R9、蜂鸣器BZ1、BZ2、变压器T1外的所有元件均安装于图2所示印板上,图3为元件安装图。其中IC1最好使用插座,便于维修时更换集成块。电阻R3~R9可直接焊在S1的引脚上。


安装无误,即可通电调试。通电后测IC2的输出端,应为稳定的12V。随后调RP2、RP3,使其滑动端电压分别为10V、8.8V。将一0~24V/1A的稳压电源接入本测试器的红、黑表棒,S1置0.50A挡,调整稳压电源为9.3V,再微调RP3使蜂鸣器刚好发声;调整稳压电源为10.6V,再微调RP2使蜂鸣器刚好停止发声。随即用快干胶将RP2、RP3封固。接下来调整放电电流,将数字万用表直流10A挡串入直流稳压电源的输出回路中(如稳压电源本身有电流指示更好),调RP1使之指示为0.5A。一般情况下,0.5A挡调准了,其它各挡也就基本准确了,不用一一详细校准。随即也用快干胶将RP1封固。
整机装入一塑盒或木盒内,图4为笔者制作的样机外型示意,S1装在前面板上,后面板安装两只蜂鸣器,侧板上开有散热孔。使用时,用S1设定检测时的放电电流,用表笔测试9V电池,蜂鸣器有“的——”声响,表示电池合格,否则电池为不合格。
