编者按:
无绳电话作为一种新家电已进入千家万户,但随之带来的维护修理工作,因其技术难度已非一般家电维修人员所能胜任,即使是电信部门的电话维修人员也对无绳电话望而却步,除非经过专门培训。为此,我们特别组织了“无绳电话修理”系列文章,以使有志于无绳电话维修者在业余条件下较快掌握修理技术。
无绳电话由主机(座机)和副机(手机)两部分组成。主机大多由交流市电供电,一部分主机也备有应急电池供电;手机则由镍镉电池或镍氢电池供电。主机通过电话外线与市话网相连,手机与主机之间由48/45MHz调频波段进行双工通信,即同一根天线既作为发射天线又作为接收天线,手机发射48MHz调频波到主机,主机同时发射45MHz调频波到手机,两者同时发射与接收而互不干扰(通信频道划分情况见《无线电》2000年合订本附录中《无绳电话的晶体配置》一文所介绍)。针对既具有音频话音通信又具有高频发射接收的无绳电话,在打开机盖准备进行修理前,应做好两方面的准备工作:一是技术理论的准备,二是修理硬件(即仪表工具)的准备。
一、 技术理论准备
一般修理工作不同于设计工作,不一定非要具备高深的通信电子学理论知识,只需具有一定的收录音机修理知识,再增加一些通信专用集成电路和CMOS数字集成电路方面的常识即可进行修理工作的学习和实践。可以先学习后动手,也可以边学边动手,在修理中带着问题学,不断丰富自己的理论知识和实践经验。
在修理无绳电话前可以先熟悉一下普通电话的工作原理。普通电话是利用市话线路提供的48V直流电进行工作的,同时对载于直流电平上的模拟音频信号进行放大变换,可同时送话和受话,还可利用双音频拨号信息进行拨号,其中一部分功能也是无绳电话所必需具备的,如键盘发号电路,除某些较为先进的无绳电话机型已在微处理器中集成以外,大部分还使用着与有线电话通用的拨号电路,特别是主机免提通话部分。通信电路中最常用的IC有调频中放电路MC3361、免提电路MC34118、功放电路LM386和MC34119、运放电路LM324和LM358等;CMOS数字电路在无绳电话中担任放大、信号变换、逻辑切换等工作,最常见的是CD4069、CD4001、CD4011、CD4066、CD40106等集成电路,这些电路的功能在后续文章中将作详细介绍。
二、 仪表工具的准备
无绳电话所传输的信号除音频模拟信号外主要是调频高频信号,专业修理时需要用示波器、变频信号发生器、频率计等昂贵的仪器,本文主要介绍在业余条件下利用常规仪表及部分自制简易仪器进行修理工作,除了使用万用表和电烙铁等通用工具外,再介绍电话测试仪及场强计两种必备的自制仪器。
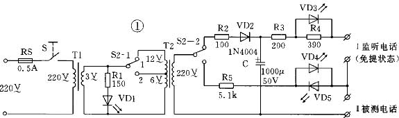
无论是修理普通电话还是无绳电话都需要对电话进行检测,判断电话机能否正常工作,如电话机的断路、短路检测,振铃信号到来时能否产生振铃声,能否正常拨号,送话和受话是否都能听到等。一台市售电话测试仪售价至少二百多元,自制既能节省开支又能增进对电话机工作的了解,自制测试仪在诸多报刊上已有介绍,这里再介绍一种较简单的电路,如图1所示。
由于市话线路平时采用48V直流电供电,短路电流约为40mA;而铃流来时为25Hz/90V的交流信号。为取得这两种电源,可以专门绕制变压器,将220V交流市电降为90V和35V两种电压,将90V挡50Hz交流电作为振铃信号,将35V交流电整流滤波为48V直流电提供电话正常工作所需电源。如无能力专门绕制,则可采用图1所示的电路,这里选用比较容易从市场上购得的两只变压器T1和T2,T1为220V降压为3V,T2为220V降压为有中心抽头的12V的降压变压器,T1的3V交流输出经双刀双掷开关S2-1的“1”接点与T2的次级12V相连,经T2升压为50V左右的交流电压,此交流电压经VD2整流、C滤波后得到高压直流电,由限流电阻R3、R4向电话机供电,供电电流受T1的输出功率及T1、T2内阻限制,不会太大,如电压达不到要求,可适当增大T1的输出电压。使用时将被测电话(或无绳电话主机)接在接线柱Ⅱ上,而在接线柱I上接一台处于免提开启状态的普通电话,作为监听电话机。当摘下被测电话手柄或接通无绳电话主机,对被测电话或无绳电话送话时,可在监听电话机中听到声音,送出的双音频拨号声也能听到,反之对监听电话送话时也能在被测电话受话器中听到。当被测电话处于挂机状态时,将S2倒向“2”位置,则T2送出近90V交流信号,经R5限流送到被测电话,可从被测电话或无绳电话主机与手机中听到振铃声。指示灯有3种:VD1为电源指示,VD3为通话指示,VD4、VD5为振铃信号输出指示,若S2位于“2”位置而VD4、VD5不发光,说明被测电话机断路;发光而无振铃声,说明电话机的振铃电路损坏或短路。根据同样的原理可以设计出各种测试电路。
无绳电话手机和主机在工作时,天线都有无线电波发射,仅用万用表是测不出无线电波的,这里介绍两种场强计供修理者自制。图2为无源场强计,L、C1构成谐振回路,当天线收到无线电波时,谐振电压经检波二极管VD检出脉动直流电后再经C2滤波,由微安表M指示出信号强度。自制时L用1mm漆包线绕10圈,空心直径15mm,C1为5/20pF微调瓷介电容,VD必须用点接触型锗管(如2AP9或调频检波管)。微安表M为50~200μA灵敏电流计,亦可用万用表的微安挡代用。测试时将无绳电话手机或主机天线靠近场强计天线(10cm左右即可),在工作状态时微调C1使微安表M指示最大即可。
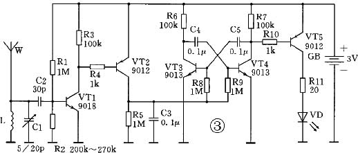
另一种场强计是使用电源的,其工作原理可参见《无线电》2000年第9期《手机感应器》一文,有改动之处为谐振线圈与电容,见图3中L、C1,与图2的数据相同,5只三极管的型号可按图3配置,VT1为超高频三极管9018等,VT2、VT5为PNP型的9012,VT3、VT4为9013或9014等,由于静态电流极小可不设开关。
电路工作点只有R2是可调的,可从200~270kΩ之间选用,R2偏大则发光二极管VD的闪光灵敏度增加,偏小则不灵敏甚至不闪光。使用时只需将无绳电话天线靠近场强计天线,如有无线电波发射,由VT3、VT4组成的多谐振荡器将推动VT5使发光二极管VD闪闪发光,如将音乐集成电路(如贺年卡中的音乐IC)接在VD处,则可听到音乐声。

