彩电开关电源难启动也是常见故障,特别是老式彩电更为多见。笔者对两例难启动故障进行剖析,以飨读者。
[例1] 一台金星C543型彩电,在“冷机”状态(关机2小时以上)一次启动不成,当频繁按动电源开关10次以上时,电视机才能启动起来,收看节目正常。电视机在“热机”时(关机后立即开机),启动自如。

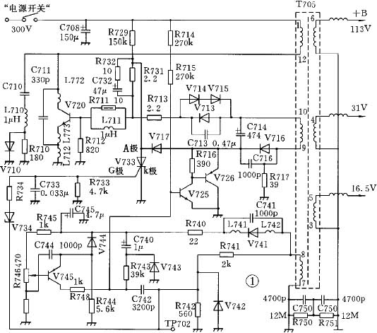
金星C543型彩电开关电源电路如图1所示。当电源开关闭合时,+300V通过R729、R731、R711//L711加至V720(开关管)的基极,V720导通;+300V通过T705①端、、L772、V720 c、e极到地,产生大电流。同时,V725、V726组成的达林顿管在R714、R715的偏置下导通,C714被T705⑩、⑨两端产生的感应电动势充电,产电回路为T705⑩端到C714正极板、 负极板、V726 e、c极、R717,回到T705的⑨端。同时T705的⑧、⑦两端产生的感应电动势一路加至V733的控制极G,另一路加至V745的基极,促使V745截止,相应地提高了V725的基极电位,使V725进一步导通,确保C714的充电量。当T705的⑧端电位达到一定高度时,V733导通,引起V720基极电位迅速下跌而截止,C732放电使V720基极电位进一步下降更加截止。经过一段时间,T705⑧、⑦两端的感应电动势已维持不住可控硅V733的G极控制电压,而使V733截止;同时也维持不住V745的基极高电位,使V745导通,V745的c极电位下跌,从而使V725的基极电位下降,V725、V726复合管截止,V720重新进入饱和导通阶段。这样循环往复,使次级得到所需的电压。
根据故障现象,估计没有晶体管开短路、电容击穿短路问题,通过测量,确实也不存在上述问题,那么这种故障就是元件变质所致。最容易变质的元件就是电解电容,多为干涸引起容量下降,而晶体管变质的概率极小。根据以上分析,先用一只同型号的2SD1555代换行输出管,结果故障仍然存在。接着用一只22μF/50V的电容并在C714(47μF/50V)上,电视机立即恢复正常工作,+B电压也由50V迅速上升到115V。焊下变质的C714测量,结果只有25μF,换上一只新的47μF/50V电容,问题解决。通过以上实例,充分验证了C714是保证开关电源下次导通的关键元件,工作负荷大,易变质而引起此类故障。
[例2] 一台泰山TS54C8彩电,当合上电源开关时,电视无任何反应,10秒钟后,从机内冒出一股白烟。当频繁地按动电源开关数十次时,电视突然启动起来,收看节目正常。当关机后立即打开电源时,又是难启动。

泰山TS54C8开关电源电路图如图2所示。当电源开关闭合时,+310V电压一路通过R514、R515、V503的发射结、R510到公共端C线,使V503饱和导通;+310V电压另一路通过T501的⑦、①端,V503的c、e极、R510到公共端C线,在此支路产生很大的电流,此电流在T501的其它4组线圈中产生感应电压,感应电流的流向是流出同名端(每组线圈的小数字序号,见图2),在T501⑨端流出的感应电流加速了V503的饱和导通。在T501流出的感应电流通过VD502、C501回到T501的,C501被充电;当此电压达到一定程度,导致V501的基极电位高于发射极电位(8.2V)0.5V以上,V.501导通,从而使V502的基极电位下跌至9.1V(D503的耐压值),使V502、V504组成的达林顿管导通,+310V电压通过R514、R515、T501⑨、⑩端、VD504、R512//R513、V504的c、e极到C线;同时在T501⑨、⑩两端产生⑩正⑨负的感应电压,它通过VD504、C506流回T501的⑨端,给C506充电,此充电过程使V503的基极电位进一步降低,V503进一步截止,而V502、V504组成的复合管进一步饱和导通。随着C501、C506正极板电位的不断下降,当维持不住V502、V504复合管的导通状态时,V503随基极电位的升高进入下次导通。这样循环往复,直到电视机关机为止。
当按下电源开关约10秒钟后,电视机内马上冒出一股白烟,立即切断电源,发现C519、C518两个电解电容外皮开裂,两极间胶垫外出。用三用表并接在C519、C518的两端,再闭合电源开关,表头指示C519两端250V(正常110V)、C518两端65V(正常25V),且电压很稳定,同时C519、C518冒烟。当频繁地按动电源开关时,+B电压开始回落,每开、关一次,+B电压下降7~8V,当不停地按动电源开关十几次时,+B电压降至140V,此刻电视机启动起来,+B电压迅速降至110V。在电视机正常时,测量晶体管V503、V501、V502、V504、VD501、D503各极电压均正常,此时把故障原因压缩到电容上,尤其是电解电容。在开关电源导通与截止两状态转换中,C506起关键作用,若其容量下降太多,会造成导通与截止不匹配,使输出电压不正常。当用一只22μF/50V的电容并联C506(47μF/50V),+B输出立即恢复至110V。当用4.7μF/50V电容并联C501(10μF/50V)时,不能消除故障,所以故障原因就是因C506引起的,焊下C506测量,结果容量只有25μF左右。
现在许多家用电器采用了开关电源,以上分析可能对其有参考作用。