二、 超重低音电路的原理与应用
电视机伴音的明显不足表现在低音的再现上,这是因为在电视机内部有限的体积和形状的空间内、重放高、中音不算很难,但由于不可能使用大口径的超重低音扬声器,而重放低声频的难度就很大。没有低声就无法再现如炮声、脚步声、锣鼓声和火车轰鸣声等特殊的声音,就没有声音的气势、力度和节奏。因此,电视机的设计人员将改善伴音音质的重点放在改善低音重放上。从目前技术发展的现状看,在电视机上为重现超重低音效果的方法大致有3种:一是通过超重低音电路进行改进以达到小口径扬声器能够重放超低音效果。即将L、R音频信号进行放大和滤波,再将低音进行提升处理,送到超低音控制电路、控制低音的输出。二是扬声器系统的音响化,常用的方法有设置所谓的多梦(DOME)、火箭炮(BAZOOKA)、重力号筒(G-Horn),大号筒(Big、Horn)等系统和内藏音响扬声器。三是采用杜比数字压缩编码技术的AC-3系统(5.1制式),在该系统中的0.1通道是一不可多得的超低音声道,可以重现200Hz以下的低频信号,并可独立控制,能将视音频中的现场感还原得惟妙惟肖,逼真得让人惊叹!
(一) 超低音电路(XBS)
很多彩电尤其是大屏幕彩电都设置了超重低音电路,用来提升40~100Hz范围的低频信号,使声音的背景具有气势、力度和节奏感。超重低音电路对左右声道处理的方法是相同的,它使用低频带通滤波器,取出50~100Hz范围的低音信号对它进行提升,然后再与原信号混合,使信号中的低音成分得到加强。在通常的超重低音电路中还加入了由遥控器控制的响度控制,这是通过调节超重低音放大器的增益来实现的。当音量大时增益降低,减小低音提升量,而在音量小时,则加大增益增加提升量,防止音量大时低音失真、音量小时低音欠缺的现象。常见的超重低音处理电路有以下3种方式:一是由分立元件组成的XBS处理电路;二是采用多块集成电路组成的重低音处理电路;三是采用XBS处理电路与重低音扬声器配合的电路方式。下面分别用实用电路来说明其工作原理:
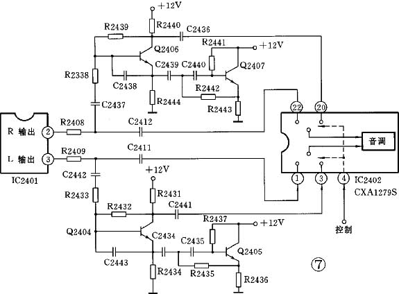
图7所示的是TC-29V2H型大屏幕彩电的超低音电路。
图中由环绕声处理集成电路IC2401②脚输出R信号,③脚输出L信号。L、R信号分别经C2411、C2412耦合到IC2402的①、。
Q2404~Q2407为超低音处理电路,其中Q2404、Q2406的作用主要是放大L、R信号。放大后的信号由C2441、C2436耦合到IC2402的③、。Q2405、Q2407为超低音提升电路,它实际上由模拟电感L组成的谐振式提升电路,即L=C2435·R2435·R2437,C=C2434、组成串联谐振电路, 其谐振频率 f\(_{o}\)=1/2π\(\sqrt{C2434·L}\)。这样,以70Hz为中心频率的超低音获得了明显的提升,提升的幅度为5~6dB。
IC2402的①、输入的是普通音频L、R信号,而③、输入的是经超低音提升后的L、R信号,两路信号在IC2402内部进行选择切换,由IC2402④脚实施切换控制。④脚为低电平时,①、的输入被接通,④脚为高电平时,③、输入的被接通。
C2919P型机能产生浑厚的震撼人心的低音效果。重低音信号电路包括在音频处理集成电路NQG07(TA8776N)内的形成电路(L+R),以及在有源低通滤波器集成电路NQS12(M5218AP)内的滤除高、中频信号、加强超重低音频的电路和在NQ60(TA8218AH)内的功率放大电路等,其实用的简化电路如图8所示。
图中,L、R信号分别从NQG07的⑥、⑦脚进入块内的缓冲放大电路,放大后同时在加法电路中相加,得到(L+R)信号,再经音量电平2进行音量控制,然后作为重低音从输出。(L+R)信号经RG32、CG37、CS66耦合加到有源低通滤波器NQ12(M5218AP)的输入端③脚。RS55、RS60、CS63为反馈阻容电路,经低通选频放大,选出200Hz以下的信号,抑制掉200Hz以上的频率成分,重低音(L+R)信号从①脚输出。经CS39耦合加到接插件XPA3A/B进入演唱电平控制板(KZ)内的功率放大器NQ60(TA8218AH)。在NQ12③脚的输入电路中,还接有静音控制开关管VQS10,供插拔耳塞机时消除咔嚓声。当插入耳机时,VQS10基极为高电平,正偏置而饱和导通,将(L+R)信号旁路到地, 起静音的作用。
来自AV/TV切换板(BT)的(L+R)信号经接插件转接后进入伴音板(DY),(L+R)信号经R672、R671分压、C690频率补偿后,由C689耦合加到NQ60(TA8218AH)⑤脚。在块内经功率放大后,重低音(L+R)信号从输出,经C685耦合,接插件转接加到重低音扬声器发出重低音。
另外,在NQ60功率放大器外围电路中,VQS20、VQS14、VQN16、VQN17为静音开关电路。在正常工作时,合理的偏置设置使VQN17、VQN16、VQS14截止,对输入功率放大器的信号无影响。当主控微处理器输出静音控制信号经接插件转接到VDS32送入VQS14、VQN16、VQN17基极,使其正偏而饱和导通,将NQ60输入端[RIN②脚,LIN⑥脚、(L+R)IN⑤脚]的音频信号旁路到地,NQ60无输入,则无输出起静音作用。同样,当插拔耳机时,控制信号从演唱电平控制板(KZ)经接插件转接,加到VQS20基极,使其饱和导通,集电极呈现高电平,使VQN16、
QN17、VQS14饱和导通,将NQ60输入信号瞬间旁路到地, 起到消除插拔耳机时的咔嚓声的作用。
3. XBS处理电路与重低音扬声器配合的方式
图9是C2588B型机的超重低音电路,它就是应用XBS处理电路并设置BAZOOKA超重低音扬声器的典型电路。
图中,NQG07输出的(L+R)信号经RG34、CG37、RS90、CS38输入到NQS12(TA75458P)③脚。RS90、RS38、CS32构成低通滤波器,滤除(L+R)信号中的中、高频成分,仅剩下有用的低频音乐伴奏声。此低频信号经预放后从NQS12①脚输出,输出后的信号再经CS40、RS81、C665等输入到重低音单声道功率放大器NQ61(TA8213K)的②脚。RS81、RS49、CS51等构成低通滤波器,进一步滤除信号中的中、高频成分。在重低音信号处理中,要达到理想的超重低音效果,除了设置上述超重低音电路外,还要设计出非常讲究的扬声器放音系统。目前国产大屏幕彩电中,应用较多的是BAZOOKA系统。它是由前方的左、右两侧,各配置两个小型主扬声器,外表呈柱状,由功率放大器提供2×7W的输出,BAZOOKA超重低音场声器是一个具有圆筒形构造的声响管扬声器系统,一个低音扬声器装于圆筒形结构的中间,扬声器口径为4英寸,谐振频率为67Hz,等效体积为4.6升、QT为0.52左右,封闭腔有效容积为1.6升,开口腔有效容积为0.85升,出声口长60mm,直径33mm。BAZOOKA圆筒结构装在电视机后背上部,横方向配置。这种安装方式是为了在音响管振动时不影响显像管的工作。声响管的开口位于机箱的左侧,声音只从左侧出来。因人的耳朵对200Hz以下低音的方向性不敏感,所以超重低音扬声器与前方主扬声器相配合,就可获得良好的音响效果。
该机的伴音控制采用I\(^{2}\)C总线控制方式,CPU通过选址方式进行数据交换,微处理器NQA01和伴音处理及控制集成电路NQG07通过SDA端子和SCL端子进行数据和时钟信号传递,可使NQG07实现对重低音的处理和控制。
在重低音信号通道中,VQS11在插入耳机时饱和导通、将重低音输入信号短路到地,在消音状态或插入耳机时,VQS14将重低音输入信号短接到地。
(二) 采用具有音响效果的扬声器系统
由于低音重放离不开扬声器音响系统,目前在国内外的大屏幕彩电除了前面介绍的BAZOOKA扬声器系统外还有以下几种扬声器系统常被采用:
1.多梦(DOME)系统
多梦声系统是在电视机机身的两侧各设置两个小音箱,箱内各有一只高音扬声器及一只低音扬声器,其中椭圆形高音扬声器采用竖直安装,圆形低音扬声器置于其下方,前部是号角状导声口,后部是低音反射腔。由于机壳后部低音反射腔的作用,低音得到共振,因而低音更丰富、更深沉。从正面看,扬声器窗口位于屏幕两侧,呈直线状其长度为35~40cm,宽度仅数厘米,声波经号角状导口由屏幕两侧的圆弧形细长口迸发出来。这种创新设计使在极宽的房间内部能聆听到高保真的音响效果。
2.加农炮(BOSE)扬声器系统
BOSE公司的“加农炮”式超重低音扬声器系统是在低音扬声器的前后方分别装有独立的共振管,管口的声波使管外空气受到振动而发出声音来,就像管乐器中的长笛和小号的发声道理一样。并把它安装在电视机顶后部,该超重低音扬声器发出来的声音通过结构复杂的共振管引导出来,扬声器的前方与后方分别有共振管,共振管做成弯曲状是为了减少直线长度以便能盘在电视机的机箱内。
3.大号角(Big Horn)扬声器系统
大号角的扬声器系统实际上是一种反射式声响管系统,声响管弯曲成U字形,一端装有低音扬声器单元作为声源,另一端为无源辐射器,整个系统放在彩电机箱下方,成为支座的一部分。声响管的第一共振频率选在人耳最灵敏的重低音70~80Hz上,使合成声压的低频部分有了明显的提高。这种扬声器系统在彩电中,一般有5路输出以配合杜比定向逻辑环绕声电路,其中2×10W为屏幕两侧扬声器,20W为大号角扬声器,10W为中心扬声器,2×5W为后方环绕扬声器,总输出为60W。
三、BBE声音清晰度处理电路的原理与应用
近年来随着家庭音响和广播电视的不断改进,都相继引入BBE技术,所谓BBE技术是美国BBE Sound公司推出用于大幅度改善音质的一种新技术。
(一) BBE技术的原理
每当我们身临音乐现场聆听音乐时,所有高音和低音到达人耳与其被乐器演奏出来时均保持一致。若通过功放重播现场录音时则会产生声音频率的相位变化,信号高频部分因扬声器的感抗而有所衰减,结果到达听者耳中的时间比低频延迟,而且尖锐瞬态声音听起来变得模糊不清,毫无透明清脆之感。为了改善音响效果,使重放的声音具有良好的质量,BBE处理电路恰能解决问题。BBE系统的基本工作原理是将信号分成几个频段,对不同频段信号的幅度和相位进行恰到好处的补偿,从而使声音更加真实、清晰和细腻,其作用与音调调整控制器那种单纯的增强有所不同,因为在BBE系统中采取了两种功能措施:一是协调声音中高、中、低频的相位分布,等效在延时曲线中增加一条镜像曲线,中和扭曲的声音。三个频段频率分别为:低频段低于150Hz,中频段150Hz~1.2kHz,高频段高于1.2kHz。基波主要位于中频段、高次谐波则位于高频段,对中、低频段分别延迟,而高频段不延迟。相对而言,高频段时间向前推进了一步,使特性曲线变得平滑,相位旋转呈线性且无跳跃阶梯。二是提供一套动态程度控制的放大电路,有效地补偿损失的高频和低频分量,以恢复声音的原始频谱特性。通过对高、中频信号电路最大值的支持和连续输出高次谐波占空比的检测,再通过VCA控制电路,自动调整高次谐波至最佳值。在恢复高次谐波位置幅度的同时,增加对低音轮廓的提升,实现最理想的线性上升,由此得到原始清晰的低音,弥补了人耳对高、低频信号灵敏度不同的弱点。此外,该系统还设置有噪声门电路和高频截止滤波器,能对混进输入信号的杂波噪声进行有效地清除。BBE电路主要采用高分辨率处理集成电路,常见的有XR-1071、XB-1075、M2152D、M2178、BA3880、BA3884S等。
(二) BBE技术在彩电中的应用
BBE技术目前只是在一些高档的大屏幕彩电中采用,如镜面画中画彩电P3492N型机中就是应用BA3880集成电路作为音频终端适配处理器BBE。BA3880是一个音响系统的声音清晰度处理集成电路,它把扬声器和放大器当作一个集成音频系统,并正确地重演声音的上升沿。在前端放大器输入端通过相应的处理,使音响系统产生重放声音几乎如自然声相同。这是因为在当今声音重放系统中,首要是解决好扬声器与放大器间失配问题,鉴于负反馈的原因,可把功放当作一个恒压源,而扬声器是一个电流器件,所以在这样的系统中不可避免地会存在失配。这是因为扬声器阻抗特性变化很大程度上取决于音圈的电抗或扬声器锥体组件的机械阻抗,由此引起声音上升边失真和重放声相位的偏移,还会增加其阻抗并降低扬声器振幅和谐波,若利用随后的高电平中间区分量易于掩蔽高音分量,使声音上沿恰好重演。由于该机应用BA3880作为音频终端适配处理器,它能从SRS声音重演系统输出的独特宽广环绕立体声,通过终端适配器,使其真正达到重演的音效,加上重低音很浓的音箱共鸣,使电视机的音效真正实现环绕立体声效果。
BA3880在该机的整个音响系统中,具有以下的功能:(1)由于放大器和扬声器的失配而引起声音的上升边缘失真得到校正,能正确地重演原声。(2)对于每一个扬声器和声源的分辨可通过直流来控制。(3)用直流控制来选择旁路模和处理模。(4)利用BBE集成块的内电路使低音提升固定在4dB。BA3880的各引脚功能见表1。
P3492N型机的音频处理系统由三块集成电路组成。即声音重演电路(SRS)的TA2136N,终端适配电路BA3880以及音频处理器TA1216N。这里只对BA3880的应用电路作简要说明(见图10)。
图中,由环绕声处理电路输出的L、R信号,分别经耦合电路RG17,CG15;RG18,CG16加到终端适配电路NG02(BA3880),在BA3880块内进行高清晰度音频处理,清除功放与扬声器失真引起的失真后,然后分别由输出,经CG17,CG18电容耦合送到TV音频处理电路TA1216AN。
CG25、CG24(8200pF)和CG27、CG26(470pF)是用来决定高音分量的截止频率。BBE的功能控制信号(BBE ON/OFF)经开关管BG19加到NG02的CTL端⑨脚,当该脚电压为8.87V时表示BBE关状态;当该脚电压为1.18V时表示BBE开状态。而NG02④、⑧脚外接的电容CG30、CG31为控制信号的时间常数电容。⑤、⑦脚外接的电容CG32、CG33分别为块内L、R通道高音VCA峰值检测器输出的电路滤波电容。CG19接于之间是用于块内L通道的耦合电容,CG23接于之间是用于块内R通道的耦合电容。的外接电容CG21、CG20用于块内低通滤波器(LPF)的输出滤波。CG22是块内基准电压输出滤波电容。
该集成电路的供电是由整机的+9V电压通过LG01、CG64、CG66、CG36,CG37滤波后加到NG02的供电端③脚。
王锡胜

