黑白电视机主要由高频头、公共通道、视放电路、显像管电路、伴音电路、同步分离电路、行场扫描电路和电源电路组成,用一台黑白电视机可作出一些直观形象的物理演示实验。
1.代替感应线圈演示高压放电现象
行扫描电路是产生光栅、提供中压和高压电源的重要部分,电视机的行扫描电路由自动频率控制电路、行振荡电路、行输出电路和高、中压产生电路组成。220V交流电压经电源电路和行扫描电路能产生10kV左右的高压,实际上是一种特殊形式的升压变压器。
演示方法:
在关机状态下取下高压帽,并使高压线和高压帽远离电路底板放置。开机,手拿改锥的绝缘把(手不要碰到金属部分),逐渐与高压帽内金属端靠近,可看到高压帽内金属端与改锥的金属端之间有白色的高压电弧现象,见图1。

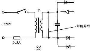
2.演示短路及其保护
电视机的电源是整机共用电路,它给各个单元电路提供正常工作所需的直流电压。电源电路通常是由交流输入电路、变压器降压、整流滤波电路和稳压电路组成。
演示方法:
先把交流0.5A保险丝暴露在外,开机后让学生看到电视机图像和声音均正常,然后用一根短导线短路变压器的次级线圈,此时学生会看到交流0.5A保险丝冒火花烧断,电视机荧光屏变得一片漆黑,无图像和声音。教师更换新保险丝后,电视机恢复正常,整个演示过程说明了电源变压器没有烧坏而被保护(图2)。

3.演示电容器的升压、滤波作用
电源中整流滤波电路的升压滤波电解电容的容量常为3300μF,该电解电容体积较大。用电烙铁焊断该电容器,并用两根较长导线使电容器与电路底板上原两焊接点相连,把电容器远离电路底板放置。在开机状态,先让学生看到电视机图像和声音都正常,然后关机,断开电容器与电路底板的连线,再开机,发现电视机图像的行幅和场幅都将变暗,图像出现S形扭曲,声音中出现较大的交流声,这一故障现象表明此时电源稳压电路输出的直流电压减小,纹波电压增大。关机后,把电容器接好,再开机,电视机图像和声音又恢复正常,说明了电容器具有升压和滤波作用。
4.演示带电粒子在电场中的加速
显像管是将电能转变成光能的器件,电视机接收到的高频电视信号,最终由显像管转换成图像,在荧光屏上显示出来。显像管由电子枪、玻璃外壳和荧光屏三部分组成,电子枪一般有5个电极;阴极、控制栅极、加速极、聚集极和高压阳极。高压阳极插座装在玻璃锥体上,其他各极都在管颈末端用金属管脚引出。加速极是一个顶部开有小圆孔的金属圆筒,通常在加速极上加有400V的正电压,把电子从阴极表面拉出来,并使电子向荧光屏方向作加速运动。
演示方法:在关机状态,用电烙铁焊断电路底板上400V加速极引线,开机后电视机出现无光栅现象,说明了显像管不加这种电压,电子束就得不到应有的加速,将被栅极负压截止。再恢复电路底板上400V加速极引线,开机后,电视机有光栅(图4)。

5.演示洛仑兹力
(1) 用偏转线圈演示
偏转线圈分行偏转线圈及场偏转线圈两种,行偏转线圈又分成两部分,分别放在显像管管颈接近圆锥体部分的上下方,行偏转线圈的平面是水平放置的,流过电流时产生的磁场是垂直的,因此使电子束受洛仑兹力作用作水平方向的偏转。场偏转线圈是绕在磁环上的,在线圈中流过电流时形成的磁场是水平方向的,电子束受洛仑兹力作用作垂直方向的偏转。实际上电视机是将行、场偏转线圈组装在一起再套在显像管管颈上。
演示方法:
焊断电路底板上行偏转引线,开机后光栅成一条垂直亮线,表明偏转线圈中没有水平偏转电流。恢复底板上行偏转引线,再焊断场偏转引线,开机后光栅成一条水平亮线,表明偏转线圈中没有垂直偏转电流。同时断开行、场偏转线圈引线,此时荧光屏上出现亮点(为防止电子束烧坏荧光屏应适当降低亮度),表明电子束没有受洛仑兹力作用既没有发生行偏转也没有发生场偏转。
(2) 用永久磁铁演示
先将偏转线圈从显像管管颈处取下,然后在开机状态,调低亮度,使荧光屏上出现亮点,再用条形磁铁向显像管的管颈处移动,这时会看到荧光屏上的光点会移动,磁铁越靠近管颈,亮点偏移中心位置越远。若调换磁极,电子束向反方向移动,当改变磁极位置时,荧光屏上亮点移动方向也改变。演示时可以看到,当磁铁未靠近显象管时,亮点停在中心位置,当磁铁靠近显像管时,亮点开始移动,最后使亮点停留在一定位置。如改用蹄形磁铁演示,效果也很好(图5)。

(杨国平)