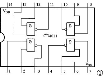
无线电小组的同学们继续进行数字电路的实验与制作,这次活动是用CMOS四2输入端与非门CD4011(图1)组装“电子验电器”和“声光双控楼道照明灯”电路,调试成功后,大家兴致很高,提出了许多应用方面的问题,在老师的辅导下,展开了热烈的讨论。

同学:老师,您曾经说与非门是由一个与门与一个非门组合起来的复合门电路。非门我们已经比较熟悉了,对与门的逻辑功能还不太了解。
老师:上一次我给大家讲过,门电路是一种条件开关,只有在输入信号满足特定的条件时,门才能打开,信号才能通过;不满足特定的条件,门就关闭,信号就不能通过。为了说明与门输出与输入之间的逻辑关系,我们先来看一个简单电路(图2)。这里用两个开关S1、S2控制一只发光二极管VD。很显然,只有当两个开关S1与S2都合上时,VD才会亮;只要有一个开关断开,VD就不亮。这种开关状态与灯亮之间的因果关系,称为“与”逻辑。我们所说的与门,是具有两个或两个以上输入端、一个输出端的开关电路(图3),输出与输入之间特定的逻辑关系是:输入端A与输入端B都是高电平“1”时,输出L才是高电平“1”;只要有一个输入端为低电平“0”,输出就是低电平“0”。这种特定的逻辑关系可以列成真值表(表1),也可以列出逻辑代数式:
L=A×B式子里的“×”号不是真的进行数字相乘,而是表示A、B之间存在着“与”逻辑关系,常称它为逻辑乘运算。



老师:对。习惯上说,先由与门进行逻辑乘运算,再由非门进行逻辑非运算,就实现了与非逻辑功能。写成逻辑代数式就是:
L=L‘=A×B大家可以自己列出与非门的真值表(表2)。与非门的逻辑功能可以编成一个口诀:“输入全1 ,输出为0;输入有0,输出为1”。
同学:CMOS与非门电路是怎么组成的呢?
老师:CMOS与非门电路(图6)很简单,它只用了四只场效应管。VT1和VT2是N沟道增强型MOS场效应管,它们串联起来作为两个输入管;VT3和VT4是P沟道增强型MOS场效应管,它们并联起来分别作为VT1、VT2的负载管。当输入端A与B都是高电平“1”时,VT1、VT2同时导通,VT3、VT4同时截止,输出端L为低电平“0”;当A、B中有一个或一个以上为低电平“0”时,相应的输入管截止,对应的负载管导通,输出端L为高电平“1”,实现了“与非”逻辑功能。大家明白了吧?

同学:明白了。
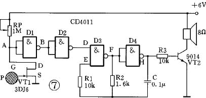
老师:今天大家组装的“电子验电器”电路(图7),使用了一块四2输入端与非门集成电路。其中,门1、门2和门4的两个输入端接在了一起,成为一个输入端,它们的逻辑功能发生了什么变化呢?

同学:把与非门的两个输入端连在一起,就意味着A与B只能同时为“0”或同时为“1”,按与非门的逻辑功能:“输入全1,输出为0;输入有0;输出为1”,输出与输入始终是反相关系,所以它就成了一个非门。
老师:回答得很好。“电子验电器”电路是很简单的,哪位同学给大家分析一下它的工作原理?
同学:我来试试看。电子验电器由两部分组成。门3和门4组成了我们熟悉的音频振荡器,它能不能振荡要受门2的输出电平控制。当门2输出低电平“0”时,门3有一个输入端为“0”,它的输出端就被锁定在高电平“1”上,门4的输出就是低电平“0”,不会随门3另一个输入端E的变化而改变了。这就是说,门3和门4组成的音频振荡器不能产生振荡,扬声器也不发声。只有当门2输出高电平“1”时,振荡器产生自激振荡,扬声器发出讯响。只是我还不太明白结型场效应管VT1是怎么控制门1和门2翻转的,希望您再给我们讲讲。
老师:结型场效应管是一种电压控制器件,它是利用栅极输入电压UGS改变漏极D与源极S之间的电阻RDS来控制漏极电流大小的。在这里我们不妨把它看成是一个由栅极电压控制的可变电阻。当感应片P靠近带电体时,场效应管VT1的电阻RDS变大,A点电位升高,门1的输入变为高电平“1”,输出变为低电平“0”,也就是门2的输入端B是低电平“0”,输出为高电平“1”。这时,音频振荡器的控制端D是高电平“1”,电路开始振荡,扬声器发出声响。
同学:我明白了。只要能控制A点电位由低变高或由高变低,就能使门1和门2翻转,控制振荡器振荡或停振。
老师:对。这是一个典型的讯响指示电路,如果把场效应管VT1换成不同的传感器件,如温度、湿度、光敏、热敏元件等,并适当调整RP的阻值,就会成为各种敏感指示电路。应用范围十分广泛。现在我画一个光弱报信器的电路图(图8),大家可以自己分析。
同学:今天我们组装的“声光双控延时楼道照明灯”电路(图9),看起来比较复杂,很难理出头绪来,您能给我们指点一下吗?
老师:好。大家通过实验已经知道,声光双控延时照明灯白天不会亮,到了晚上只要有人走过楼道发出脚步声,灯就自动点亮,经过一定的时间延迟,又会自动熄灭。这里,灯泡H接在220V交流电源上,用晶闸管VS作无触点开关,它们构成主电路。控制电路由一块四2输入端与非门CD4011(图1)为核心组成。与非门1是线性放大器,用来放大驻极体话筒B输入的音频信号,与非门2组成光控开关,由光敏电阻R8控制。与非门3及与非门4组成单稳态触发器,控制电灯的点燃与熄灭,并决定着灯亮后的延迟时间。
同学:请问您单稳态触发器的电路功能是什么呢?
老师:单稳态触发器与多谐振荡器一样是一种基本脉冲电路,它只有一种单一的稳定状态,在外来触发脉冲的作用下,虽然也能使它的状态发生翻转,却是暂时的,经过一定的时间延迟,又会自动返回原来的稳定状态。利用它的这种特性,可以组成定时或延时电路。采用两个与非门可以方便地组成单稳态触发器(图10),在没有外来触发信号时,输入端UI(即F点)为高电平“1”,与非门4的输入端G为低电平“0”,其输出端U02为高电平“1”,经直接耦合使门3的输入端E也是高电平“1”,其输出端U01为低电平“0”,这就是电路的稳定状态。
同学:我考虑是不是因为电容器C5两端都是低电平“0”,不会发生充电和放电过程,电路状态才会稳定不变呢?
老师:对,关键就在这里。我再问你们,在触发输入端UI输入一个负脉冲(低电平“0”)会发生什么情况呢?
同学:UI低电平“0”时,根据与非门的“输入有0,输出为1”的逻辑功能,U01变为高电平“1”,这时电容器C5经电阻R10进行充电,起始充电电流流过R10,使门4的输入端G由低电平“0”跳变到高电平“1”,输出端U02就由高电平“1”变到低电平“0”,单稳态触发器发生了翻转。
老师:是这样。需要注意的是,G点的高电平是靠充电电流在R10上的电压降维持的。随着充电过程的进行,充电电流按指数规律减小,G点电位也随之逐渐降低,当降低到与非门的开门电平以下时,门4的输出端U02翻转为高电平“1”,这时门3的两个输入端E、F都是高电平“1”,输出端U02又回到低电平“0”,暂稳状态结束。
同学:暂稳态的延迟时间由什么因素决定呢?
老师:主要由充电回路中电容器的电容量和电阻器的阻值决定,计算公式为TP≈0.7RC。这里,TP约为35s。
同学:您反复讲过,门电路属于开关电路,那么为什么与非门1又组成了线性放大器呢?
老师:与非门1的输入端接在一起成为非门,也就是反相器。如果给反相器外加合适的静态偏置(图中的R5),使它工作在放大状态,就成了线性放大器。整个电路的工作过程,哪位同学继续分析?
同学:由话筒B输出的音频信号经C2耦合到门1组成的放大器放大后,向C4迅速充电,使D点变为高电平“1”。此时,若环境亮度较大,光敏电阻R8的阻值很小,所以B点为低电平“0”,门2的输入端有一个是“0”,输出端F就是“1”,不能触发单稳态触发器。只有在夜晚,R8阻值变大,B点变为高电平“1”,一旦话筒B有脚步声输入,D点也是高电平“1”,门2将输出一个负脉冲,使单稳态触发器翻转,U02变为低电平“0”。晶闸管VS是怎么触发导通的,我就说不清楚了。
老师:单稳态触发器处于稳态时,U02为高电平“1”,三极管VT导通,其集电极为低电位,晶闸管VS的门极经VT接地,不能触发导通。单稳态触发器进入暂稳态期间,U02为低电平“0”,VT截止,市电通过VD1及R1触发晶闸管VS导通,灯H发光。经过约35s,暂稳态结束,VT又导通,晶闸管在交流市电过零时自行关断。同学们都清楚了吧?
同学:清楚啦。
老师:最后再问大家一个问题,照明灯的控制电路所需要的直流电源是怎么供给的呢?
同学:电网的220V交流电由VD2进行半波整流,C6平滑滤波,R2降压限流,最后通过VD3稳压,获得稳定的直流电压。稳压管VD3采用的是2CW13,所以直流电压约为6V。
(宋东生)

