本计数器可将机械或人工计数方式变为电子计数,并且采用LED数码显示,简单直观,可适用于诸多行业,以满足现代生产、生活方式的需求。
一、 工作原理
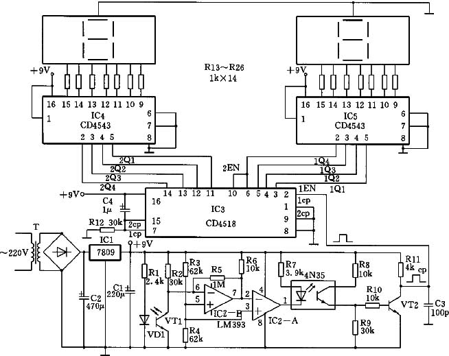
电路如附图所示,包括电源、光电计数和计数显示三大部分。

1.电源部分
220V交流市电经变压器T降压、桥式整流、电容滤波、7809稳压后为整个电路提供+9V稳定工作电压。
2.光电计数部分
当光电三极管VT1接收到红外发光二极管VD1射来的红外光线时,其亮电流增大,内阻减小,集电极输出低电平。此低电平加到电压比较器IC2-B的反相输入端⑥脚,同时因IC2-B的同相输入端⑤脚经R3、R4电阻分压后,电压为4.5V,因此⑥脚电压小于⑤脚电压,IC2-B的⑦脚输出高电平。此高电平又加到比较器IC2-A的反相输入端②脚,使②脚电压高于同相输入端③脚电压,比较器IC2-A的①脚输出为低电平,该低电平使光电耦合器内藏发光管点亮,对应的光敏管导通,三极管VT2也导通,VT2集电极输出低电平。
当有物体通过红外发光二极管VD1和接收管VT1之间时,红外线被挡住,VT1因无光照,其暗电流小于0.3μA,集电极输出高电平。因比较器IC2-B的⑥脚电压大于⑤脚电压,比较器的⑦脚输出低电平,同样比较器IC2-A的②脚电压小于③脚电压,使①脚输出为高电平,光电耦合器截止,三极管VT2也截止,VT2集电极输出高电平。
综上所述,当有物体通过VT1时,便在VT2集电极上输出计数脉冲信号。
3.计数显示部分
采用CD4518组成8421码同步十进制计数器,对VT2集电极输出的脉冲信号下降沿进行计数。为满足下降沿计数的要求,需将CD4518的cp端接地,计数脉冲信号接EN输入端。因CD4518内含两个相同的计数器,可将第一级的Q4输出接第二级的EN端,构成两级串行计数,实现0~99的计数显示。CD4518的第⑦、为清零端Cr,通过电阻R12接地为零电平,与电容C4一起实现开机清零作用。
译码电路采用两块CD4543分别组成BCD七段译码器,驱动LED数码显示器。电阻R13~R26为限流电阻。
二、 元器件选择
VD1为红外发光二极管SE303;VT1为3DU12光电三极管;电压比较器为低功耗、低失调的LM393;光电耦合器采用4N35或TIL 117;VT2三极管为2SC218;IC3为CD4518;IC4、IC5为CD4543;数码显示器采用共阴极WD506C,电阻全部采用1/8W金属膜电阻。
三、 调试安装
安装时要求发光管与接收管正对,同时为避免自然光线干扰引起的误计数,应在接收管上套一段黑色圆筒作遮光筒。本计数器可实现0~99的计数显示,若要增加计数位数,可直接对计数显示部分进行扩展,读者可参考相关资料。
(董维)