高效率、无电感、降压式DC/DC变换器LTC1503-1.8/LTC1503-2(12页)
应用范围:蜂窝电话、手持式计算机、智能卡输入机、低功耗DSP电源、便携式电子产品、手持式医疗仪器等。
主要特点:
输入电压为2.4~6V,输出电压为1.8V及2V;输出电压精度1.8V±4%及2V±4%;输出电流可达100mA;无需电感器;效率高于低压差稳压器25%;静态工作电流低,典型值为25μA;有关闭控制,在关闭状态时耗电仅5μA;开关频率为600kHz;在上电时有启动电流限制;内部有短路保护及过热保护;工作温度范围-40℃~+85℃。
两个1μF的电容应采用等效串联电阻(ESR)小的电容器,如多层陶瓷电容或低ESR电解电容。
生产厂商:
美国线性技术公司(www.liear-tech.com)。
散热风扇控制器MIC502(11页)
应用范围:
个人电脑、文件服务器、通信及网络硬件、打印机、复印机及办公设备、仪器及仪表、不间断电源、电源系统、功率放大器等热管理(通风散热控制)。
主要特点:
根据检测温度的高低,输出占空比不同的脉冲宽度(PWM),使得在温度高时,输出占空比大(相应的平均电压高,风扇电机转速高,风力大,散热效率高);温度较低时,输出占空比小,风扇转速低。这样,在设定的温度以上,风扇才运转,并输出与温度成正比的PWM信号,以减小风扇噪声、提高能源利用及提高风扇寿命。
另外,工作电压范围宽4.5~13.2V,可以采用与风扇相同的电压(简化电源);可控制各种直流风扇电机;有上限温度限制,并且可输出超温报警信号(如电机损坏或驱动电机电路有故障);用户可设定睡眠模式(温度低于设定温度时,处于睡眠模式),在睡眠模式时,耗电仅240μA(典型值)。
封装形式:
8脚贴片式SOIC或DIP封装。
应用电路:
典型应用电路如附图所示。图中T1是外接的NTC热敏电阻,它与R1、R2组成分压器,输出电压随温度增加而增加(设计中要保证VT1=30%~70%VDD时,相应输出PWM的占空比为0~100%)。R3、R4决定VSLP(设定睡眠模式电压)。VT2为另一个控制风扇转速的输入端。输出端经Q1来驱动风扇电机。当超过上限温度时,OTF端输出低电平。

生产厂商:
美国MICREL公司(www.micrel.com)。
代理商:
格磊科技北京技术支援部,010-68530126。
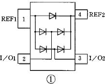
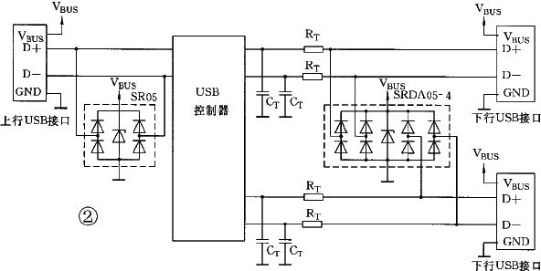
低电容容量瞬态电压抑制器(TVS)二极管阵列SR05(7页)
应用领域:
USB电源及数据线保护,蜂窝电话SIM线,I2C总线保护,视频线保护,机顶盒、便携式电子产品、微控制器输入保护、WAN/LAN设备及ISDN S/T接口等。
主要特点:
用于高速数据传输线的瞬态保护,满足IEC 1000-4-2(ESD)15kV(空气),8kV(接触)、IEC1000-4-4(EFT)40A(tp=5/50ns)、IEC1000(闪电)1kV、24A(tp=8/20μs);保护两个I/O线及电源线;低容量(小于10pF)适用于高速接口;低工作电压及箝位电压。
生产厂商:
美国SEMTECH公司(www.semtech.com)。
2A低压差输出可调线性稳压器AIC17251
应用范围:
组成高效率线性稳压电源、5V转换成3.3V变换器、开关电源的后续电源、恒流源、电池充电器等。
主要特点:
最大输入电压UIN可达15V;最大输出电流(2A)时,压差仅1.3V;快的瞬态响应;调整端的最大电流为120μA;线性调整等最大值0.2%;负载调整率最大值0.4%;工作温度范围0~70℃。总的性能优于LM317。
封装形式:
3引脚TO-220及TO-263封装。
应用电路:
典型应用电路如附图所示。输出电压UOUT为:
UOUT=UREF×(1+RF2/RF1)+IADJ×RF2
式中UREF=1.25V;IADJ=55μA(典型值)。为简化计算上式第二项可忽略,即
UOUT=UREF(1+RF2/RF1)
按图参数输出电压UOUT=3.33V。它是一个典型5V转换成3.3V的电路。
生产厂商:台湾省沛亨半导体公司(www.analog.com.tw)
代理商:北京浩均科技有限公司。
电话:010-68516873
微型温度传感器DS60(4页)
应用范围:
充电电池温升监测,软盘驱动器、打印机、办公室设备、家用电器、电源、散热风扇控制及一些简单的温度测量及控制电路。
主要特点:
工厂已经校准过,输出灵敏度为6.25mV/℃及精度±2.0℃(典型值);输出电压与摄氏温度成比例;测温范围为-40℃~+125℃;单电源2.7V~5.5V工作;静态电流125μA;在0℃时输出424mV偏置电压,其目的是单电源可测负温;小尺寸SO-23封装,热容量小、响应快;与LM60兼容。
封装形式:
3引脚SO-23,如图1所示。
应用电路:
典型应用电路如图2所示。在-40℃时,输出电压为424mV+6.25mV/℃×(-40℃)=174mV;在125℃时,输出电压为424mV+6.25mV/℃×125℃=1205.25mV。
生产厂商:
美国Dallas公司(www.dallas.com)。
代理公司:
北京浩均科技有限公司电话,010-68516873。
高电压、大电流驱动器阵列MIC2981(4页)
应用范围:
驱动继电器及螺管线圈、步进电机、点亮LED灯或白炽灯(如广告牌、警示牌等)。
主要特点:
输出电压可达50V;输出电流可达50mA(每通道);共有8个通道;输出端有瞬态保护;TTL、CMOS或PMOS输入电平兼容(VTTL及5V~15V CMOS或PMOS)。
封装形式:
18脚DIP及SOIC封装,管脚排列及结构如图1、2所示。
生产厂商:
美国MAC REL公司(www.macrel.com)。
代理商:格磊科技北京技术支援部,010-68530126。
高精度、低价位、用于TI的USB开关MAX1607(11页)
应用范围:
笔记本或计算机、USB端口、USB插孔、工作站等。
主要特点:
管脚与TPS2014、TPS2015及TPS2041兼容;精密限制电流(最小0.7A,最大1.0A);保证在短路时电流为0.75A;高端MOS FET的最大导通电阻为125mΩ,并可连续500mA电流;有短路及过热保护,并有过流逻辑信号输出;启动时间为1ms;低压锁存输出;静态电流典型值为14μA,备用状态时耗电最大值为1μA;工作电压范围2.7~5.5V;工作温度范围-40℃~+85℃。
封装形式:
8脚SO封装。
生产商:
美国MAXIM公司(www.maxim-ic.com),8008100310,(010)62010598。





