DM2201是一种面板式智能化温度测控模块,它采用PT1000型铂电阻作为温度传感器,该电阻是由铂金溅射于陶瓷基板上,外壳为Φ6.5mm的不锈钢管,长度是150mm,外形如图1所示。PT1000型铂电阻的互换性达到了±0.2%,精度为0.5°C,测量温度范围是-200°C~300°C。阻值对温度的变化率提高到a≈3.91Ω/°C,是PT100型铂电阻的10倍。这样,信号放大器就很容易设计,在一些简单应用电路内甚至可以去掉放大器。

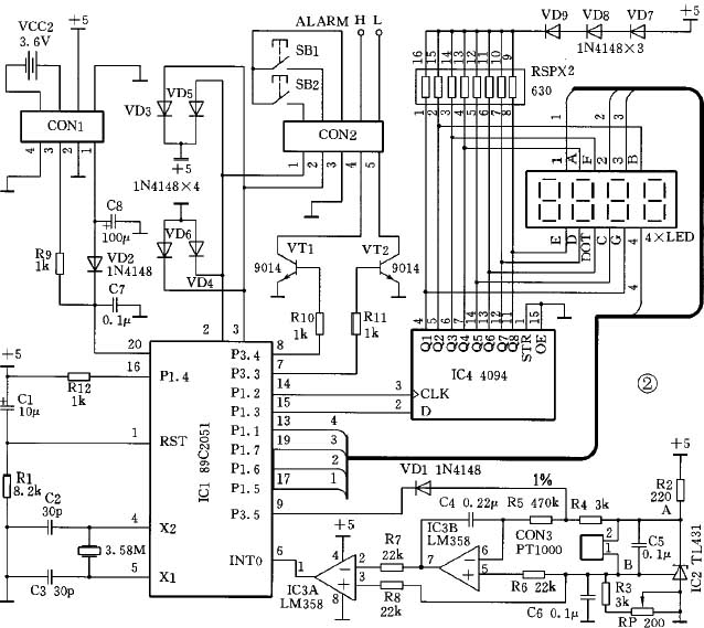
DM2201的线路如图2所示。该模块测温范围为-100°C~+300°C,测量误差是±1°C,显示分辨率为1°C,外形尺寸为79mm×42mm×27mm,可测量静态或动态液体、气体、火焰、狭缝处及某一空间的温度,并能根据所设温度范围进行闭环温度控制或其它对象的控制,既可当作现场嵌入式温控仪表,也可单独使用。它使用89C2051单片机作为主控制芯片,完成双积分A/D转换、温度数据的采集、铂电阻的非线性补偿运算及温度运算、温度显示输出、键盘设置温度控制的上下限值以及当温度越限时的报警输出等功能。TL431精密集成稳压电路、PT1000铂电阻、R3、电位器RP共同组成了恒流源,调节RP可使流过PT1000的电流恒定为0.8503mA。这样铂电阻两端的电压值变化就代表了测量温度的变化。运放LM358和C4、R5、单片机的INT0、P3.5口共同组成一个基本的双积分A/D转换器。单片机的T0工作于定时状态,INT0中断采用边沿触发方式。当对输入电压进行定时积分时,P3.5口输出高电平,二极管VD1截止,铂电阻两端的电压通过R5对C4进行积分。积分输出终值与铂电阻两端的电压成正比,积分时间由T0控制。正向积分结束后P3.5输出低电平,积分电容C4上的电压通过R5、VD1对地进行反向积分,同时T0计数反向积分时间,直到IC3A输出反转,INT0中断并停止T0计数。这样T0的计数值就代表了铂电阻两端的电压值。这一过程的程序流程见图3。单片机对采样数据进行线性补偿后计算出温度结果,从P1.3口输出到串入并出移位寄存器IC4中,同时位控制口P1.1、P1.5、P1.6、P1.7输出扫描信号,完成对温度计算结果的显示。89C2051的P3.0口与地构成“设置”键,P3.1口与地构成“修改”键,用于设定温度上下限报警值。报警结果从P3.3、P3.4口输出,三极管VT1、VT2用于输出推动,输出口ALARM可外接发光二极管、继电器等报警设备。利用89C2051中另一个定时器T1做一个软件看门狗,可以保证该模块长期稳定地工作。模块的主程序流程见图4。VCC2是一块3.6V的外接后备电池,当+5V电源断电后89C2051进入掉电模式,后备电池可以使设定的上下限温度值长期保存。



该模块如果采用高精度的A/D转换电路可进一步提高测温精度和稳定性,测量误差能达到±0.1°C。由于模块带有温度上下限报警输出接口,使它的应用范围更加广泛。以家用小型暖气锅炉的循环水温度控制为例,一般在晚上一次性添足炉膛燃煤后,适当减小风门开度,打开循环水泵给房间供暖。如果不进行循环水的温度控制往往会造成炉膛温度过低,煤燃烧不完全甚至会炉膛熄火。使用该温度控制模块可以有效地解决以上问题。首先设置好适当的循环水温度控制上下限值,当循环水温度降低到设定的下限值时,下限报警继电器触点闭合,断开水泵电源,停止水循环,以提高炉膛温度。当循环水温度回升到设定的上限控制值时,上限报警继电器触点闭合,水泵得电重新开始水循环,恢复房间供暖。这样既充分利用了燃煤又避免了炉膛熄火的麻烦。该温度控制模块还可在各种烘干箱、温室大棚等需要将温度控制在一定范围内的设备中使用。
郑州东明电子商行供DM2201型温控模块,65元/块。地址:(450000)郑州市人民南路16号,邮购咨询:0371-6228015,技术咨询:0371-6232218、6232543,传真:0371-6229733,Email:dm@zz-dm.com。该商行长期从事邮购业务,备有最新彩色邮购目录,免费赠送,欢迎索取,也可访问其专业邮购网站:www.zz-dm.com。
(杨昆峰)