MAX6509及MAX6510是MAXIM公司2000年5月份推出的新器件,是一种通过外接一电阻来设定温度阈值的温度开关。MAX6509与MAX6510的差别是前者是开漏结构,要外加一个上拉电阻,超过开关阈值温度时输出为低电平;后者多一个选择输出引脚,可以使超过开关阈值温度时输出为高电平或输出为低电平。前者为5引脚器件,后者为6引脚器件。
两个温度开关的特点有:阈值温度精度典型值可达±0.5℃,在-40℃~+125℃范围内最大阈值温度误差为±4.7℃;阈值温度仅需外设一个1%精度的电阻即可设定;可选择加热或冷却的相应器件(在器件型号后缀中有H为加热,有C者为冷却);有选择引脚来设定滞后温度是2℃或10℃;SOT23小尺寸5引脚(MAX6509)或6引脚(MAX6510)封装。
该器件工作电压范围为2.7~5.5V;工作电流小(MAX6509的典型值为32μA,MAX6510的典型值小于100μA);输出高电平的电压典型值为VCC-0.4V,输出低电平的电压最大值小于0.3V。
该两温度开关主要应用于监控高速计算机中的μP温度、温度控制、温度报警、散热风扇控制及汽车中温度控制等。@
管脚排列与功能
MAX6509为SOT23-5封装、MAX6510为SOT23-6封装,如图1所示。各管脚功能如附表所示。

输出特性及温度响应
“加热”温度开关与“冷却”温度开关是指“开关动作”从低温到高温(加热)过程中发生,还是从高温降到低温过程中发生,如图2所示。图2(a)是MAX6509H型加热温度开关的开关特性(输出OUT的特性)。在加热未到阈值温度前,OUT输出高电平,当到达阈值温度时(TTH),OUT输出为低电平。当温度降到TTH时,由于有滞后温度THYST(2℃或10℃),OUT仍为低电平,当降到TTH-THYST时,OUT才跳变为高电平。
图2(b)为MAX6509C的输出特性(请注意型号中有C,为冷却温度开关)。开关动作在由热变冷的过程发生。

图2(c)及图2(d)分别为MAX6510H及MAX6510C的特性(它们的OUTSET=VCC)。
MAX6509H及MAX6510C的温度响应如图3所示(MAX6510C的OUTSET接GND)。MAX6509H的阈值温度设为100℃,MAX6510C的阈值温度设为40℃。
设定阈值温度的电阻RSET的计算
RSET决定设定的阈值温度,其计算公式如下:
在-40℃到0℃时,
RSET=〔(1.33×105)/(T+1.3)〕-310.17-〔(5.78×106)/(T+1.3)2〕(k Ω)
在0℃到125℃时,
RSET=〔(8.38×104)/T〕-211.36+〔(1.3×105)/T2〕(kΩ)式中T为绝对温度(即t℃+273℃)。
例如,设定阈值温度为45℃,代入第二个公式得RSET=53.44kΩ,取55kΩ。@
应用电路
MAX6509/6510的工作电流很小,如果其输出端接高阻抗负载,则其消耗是极小的,也不会有自热而影响管芯温度而造成自热误差。另外,由于MAX6509/6510的尺寸极小,为了更好的检测微处理器(μP)的温度,可以把它安装在μP的插座的空隙中,即直接安装在μP的下方来监测μP的温度。
图4是一种当μP过热时产生报警或复位的电路。采用MAX6509H来监测μP的温度、RSET来设定阈值温度,由100kΩ作OUT端的上拉电阻,并且OUT端直接与μP的INT或者(SHUTDOWN或RESET)接口。当μP的温度超过设定的阈值温度时,MAX6509H的OUT输出低电平,使μP产生报警或复位。在这例子中MAX6509H的HYST端接地,其滞后温度为2℃。
图5是一种当μP的温度上升到阈值温度时,自动打开散热风扇降温的电路。由MAX6510H作μP的温度监测器,当μP的温度超过设定的阈值温度时,MAX6510H的OUT端输出高电平(因OUTSET端接VCC),外接功率MOSFET导通,风扇开始运转散热,只有当温度降到阈值温度以下10℃时,OUT端才由高电平变成低电平,风扇停转(因为HYST端VCC,THYST=10℃)。VT的ID要根据风扇的工作电流来确定。
散热风扇也可以采用其它工作电压的,如12V的,只要断开5V电源接上12V即可。
这里介绍两种电路十分简单的温度窗口检测电路。当超过上限及下限设定温度时可输出一个超温信号。
图6给出了采用MAX6509H及MAX6509C组成的温度窗口电路。由MAX6509H设定上限温度,由MAX6509C设定下限温度。在本例中,上限温度为75℃,下限温度为-3℃,相应的RSET为30kΩ及100kΩ。图中100kΩ为两个温度开关共用的上拉电阻。当温度超过上限75℃或低于下限-3℃时,输出低电平。
在本例中只能知道有超温状态,但并未给出是上限超温还是下限超温,而图7 的电路则可以分别指出。
图7是一种用MAX6510H及MAX6510C组成的温度窗口检测器电路。在此图中上限温度设为75℃,下限温度设为-3℃(与上图相同)。两个温度开关的OUTSET端都接VCC,则其输出OUT为高电平有效(即在超过阈值温度时输出为高电平);两个滞后温度设定HYST端都接GND,其滞后温度为2℃。

在两个温度开关的输出端OUT端接了一个双输入或非门。在温度正常时,两个OUT都输出低电平,则或非门输出为高电平;若其中有一个OUT输出为高电平时,则或非门输出为低电平(表示有超温状态)。MAX6510H的OUT输出为高电平时,表示过热;MAX6510C的OUT输出为高电平时,表示过冷。
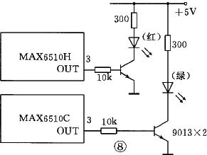
一种利用不同颜色的LED来表示过热、过冷的指示电路如图8所示。

上述电路中的输出信号可以用作关闭信号、报警器报警信号或其它功能用。
3.低功耗、高可靠性温度监测、控制电路
图9是以μP为例来说明此电路功能的。该电路由两片MAX6510H组成,分别设定上限温度为75℃,下限温度为45℃。当μP的温度低于45℃时为正常温度,两片温度开关都输出低电平(因为两片温度开关的OUT SET都接VCC)。当μP的温度超过45℃而低于75℃时,下面的MAX6510H输出为高电平,它使散热风扇运转降温。若控制风扇电路中的MOSFET损坏,或风扇本身损坏,则μP的温度可能继续上升。一旦μP温度超过上限温度75℃时,上面的MAX6510H输出为高电平,发出温度故障信号(报警、停机或切断电源等)。这里两片温度开关的HYST都接VCC,滞后温度为10℃。
当然被监控的可以是μP,也可以是其它要监控的设备,如发酵过程控制等。有关MAX6509/6510IC英文技术资料可在www.maxim-ic/MaximProducts/products.htm下载。
(方佩敏)

