BH9201是CMOS彩灯控制专用集成电路,特点是工作电压范围宽、功耗低、价格便宜、外围电路简单。其内部主要由振荡器、分频器、输出控制、驱动电路、输入输出保护及电源保护等电路构成,输出信号可直接驱动晶闸管。它采用8脚双列直插式封装,引脚排列见图1,各脚功能分别为:④脚VDD、①脚VSS分别为电源正、负端;②、③脚OSCI、OSCO为振荡输入、输出端,外接RC定时元件形成振荡;⑤~⑧脚Q1~Q4为输出端。相邻输出端的输出脉冲依次后移1/4脉冲周期,波形见图2。


BH9201的典型应用电路如图3所示。调节②、③脚外接电位器或电容,可改变时钟频率,即改变Q1~Q4端输出脉冲快慢,由单向晶闸管控制4串灯泡的亮、灭。从波形图上可以看出,在任何时刻Q1~Q4的输出都有两端为1,另两端为0,并不断变化。因此,当调节电位器使时钟频率由低向高逐渐增加时,4串灯泡会呈现“跳跃”、“流水”、“全亮”三种不同的效果。单向晶闸管的耐压一般大于400V,导通电流根据串联灯泡取用的电流来选择,并应留有一定余量。

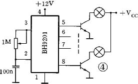
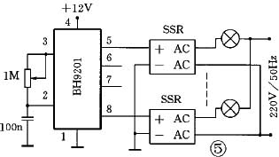
BH9201不局限于只驱动单向晶闸管,还可以灵活使用。图4是通过NPN开关管驱动4串彩灯的电路。开关管的耐压及电流可根据外加电压VCC、每路串接灯泡的功率及个数选择。图5是通过固态继电器SSR驱动彩灯的电路。图6是利用Q1~Q4输出信号控制大功率直流开关电路TWH8778。TWH8778在24V电源电压下工作时,输出电流的典型值为1.2A,最大为1.6A。因此可选用耐压24V的彩灯,并根据灯泡额定工作电流大小确定每组并联灯泡的个数。



BH9201由河南三门峡西桥头61号金聚宝电子制作室供应,有兴趣的读者可直接联系,邮编:472100,电话:0398-3611073。
(瞿贵荣)