本刊2000年第2期刊出了《微波传感自动灯》一文后,收到不少读者来信来电,反映该文使用的微波传感电路RD627很难买到。为此,本文再介绍一种TWH92系列微波传感模块,供有兴趣的读者选择。
1.TWH9248/TWH9249
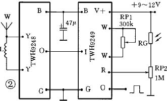
这是配套使用的一对微波传感模块(又称为雷达探测器),主要用于人体移动检测,有效探测距离为3~6m,工作电压为9~12V(典型值)。天线W为发射和接收共用。当人体在有效探测区域活动时,发射的微波与接收的微波将产生频率偏移,经TWH9248进行低通滤波、选频放大后,由O(OUT)端输出超低频信号(0.5~8Hz),送给TWH9249的输入端I(IN)。TWH9248的B端工作电压为6V,由TWH9249稳压后提供,其典型应用电路见图1。

TWH9249内含软启动、选频放大、比较鉴别、输出驱动及复位控制等电路。I端输入信号经处理后,若确认信号有效,则O端输出一个正脉冲,控制执行电路动作。输出信号延时时间为10s,检测灵敏度由RP1进行调整。R(RESET)为复位控制端,R端开路时被内部电阻下拉为低电平,则无论白天、黑夜,TWH9249一直处于工作状态。图1中使用光敏电阻RG和RP2分压控制,白天RG阻值甚小,R端为高电平,此时无论是否有人在探测区活动,TWH9249均不工作;夜晚RG阻值甚大,R端为低电平(通过RP2调节),TWH9249处于监视状态。
天线W采用Φ2mm导线弯成Φ120~150mm的圆环,也可以采用图2所示的天线,其中L使用Φ0.71mm的漆包线在Φ5mm骨架上绕6匝脱胎而成,伸出的单端天线长度取300mm左右为宜。

2.TWH9250
TWH9250是单片微波传感模块,它实际上是TWH9248/TWH9249的组合体,保留了它们的全部功能。TWH9250的典型应用电路见图3,工作电压为9~12V,探测距离为3~6m。TWH9250内部由接收放大、低通滤波、窗口电压比较、脉冲宽度鉴别、复位、锁存、延时及输出驱动等电路组成。当检测到有效信号后,O端输出一负脉冲控制信号,输出信号延时时间为10s。R为复位控制端,可控制其只能在晚上工作。RP为灵敏度调节电位器。天线W用Φ2mm导线弯成Φ100mm开口圆环。
3.TWH9251
TWH9251是一种新微波传感模块,工作温度范围为-20~+45℃,工作电压9~12V。它不仅灵敏度高,探测范围宽,而且工作可靠,误报率极低,非常适合现代中、高档报警系统作人体移动侦测。其外形尺寸为48mm×40mm×38mm,外部有一配套的环形天线,并通过两芯屏蔽电缆与外电路连接。其中红线(V+)为电源正端,白线(O)为控制信号输出端,网线(屏蔽层)为接地端(G)。电缆长度预留3m,必要时可加长至50m以内使用。
TWH9251的典型应用电路见图4。器件内部是以一片雷达模式专用处理集成电路TWH9601为核心组成,包括信号检出、放大、整形、多重比较、延时及输出驱动等单元电路。微波发射频率约1.2GHz,在环形天线轴向产生一个2~7m的(可调)空间探测区。人体活动时产生的频偏变化经处理后,由O端输出下拉灌电流控制信号,可直接驱动12V、5~10A大电流继电器动作,带动终端报警电路工作。

内部设有信号鉴别电路,当检测到足够宽的单体信号(如移动的人体、车辆等)时,才会触发输出;或者在2s内检测到2~3个窄脉冲(如人体走动2~3步)时,才触发输出。对于微弱的干扰信号,如远距离树木晃动、小动物走动时,因信号幅度过小而不能通过窗口比较器,即使勉强转换出等幅脉冲,也因其宽度太窄而被脉宽鉴别电路阻挡,因此,大大提高了抗干扰能力,防止误触发。
TWH9251有两个振荡器:一是系统时钟振荡器,工作频率已调至16kHz左右的最佳工作状态;二是延时振荡器,已设置成输出延时时间为10s。如改变其RC元件取值,可在2~60s范围内设定输出延时。另外还有一个由单时基电路7555组成的单稳态电路,作用是在首次通电时延迟45s后再进入监视状态。而后电路一旦被触发,便产生10s的延时输出。如果在延时输出期间目标仍在活动,则输出将持续不断,直到最后一次触发并延时10s后输出才停止。
工作电压为12V,为保证工作稳定,电压不得低于11V。工作电流视负载功率大小而定,一般为100~500mA。TWH9251的灵敏度不能调得过高,一般在7m处人体移动3~4步被触发的灵敏度已达到使用极限,调整到在5m处人体走动3~4步触发最合适。否则,可能会因噪波导致误触发。TWH9251的输出端是一种下拉与断路控制端,电流经继电器K后被下拉进入器件。因此,不能用电压测试法去衡量是否有输出。
(李克文)