LS1240是电话机专用振铃集成电路,使用方便,可靠性高,应用十分广泛。下面举出了LS1240振铃电路常见故障检修示例。@
振铃不响
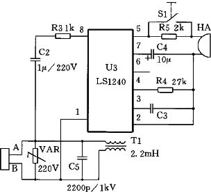
附图是LS1240振铃电路的电原理图。U3是一只内有桥式整流和稳压电路的集成块,附表列出了LS1240的各引脚功能。外部元件较少,长期使用后出现不振铃的故障。本人根据LS1240振铃电路①、⑧脚为流铃信号输入端的特点,利用“便携式电话分析仪”,在振铃状态下,测得本机①、⑧脚间交流电压只有0.5V左右,远小于正常值的30V,说明输入电路不正常,这时用万用表1k挡测量A、B两端的电阻值,正常时应为150k左右,实测只有5k左右,初步判断是滤波电容C5有问题,拆下C5测量,发现该电容漏电严重,换上同容量的电容后,振铃恢复正常。

@
振铃不响
若检查测得U3的①、⑧脚间交流电压在30V左右,符合正常值的要求,说明输入端没有问题,就要用万用表检测LS1240的各引出脚直流电压,发现U3的⑤脚电压为0V(正常时应为13V左右),说明振荡电路不正常,这时应重点检查R4双音调振荡器的频率控制电阻R4,为确保测量的准确性,将R4拆下进行测量,发现该阻值已无穷大,表明R4已损坏,换上同型号电阻后,振铃恢复正常。@
铃声失真
为快速解决振铃失真现象,根据所列图表分析,应对U3第⑦脚的滤波电容C4进行重点检查,因为C4失效,会导致LS1240失去交流滤波作用,使供给LS 1240的直流电压不平滑,引起波形失真。经上述分析判断,铃声失真的主要原因,可能与C4直接有关,将C4拆下测量,该电容确实失效,换上同型号电容后故障排除。@
铃声单调没变化
重点检查U3第③脚上的扫描频率控制电容C3,因为该电容不良,会导致扫描频率的变化,引起声调变化或出现单音现象。用万用表测量U3的③脚电压,发现只有0.2V左右,远小于正常值的3.6V,经分析可能是C3有短路现象,将C3拆下测量,该电容已经接近短路,更换同型号电容后铃声恢复正常。
有关LS1240的详细技术资料可在us.st.com/stonline/index.shtml处搜索并下载pdf格式文件。
(焦阳)
