三洋机心29英寸彩电在收看过程中会有时出现无规律的自动关机现象,即声光皆无,但电源指示灯亮。由于此故障牵涉电路多,往往使一些维修者无从下手。笔者根据维修经验,对这种故障检修思路作些简单介绍,并以一个实例说明检修方法,以飨读者。
一、 检修思路
对于有规律的自动关机,首先检查彩电是否预置了定时关机。对于I2C总线控制的彩电,运用彩电在S模式(维修模式)的自检功能,检查吊挂在总线上的各单元电路的工作状态。对于故障单元,检查它所在的项目及数据,若数据设置正确,则是硬件故障;若数据错误,恢复正常的数据,电视机即可正常工作。
若断开保护总线PB(protect-bus),电源电路在输入正常(320V)的情况下,输出不正常(+B电压低于正常值的一半以上),则故障在电源电路本身;若断开保护总线PB,电源电路的输出电压大多数(+B电压必须正常)正常,则故障出在保护电路。对保护支路采用行、场分割法,查出故障保护支路,对其重点怀疑元件用同型号的优质元件替换,就能找出故障元件,更换后彩电便能恢复正常工作。
行输出变压器(FBT)是引起保护电路动作的极为重点元件,许多保护支路的电压(流)采样均取自于它。行输出管、显像管对保护电路有直接影响,不能忽视。
二、 检修实例
一台海信TC2961D(三洋机心,出厂2年),绝大多数情况是:在冷机状态开机30±5分钟便出现自动关机,用遥控器或彩电面板按键立即启动电视机,光栅很暗,声音刚出现1秒钟便又立即关机。电视机关闭10分钟左右再开机,工作6~7分钟便自动关机。震动电视机,有时能工作2小时左右才发生自动关机。
在冷机状态下,根据绝大多数工作半小时左右出现自动关机情况,误认为是电视预置了“30分钟”定时关机,经检查没有预置定时关机。在S模式下检查其项目、数据,发现数据设置正常;运用其自检功能,没有发现问题,最后把问题归结到硬件电路上。
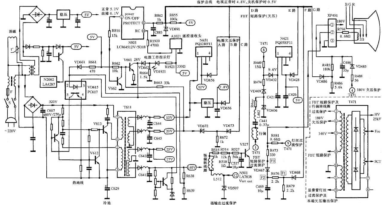
附图是开关电源及保护电路总图。在彩电正常工作和自动关机状态下,分别测出T611各组输出电压(见表1),从测试数据中看出,电视机自动关机后开关电源无输出。然后测量VD615、V612、V613各极电压,数据见表2、表3,从中发现VD615已导通,导致V612导通、V613截止,从而使开关电源无输出。VD615的工作状态直接受N801⑦脚电位变化及V662、V661的控制。当电视机正常收看时,N801⑦脚为高电位(5V),V662的b极也为高电位(0.8V),而饱和导通,使得V662的c极、V661的b极为低电位(0.1V),V661截止,则VD615的③脚保持高电位28.6V而截止;否则,保护电路启动,使VD615的③脚被V661的导通钳位在低电位0.1V上而导通,使开关电源无输出。此时,笔者用镊子短路V662的c、e极,就相当于N801⑦脚输出高电位5V(电视机正常工作),切断了保护电路的保护作用,这时开关电源各级输出电压均正常,从而证明了开关电源电路正常而保护电路启动。
从附图看出A、B、C三路为电源欠压保护支路,由以上分析可知,此三路是正常的。D路是场输出过流保护支路。E、F、G三路是行输出变压器非正常输出保护,见附图右下角的有关电路图。A~G7条保护支路有一支路发生接地或欠压故障,均会使N801的电压跌至0.1V,导致N801⑦脚电压跌至0.1V,使开关电源停止工作。为此,笔者首先区分是行输出电路有问题还是场输出电路有问题。
首先短路场保护支路V527的b-e结,自动关机故障仍存在,证明是行输出电路有故障。恢复场保护、断开F支路,即显像管灯丝过流保护支路,自动关机故障消失,说明故障就在F支路中。笔者测出电视机正常与故障状态下的数据,见表4。从中发现故障状态下F2点的电压跌至0.1V,笔者怀疑故障是C469热击穿造成的,用一只标准的电容代换,代换后电视机仍然出现自动关机,证明C469无故障。笔者进一步测试了F3点的数据,此点为一高频交流信号点,正常时在交流挡位上测是9V,在直流挡位上测是-0.8V;在故障状态下,此点在直流挡位上测是0.1V,从而证明了行输出变压器T471⑨脚无输出或欠压。T471⑨脚要想输出正常,必须满足两个条件:一是T471内部本身是好的;二是T471紛{1}脚接地必须可靠。在故障状态下测量T471⑤脚也无输出,怀疑T471紛{1}脚有接地不良故障。仔细观察紛{1}脚周围,有一圈很细微的黑边,用表笔轻轻测量紛{1}脚与地之间的电阻,发现阻值在1kΩ左右(应该为0Ω),当用力点摇动紛{1}脚时,紛{1}脚电阻能恢复为0Ω,说明紛{1}脚与地之间接触不良。用电烙铁重焊紛{1}脚后,电视恢复正常,故障消除。
该机在检查时,当切断保护总线使电视机强行工作后,电视机伴音始终正常,图像慢慢变黑而消失。当震动主底板后,图像又恢复,过会儿又消失。当主底板竖起来维修时图像又正常,平放下来时又无图像。由于图像消失与自动关机是同时发生的,所以无图像故障现象被掩盖了。T471⑤脚输出分三路,一路给N801的H-SyNC;一路给N201(LA7687A)的TBPIN(BGP·OUT);一路给N271(LC89950)的BGP IN。所以T471⑤脚无输出电压会使上述三路均不能正常工作。
行输出管V432的e-c极之间如发生击穿情况,会使T471各脚电压均下跌,引起保护电路启动,就是切断保护电路开关电源输出也不正常。此刻必须在+B电压后断开负载并加上100W的灯泡做假负载,断开保护总线PB后开关电源才会有输出,从而把故障压缩在行扫描电路,以利于快速查出故障部位。
顺便指出,三洋CMX2940K型彩电是A8机心,保护电路与TC2961D机的电路基本相同,也会出现自动停机故障,主要是虚焊故障和元器件引脚与电路板接触不良引起的。
该机去掉总保护最好的方法是焊开R8F6(1kΩ),按照上述处理问题的思路,便会很快找出故障。(张建忠)



