亮度信号处理电路的检修
松下NV-M7摄像机亮度信号处理电路由集成块IC3001(AN3215S)和IC3002(AN3321S)及外围元件组成。IC3001(AN3215S)是一只双列直插28脚塑封集成块,其内部主要功能为:重放时将视频磁头放大器送来的调频亮度信号进行限幅放大、调频变换,然后还原成亮度信号,再与色度信号合成为视频信号输出。记录时对视频信号进行AGC放大、黑白切割和钳位后变换成调频信号送到磁头放大器电路给视频磁头提供记录信号。
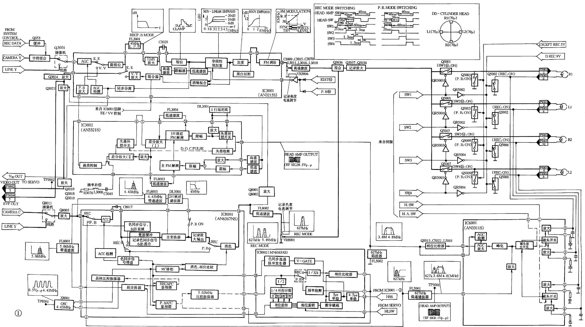
IC3002(AN3321S)是一只双列直插32脚塑封集成块,其内部设有亮度信号解调与失落补偿处理电路,用于摄像机重放视频信号处理,对重放亮度信号进行带通滤波、放大、限幅和解调。图1是NV-M7摄像机亮度/色度信号处理电路,其工作原理如下:

一、 亮度重放信号处理电路
来自磁头前置放大集成块IC5001输出的亮度调频信号经L5001、C5022、C5035相位均衡补偿后送到Q5013放大,再经陷波器FL5002除去627kHz色度信号成分,通过Q6014(图中未画出)放大后送到亮度信号处理集成块IC3002,然后进入内部失落补偿电路。当重放调频亮度信号无失落时,失落检测电路无控制脉冲输出,IC3002输入的调频亮度信号经失落开关直接从IC3002输出,经一行延迟线DL3001后从IC3002输入,然后经放大、限幅电路送往1H延迟FM解调器电路。当重放调频亮度信号发生失落时,失落检测电路输出控制脉冲使失落补偿开关接通,根据视频信号相关性的原理,可用前一行正常的亮度信号经放大后通过失落开关,然后从IC3002输出补偿失落处,若有多行失落,失落前一行信号可以反复通过IC3002输出经1H延迟线DL3001来补偿,直到信号恢复正常为止。同时IC3002输出未延迟调频亮度信号分别经高通和低通滤波器送到IC3002,然后进入内部进行双重限幅,经高通滤波器从输入的亮度高频信号进行放大;经低通滤波器对输入的亮度低频信号进行限幅,然后再将高频放大和低频限幅输出的信号进行相加,这样就可以防止高频分量的损失,再经限幅后送到主FM解调电路将频率变化的亮度信号还原成幅度变化的亮度信号。解调后的亮度信号由IC3002⑨脚输出,通过低通滤波器FL3003后从IC3002⑧脚进入内部分成两路,一路经放大后送到差分放大器(Ⅱ)正输入端,另一路直接送到差分放大器(Ⅰ)正输入端。1H延迟FM解调输出的亮度信号经低通滤波器FL3004后从IC 3002进入差分放大器(Ⅰ)负输入端,经差分放大后输出两个信号之差,取出信号中的噪声,通过失落开关送到差分放大器(Ⅱ)负输入端,经差分放大后噪声信号被消除。亮度信号经放大后送到画质控制电路,再经频率补偿后从IC3002输出送到IC3001⑥脚输入端。IC3001受系统控制微处理器IC6001输出的EE68号控制,在重放状态下IC3001输入低电平,IC3001内部EE/VV电子开关均倒向VV位置。亮度信号从IC3001⑥脚进入内部P·B放大器,此信号放大后经EE/VV电子开关送到副钳位电路,经钳位处理后恢复亮度信号直流分量,然后由IC3001⑧脚输出,再经4MHz低通滤波器FL3001后由进入12dB放大器,放大后分成两路输出,一路由输出经电容C3028耦合从进入内部钳位电路,经钳位后送到非线性预加重电路对信号高频分量进行提升;另一路经高通滤波器把亮度信号中高频噪声信号取出,经限幅倒相和低通滤波器后与非线性预加重电路送来的亮度信号混合,从而抵消了信号中的噪声干扰。消除噪声干扰后的亮度信号,经VV放大器和EE/VV电子开关后从IC3001紛{1}脚输出,再经Q3024放大后分成两路;一路输出黑白信号送到电子寻像器显示;另一路送到Q3021发射极与基极输入的4.43MHz色度信号混合成彩色视频信号,经Q3019、Q3018、Q3010放大后送到14芯插座J1503,然后通过电缆送到交流适配器视频输出插口和通过射频调制器后从RF插口输出射频信号。
二、 亮度记录信号处理电路
亮度记录信号处理电路主要由IC3001(AN3215S)内部录/放公共电路和记录信号处理电路组成。摄像机输出的亮度信号通过接插件P301⑦脚送到亮度/色度信号处理电路接插件P3003⑧脚,经CAM/LINE电子转换开关管Q3001后送到IC3001④脚进入内部AGC电路,在记录状态,系统控制微处理器IC6001输出高电平送到IC3001,IC3001内部电子开关均倒向EE位置,亮度记录输入信号经AGC电路后通过EE/VV电子开关进入副钳位电路,经钳位恢复直流分量后分为两路;一路通过EE/VV电子开关从IC3001紛{1}脚输出,经Q3024放大后从集电极输出送到电子寻像器显示以及经Q3021与4.43MHz色度信号混合,再经Q3018、Q3019、Q3010放大后输出视频信号送往14芯输出插座;另一路从IC3001⑧脚输出送往低通滤波器FL3001,FL3001截止频率为4MHz,只允许频率在4MHz以下的信号通过,经FL3001低通滤波后的视频信号中的4.43MHz色度信号被分离滤除。亮度信号通过FL3001后由IC3001进入内部12dB放大器,放大后的亮度信号从IC3001输出,经C3028耦合从进入内部钳位电路,钳位后的亮度信号输出分为两路,一路送往同步分离电路分离出同步头信号,经AGC检测电路送到AGC电路,如果同步头电平小,AGC放大器增益增大,反之减小,从而保证视频同步头信号输出幅度稳定。另一路经非线性预加重/去加重信号处理后进行黑白切割,然后送到FM调制器将调幅亮度信号变成调频亮度信号从IC3001输出,再经记录电流调节电位器VR3006后通过高通滤波器送到Q3036与降频色度变换电路送来的627kHz信号混合成调频记录信号,再经记录放大器Q3037、Q3038放大后送到双三极管Q5001、Q5007发射极,在时序脉冲控制下将视频信号送到视频磁头进行记录。
三、 常见故障检修方法
遇到这种情况,首先观察电子录像器屏幕上是否有雪花噪点,如果有雪花噪点,故障是由视频磁头脏污或磁头开关脉冲H·SW失常所造成的。这时可停机清洁视频磁头,如果清洁视频磁头后仍出现上述现象,可用示波器观察IC5001①脚H·SW和H·ASW磁头开关脉冲波形是否正常,不正常则检查伺服电路磁头开关脉冲产生电路。若正常,用放大镜观察视频磁头是否断裂损坏。如果观察电子寻像器屏幕上无雪花噪点,说明视频重放信号丢失,这时可用示波器观察TP3002测试点是否有视频输出信号波形,有输出,检查接插件P3004或电子寻像器接插件J1504及P701接触是否良好。无输出,则用示波器观察IC3002⑧脚有无亮度信号输入。如果无输入,检查低通滤波器FL3003是否虚焊,若IC3002⑧脚亮度信号输入正常,可用示波器顺着信号流程接着观察。如果在某处发现信号中断,可用500型万用表检查集成块IC3001、IC3002各引脚工作电压和在路电阻加以判断,集成块IC3001、IC3002各引脚工作状态电压和在路电阻正常值如表1、表2所示,或用示波器观察有关引脚的波形。
2.重放正常,记录无亮度信号
遇到这种情况先观察记录时电子寻像器屏幕上有无景物图像显示。若无图像,则用示波器观察IC3001④脚是否有视频亮度信号输入,开关管Q3001是否损坏,IC3001是否有高电平4.6V电压。如果电子寻像器内图像正常,则说明IC3001内部记录和重放公共电路工作正常。这时应重点检查IC3001是否有调频亮度信号输出,若无输出则应检查预加重、黑白切割和FM调制电路工作是否正常,可用万用表检查IC3001至这一部分工作电压和在路电阻。若IC3001输出调频亮度信号正常,这种情况下可检查记录电流调节电位器是否正常,高通滤波器元件有无脱焊,混合放大器Q3036和记录放大器Q3037、Q3038是否损坏。(黄福森)
