广西 蒙有年:
发光二极管、红外发射管、光电三极管若都是Φ5透明树脂封装,如何判别?

这三种不同的管子从外形上不能区别。但可用附图接一个简单电路进行测试。用长脚接一个100Ω电阻后接在3V电源的正极,短脚接3V电源的负极,并在长、短脚之间接一个直流电压表(0~2V或0~5V),根据电压表上的电压值即可判别:若是发光二极管,U=1.6~1.8V(并且可以看到发光);若是红外发光二极管,U=1.1~1.3V(不发光);若是光电二极管,因为它是反接的(e接正电压,c接负电压),U≈3V。

若在面包板上做试验,则十分简单。但要说明的是上述管子应都是良好的,试验结果才会正确。
(方捷)@
山东 王学海:
万用表欧姆挡刻度上一小格为多少?一大格为多少?
@
欧姆挡刻度线上一小格代表多少,一大格代表多少不能笼统而言,要看所选挡位在什么地方才能确定。如附图所示,如转换开关接在“×1k”挡,比如欧姆刻度线上5和10之间分了5个大格,则每大格代表:(10-5)÷5×1k=1k。5到10之间分了10个小格,则每小格代表:(10-5)÷10×1k=0.5k。如果选挡开关拨在“×10Ω”则每大格代表:(10-5)÷5×10Ω=10Ω;每小格代表:(10-5)÷10×10Ω=5Ω。

(沈征)@
北京 常文:
我在使用数字集成电路时,常听人说有拉电流输出和灌电流输出两种形式,这两种输出有何区别?

在使用数字集成电路时,拉电流输出和灌电流输出是一个很重要的概念,例如在使用反相器74LS04作输出显示时,图1是拉电流输出,即当输出端为高电平时才符合发光二极管正向连接的要求,但这种拉电流输出对于反相器74LS04只能输出小于0.4mA的电流,用这种方法想驱动发光二极管发光是不合理的(因发光二极管正常工作电流为5~10mA)。
图2为灌电流输出,即当反相器输出端UO为低电平时,发光二极管处于正向连接情况,参数给出在这种连接情况下74LS04能输出8mA电流,足以使发光二极管发光,所以这种灌电流输出作为驱动发光二极管的电路是合理的。因为发光二极管发光时,电流是电源+5V通过限流电阻680Ω、发光二极管流入反相器输出端,好像往反相器里灌电流一样,因此习惯上叫它“灌电流”输出。

(沈长生)
山东 王学海:
焊接集成块时要求电烙铁接地,以防损坏集成块,怎样接地?

接地不仅可以防止漏电所造成的危害,还能使静电感应产生的电荷或电路中的异常电荷及时传导到大地。
电烙铁接地就是将电烙铁的金属外壳引出线(图1中的地线),通过三线插头中的中间较长的铜片(接零线铜片,见图2),接到电源插座的接零(俗称接地)插孔(图3)。


如果所用电烙铁没有地线引出线,可以采取焊接集成块时拔下电烙铁的电源插头,利用余热焊接的方法。
(沈征)
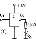
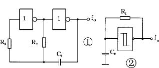
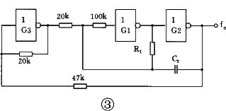
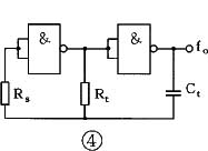
山东 王超:
一般由门电路组成的振荡器怎样计算振荡频率?

常用的由门电路组成的振荡器如附图1~4所示。振荡频率计算方法如下:图1电路是f\(_{o}\)≈0.45/(R\(_{t}\)C\(_{t}\));图2电路是f\(_{o}\)≈1.4R\(_{t}\)C\(_{t}\);图3电路是f\(_{o}\)≈1/(R\(_{t}\)C\(_{t}\)),它是图1的两倍;图4是由与非门组成的,它的频率与图1相同。
在上述计算中:电阻R\(_{t}\)单位为Ω,电容C\(_{t}\)为μF,频率f\(_{o}\)为Hz。
(方捷)

