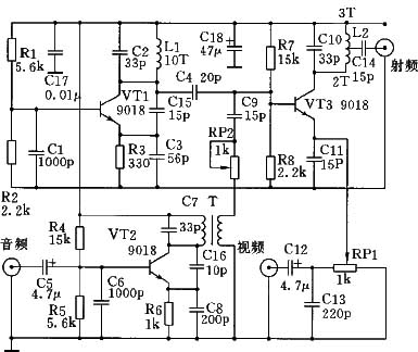
有些VCD机只有AV输出而没有射频输出,有些彩电只有射频输入而没有AV输入,此时便需要制作一个射频调制器。本文介绍一种用分立元件制作的射频调制器,取材容易,制作简单。电路原理图见附图。

工作原理:
VT1组成的振荡电路产生38.625MHz的图像载频基频信号,经C4加到VT3的基极,作为混频器的振荡输入信号。VT2组成6.5MHz振荡电路,同时在基极输入伴音信号,进行频率调制,T的次级输出调频伴音信号,这个信号也加到VT3的基极进行混频。VT3集电极谐振电路的谐振频率刚好为77.25MHz(四频道),即取基频的二次谐波频率。VT3的发射极输入视频信号进行混频。由混频器产生的全电视信号经C14输出。
这里,VT1和VT2组成的两个振荡电路均为典型的西勒电路,属于高稳定度LC正弦波振荡电路。电路的特点是要求晶体管的电流放大系数与工作频率成反比,即振荡频率越高,要求电流放大系数越小,这一点正好与克拉泼电路相反。西勒电路频率越高越容易起振,很适合业余条件下制作。VT3组成的混频器为基极输入振荡信号、发射极输入调制信号的混频电路。电路的特点是振荡信号与调制信号产生牵引现象的可能性很小,同时对于本振电压来说是共基极电路,其输入阻抗较小,不易过激励,因此振荡波形好,失真小。
值得注意的是,混频器必须工作在非线性区,也即VT3的发射极电流应为0.5mA左右(类似于超外差式收音机的变频管),这个电流随RP1的调节而改变,因此,调节RP1可获得较好的图像及伴音。另外经C4加到VT3基极的振荡电压U\(_{pp}\)(峰峰值)为100~200mV,经C9加到VT3基极的调频伴音信号电压U\(_{pp}\)为200~300mV,此时混频器方能正常工作,从电视机上看,图声都最佳。如调频伴音信号过高(实际制作中发现,T的次级仅2匝时,空载U\(_{pp}\)也高达2V),VT3将进入线性区而无法正常工作。本电路加的RP2即为调节此电压大小的电阻。RP2调得较小时,会出现伴音干扰图像的现象。
元器件的选用与制作:
VT1、VT2和VT3均选用9018,对β值要求不高,只要大于50即可。L1用Φ0.5mm漆包线在Φ4mm钻头上绕10匝,L2绕5匝,且在2匝处抽头。T用较易找到的收音机短波10×10mm2振荡线圈改制,拆去原线圈,用Φ0.1mm漆包线,初级绕20匝,次级绕2匝。电容除C5、C12和C18选用电解电容器外,其他均用瓷片电容器。电阻为1/4~1/8W金属膜电阻。RP1、RP2为微调电阻。整个电路用薄铁皮做一个屏蔽盒屏蔽。
调试:
一般地说,调试是高频电路设计与制作中较难的一个环节。本电路为解决这个问题设置了RP1和RP2,可使调试容易些。RP1调节混频电流大小,RP2调节伴音调频振荡电压输出的大小。VT1振荡输出因频率相对较高,其U\(_{P}\)P较小,不用调节。VT2输出因频率较低,其U\(_{PP}\)较大,故加以调节。
焊接完毕,仔细检查几遍,确认无误后即可通电调试。将RP1、RP2置于中间位置,先检查VT1、VT2是否起振。如有示波器,可观察振荡波形,并能根据波形周期粗略估算出振荡频率的值。如无示波器,简单的办法是在电源正极处串一电流表,用镊子碰触VT1和VT2的基极,整机电流(约10mA)应有所变化。
电路起振后,接上AV输入信号,将射频信号送到电视机射频输入端,在VL段调谐电视机,直至出现图像信号,调RP1使图像效果最佳,再调T的磁帽和RP2,使伴音最佳。此时可能图像最佳频率与伴音最佳频率不在一个点上,选择伴音最佳点处,用塑料棒调L1、L2间距,使图像最佳。
本调制器可安装于VCD机机内,电路板固定于机内适当位置,射频输出插座固定于后壳上,电源取自VCD机7805输出端,AV信号直接在机内从AV端子取出。
(张纯学)