松下A100、A130、A330、A350、A450系列DVD影碟机开关电源基本电路如附图所示,机型不同,电路稍有差异,但基本原理是一致的,本文对该系列开关电源电路及检修作些介绍,以飨读者。
一、 电路原理
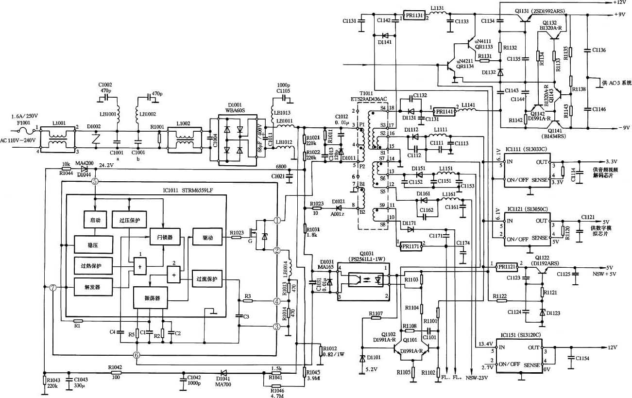
开机后,220V交流电经交流净化电路L1001、C1001、L1002及C1004进行净化滤波,再经D1001、C1011组成的整流滤波电路后输出+300V直流电压进入变压器T1011的③脚,再从⑤脚输出加到IC1011的①脚,为IC1011内部场效应开关管提供漏极电压,同时+300V电压经C1021滤波后加到IC1011启动端子⑤脚作为初始启动电压。
2.启动电路
开机后IC1011的⑤脚电压由0V上升到15.6V,IC1011内电路启动,场效应开关管G迅速导通,振荡器翻转,开关管截止,IC1011的①脚输出360VP-P的高频脉冲电压,开关电源启动。
3.输出电路
开关电源启动后,开关变压器⑦、⑧脚感应出一个下正上负的脉冲电压,经D1021、C1021整流滤波后为IC1011的⑤脚提供16.8V启动工作电压,此时,开关电源初始启动电路停止工作。同时T1011次级紛{1}、紜{1}脚输出FL+、FL-灯丝电压;紝{1}、紟{1}脚感应出的脉冲电压经D1161、C1161整流滤波后输出-23V直流电压供显示驱动电路使用;紞{1}、紟{1}脚感应出的脉冲电压经整流滤波和IC1151稳压后输出12V直流电压供驱动电路使用;紡{1}、紣{1}脚感应出的脉冲电压经整流滤波后产生+6.1V电压,分别为显示驱动电路、数字信号处理电路和解码电路提供+5V和+3.3V电压。紡{1}、紤{1}脚输出的感应信号,经D1141正向整流,C1137滤波、PR1131限流、再经L1131、C1133 LC滤波网络送到Q1131的c极,从其e极输出+9V电压;紡{1}、紥{1}脚输出的感应信号经D1131反向整流,C1131滤波,PR1141限流后,再经L1141输送到Q1141的c极,从其e极输出-9V电压。±9V工作电压供AC-3系统使用。
4.稳压电路
IC1011⑥脚是振荡器脉宽控制端。C1021上的17V整流电压经R1031、光电耦合器Q1031内光敏管集电极和发射极送到IC1011⑥脚,当T1011次级电压升高时,光敏管的c、e结内阻减小,其⑥脚电压随之升高,控制IC1011振荡器输出的脉宽减小,T1011次级电压得到稳定,反之,当T1011次级电压降低时,光敏管c、e结内阻增大,IC1011⑥脚电压降低,控制IC1011输出的脉宽增加,使电压拉升而保持了电压的稳定。
5.保护电路
(1) 启动电压过压保护电路
该电路设在IC1011⑤脚内,当输入⑤脚的电压超过约22V时,过压保护电路动作,输出一电压加至或门1的一端,经逻辑电路处理后输出一控制电压加至闩锁器,由锁定电路输出的信号通过或门2将振荡器关闭,从而达到了启动电压过压保护的目的。
(2) 芯片超温保护电路
当芯片温度超过设定的允许温度时,该电路就启动工作,并输出一个高电平信号加到或门1的中间输入端,锁定电路输出的信号通过或门2,将振荡器关闭,从而达到芯片超温保护的目的。
(3) 电源过压和开关管过流保护电路
IC1011的⑦脚与三路过压保护取样电压相连从而获得双重保护。一路是IC1011⑤脚电压经稳压管D1044、电阻R1044加到IC1011的⑦脚,当⑤脚电压异常并使D1044击穿,⑤脚电压就经D1044、R1044送到⑦脚,当⑦脚电压大于0.6V时,集成电路内的触发器翻转,并输出一高电平信号加到或门1的第三个输入端,并通过闩锁电路和或门2内的振荡器迫使振荡器停振,开关电源停止工作,达到了过压保护的作用。
另一路是进线脉动直流电压经R1045、R1046、D1041、R1042加到IC1011的⑦脚,当进线整流滤波端电压过高时,D1041二极管导通,IC1011⑦脚电压大于0.6V,内部触发器动作,振荡器停振,开关电源停止工作。
第三路是IC1011②脚上的电压经R1012取样,再经R1041、D1041、R1042加到IC1011的⑦脚。当该厚膜块的供电电压过高导致开关管②脚电压过高时,二极管D1041导通,使IC1011⑦脚电压大于0.6V时,振荡器停振,开关管停止工作。
通过以上三路信号电压加到IC1011的⑦脚,只要⑦脚电压超过0.6V,开关电源便会停止工作,从而达到进线电源和开关管过流过压保护的目的。
(4) 开关管反压保护电路
在厚膜块IC1011的①脚与②脚之间装有一只稳压二极管,当该管漏极与源极间所加的反向电压超过允许值时,该管反向击穿,电路过流,开关电源停止工作,从而达到保护开关管的目的。
(5) 过流保护电路
过流保护电路由IC1011④脚内过流保护电路和②脚外接的LB1014、R1012、R1013、R1014等元件组成。R1012为过电流取样电阻,其阻值为0.82Ω。当流过开关管中的电流峰值超过约1.5Ap-p时,R1012电阻上的电压降大于1.2Vp-p,此电压经R1013与R1014电阻分压后加到厚膜块IC1011的④脚,再经集成电路内的R3电阻加到过流保护电路。当④脚电压大于0.6V时,过流保护电路启动,并输出一信号加至或门2的另一信号输入端,振荡电路停振,使电源停止工作,从而达到过流保护的目的。
(6) 抑峰压保护电路
该电路主要由R1011、D1011、C1012、C1013等元件组成RC网络并接在T1011的③~⑤脚之间,以消除开关变压器T1011的初级绕组上的开关尖峰电平,保护开关管不因尖峰脉冲而击穿而造成永久性损坏。
二、 故障检修
例1:松下A100型,无电压输出。
分析与检修:开机测IC1011的②脚电压为0V,说明电源未启振。测IC1011①脚电压为+300V正常,测IC1011⑤脚输入15.6V直流电压也正常,判定IC1011正常,故障在IC1011⑤脚外围元件。经查整流二极管D1021击穿,IC1011⑤脚无正常脉冲输入而停振,更换同型号D1021后,故障排除。
例2:松下A100型,无电压输出。
分析与检修:开机测IC1011的①脚无+300V电压,说明故障出在交流进线电路,同时发现保险丝F1001烧断,检查滤波电容C1001正常,检查整流桥,发现该整流桥D1001已击穿,更换同型号桥堆或用4只1N4001二极管组成全桥整流后,故障排除。
例3:松下A100型,开机数分钟后自动保护。
分析与检修:检查电源电路发现电源厚膜块STRM6559LF严重发热,查为STRM6559LF热稳定性不良所致。用同型号厚膜块更换后,试机故障排除。
例4:松下A300MU型,自动保护。
分析与检修:开机后断开IC1011④脚分压电阻R1012,再按“PLAY”键后,机子仍不能工作,判定故障出在过流保护电路。检查取样电阻R1012~R1014,发现R1013(470Ω)变质,更换R1013电阻后,试机故障排除。
例5:松下A300MU型,市电偏低时,机子不能正常工作。
分析与检修:正常情况下市电电压在120V~260V,该机均能正常工作,出现本例故障应检查脉宽调制电路。具体检查基准电压形成电路Q1102、取样放大电路Q1101和光电耦合器Q1031。
开机测IC1101的⑤脚电压只有11.6V(正常应为12V),同时测Q1101的b、e极电压稳定,说明取样正常,焊下取样放大管Q1101检查,正常,判定为光电耦合器Q1031(PS2561L1-1W)不良,更换后,故障排除。
例6:松下DVD-A300MU型,开机后工作正常,约半小时便自动停机,待机指示灯及VFD屏均不亮。
分析与检修:故障出现时测厚膜块IC1011的①、②脚电压,实测①脚电压为+300V,②脚电压为0V(正常时应分别为+260V和0.24V),测IC1011各脚电压,发现⑥脚电压为2V左右(正常时应为0.5V)明显偏高,因IC1011⑥脚电压与17V供电电压有关,检查相关电路,发现D1031击穿,导致17V电压经R1023、R1031、D1031或C1031加至IC1011⑥脚,引起⑥脚内部电压上升,开关电源停振,更换D1031后,故障排除。
例7:松下A300MU型,开机无反应,指示灯也不亮。
分析与检修:测开关变压器的次级均无输出,测初级+300V电压正常,开机瞬间测IC1011的⑤脚无启动电压,查为启动电阻R1021烧坏开路。更换后,故障排除。
例8:松下A300MU型,电源打不开,待机指示灯不亮。
分析与检修:测IC1011的②脚电压始终为0V,说明电源未启振,测IC1011①脚电压为+300V正常,从IC1011⑤脚输入15.6V直流电源电压正常,判定IC1011正常,故障在IC1011⑤脚外围元件。经查整流二极管D1021已击穿,使IC1011⑤脚无正常脉冲输入而停振,更换同型号D1021后,故障排除。
例9:松下A300MU型,电源打不开,待机指示灯亮。
分析与检修:开机测IC1011的②脚在开启瞬间有跳变电压,说明IC1011已启振,重点检查保护电路或脉宽调制电路,测IC1011⑤脚外围元件取样电阻R1043、R1044电阻正常,检查保护电路R1031、R1044、R1013及D1044,发现D1044击穿,致使保护电路动作,更换后,故障排除。
例10:松下A300MU型,开机无反应。
分析与检修:测IC1011的①脚无+300V电压,说明故障出在交流进线电路,同时发现保险丝F1001烧断,查为滤波电容C1011(68μF/400V)漏电,此电容更换后,故障排除。
例11:松下A300MU型,开机后绿灯亮,红灯熄灭,按“PLAY”键后,红灯亮,绿灯熄灭,机子不工作。
分析与检修:此故障大多属于过流或过压电路不良。可采用以下方法进行分析:若断开IC1011④脚分压电阻R1012,再按下“PLAY”键,如果机子正常工作,则说明故障出在过流检测电路;否则说明故障出在过压保护电路。可检测IC1011⑤脚电压,若⑤脚电压超过保护阀值24V,其内部的过压保护电路就会动作,内部开关管便会截止。如正常,则检查IC1011的⑦脚脉冲电压,如脉冲电压超过4.7Vp-p,则重点检查其外接保护电路。
试断开IC1011④脚分压电阻R1012,再按“PLAY”键后,机子能正常,说明故障出在过流保护电路。检查电阻R1012~R1014,发现R1012(0.82Ω/1W)变质,更换同型号电阻后,试机故障排除。
例12:松下A450型,开机后工作正常,约半小时便自动停机,待机指示灯及VFD屏均不亮,关机一段时间再开机,故障排除。
分析与检修:故障出现时测厚膜块IC1011的①脚电压为260V,②脚电压为0.24V,正常,再测IC1011各脚电压,发现⑥脚电压为2V左右(正常时应为0.5V),偏高,说明电源停振的原因是⑥脚电压过高所致,查为C1031击穿而使IC1011⑥脚电压偏高。试用一只0.01μF瓷片电容代换C1031后,通电试机,故障排除。
例13:松下A450型,有时能正常启动,有时不能正常启动,有时启动后中途死机。
分析与检修:测电源厚膜块IC1011的①脚有+300V电压,但⑤脚电压为0V,说明启动电路存在元件接触不良或热稳定性不良故障。检查电源板,发现R1021与LB1011接点发黑,同时发现该脚与锡焊点之间有裂痕造成接触不良,过流保护电路动作,用烙铁将此脚补焊后,故障排除。
(张新德)
