国内外各电视机厂商都在积极跟踪逐行扫描技术的发展,因而出现了多种逐行/倍场的技术方案,这里以国内早期开发逐行/倍场实用技术,并为国内几个主要整机厂提供技术和配套产品的西安视创电子公司开发的西门子数字处理合成电路SDA9400为核心组成的逐行/倍场组件板在CH8001彩电机心上的应用为例,来说明当今国内逐行/倍场技术的发展现状。
1.SDA9400逐行/倍场电路的特点
SDA9400技术方案基于运动检测自适应帧间插值逐行/倍场方案,它既可以工作在逐行扫描方式,又可以工作在100Hz倍场方式,并可相互转换。它采用逐行扫描可消除行间闪烁,使图像更细腻、更清晰。所采用的倍场扫描方式可消除大面积闪烁,图像相当稳定,并采用了超级的运动检测电路,使显示的活动画面不拖尾。
2.组成
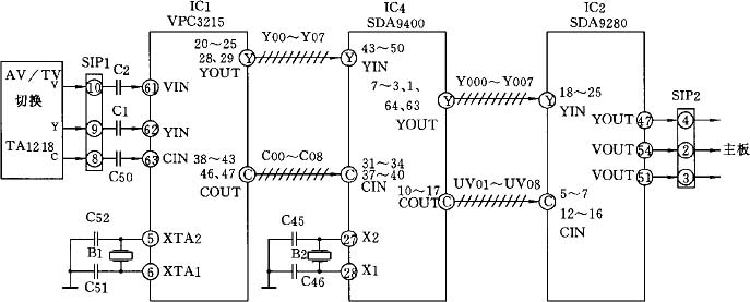
CH8001型机上的逐行/倍场电路主要由三块集成电路组,并集中安装在一块独立的数字处理板上,其电路相互关系及信号流程如右图所示。其中,IC1为VPC3215C集成电路,它用作模/数(A/D)转换和Y/C分离及解码处理;IC2为SDA9280集成电路,用作亮度延迟、亮/色信号的瞬态改善、数/模(D/A)转换以及倍频处理;IC4为SDA9400,它包括所有特征数据函数而形成单片IC,它是该组件板的核心,用作100Hz隔行扫描的适应算法、逐行扫描变换、多画面的显示和降噪处理。
图中,视频信号(V)从AV/TV切换电路TA1218输出,通过接插件SIP1⑩脚送到数字板,经C2耦合加到IC1(VPC3215C)。在S端子为Y、C信号时,分别从TA1218的YOUT端和COUT端输出亮度信号和色度信号,经接插件SIP1⑨、⑧脚送到数字板,经C1、C50耦合加到IC1和。进入VPC3215的视频信号V(或Y、C信号),在块内进行A/D变换,将模拟信号转变为数字信号。该电路的Y∶U∶V采用4∶2∶2的取样格式,即亮度信号分成4份,色度信号内的U、V信号各分成2份,因为整个图像的亮度信号所占的频率带宽较宽,故所用的数据量也大,亮度信号取样频率采用13.5MHz进行取样,色度信号的取样频率为6.75MHz。在IC1内含有两路8bit的A/D转换器,并可产生20.25MHz的时钟信号(IC1的⑤、⑥脚外接时钟振荡电路B1、C51、C52)。经过数字化的图像信号,其中亮度信号Y从IC18个引出脚并行数据输出;色度信号U、V从IC18个引出脚并行数据输出。分别送入倍频/逐行扫描变换电路IC4(SDA9400)的Y、C数字信号输入端(Y信号)及(C信号),在SDA9400内完成制式的识别转换,逐行扫描变换、倍频扫描变换、图像静止、多画面显示处理等,并在进行逐行变换中使用超强的运动检测电路,避免了活动图像的失真。经过SDA9400处理后,采用27MHz时钟频率将其读出(IC4外接27MHz时钟振荡电路B2、C45、C46),并从IC4的③~⑦、①、8个引出脚输出亮度信号的8位并行数据,⑩~8个引出脚输出色度信号的8位U、V信号并行数据。数字化的Y、U、V信号从IC4输出后直接送至D/A变换电路IC2(SDA9280)的(Y)和⑤~⑦、(U、V)。SDA9280是显示处理器,内含三路独立的8bit D/A变换器,分别完成亮度信号(Y)、色差信号(R-Y)、(B-Y)的D/A变换。该电路的数据输入格式采用4∶2∶2 CCIR656格式,输入的取样频率采用27MHz。另外还可将4∶3信号模式变换成16∶9模式,将16∶9模式信号显示在4∶3的屏幕上。同时该电路内具备有彩电增强电路,提高了图像的清晰度。经过SDA9280的D/A变换,将数字信号转为模拟的Y、U、V信号,此时输出的已经是倍频和逐行的Y、U、V信号,分别由IC2输出,经接插件SIP2的④、②、③脚输出,送入主机的R、G、B信号处理电路。
为了读图和检修上的方便,表1、表2、表3分别给出IC1(VPC3215)、IC4(SDA9400)和IC2(SDA9280)各引出脚的功能。


3. 逐行/倍场扫描技术的意义及市场前景
目前市面上销售的数码式彩电与未来的数字彩电并不是一回事。当前的数码式彩电只能接收模拟电视信号,它把模拟信号变为数字信号进行处理,即为模拟接收、数字处理。而未来的数字彩电是数字接收、数字处理。因而当前的数码式彩电是传统的模拟电视机与未来的数字彩电之间的一种过渡机型。根据我国的国情,这个过渡时间需要相当长的一个时期,因为要解决数字接收,必须先解决我国各电视台播送的模拟信号传送变为数字信号传送,这其中涉及到节目源的制作,发送设施的更新,这些都需要巨额资金的投入。根据业内人士的预测,21世纪前15年将是数字电视的起飞期,而这个时期将是模拟彩电、数码彩电、数字电视并存的一个时期。人们为了提高模拟彩电的图像和伴音质量,在模拟电视机的电路程式中,对中频解调后得到的第二伴音中频、音频信号和视频信号,进行了A/D变换,将模拟信号变为数字信号再进行一系列的处理和校正。对于高频信号及混频后得到的中频信号,由于频率高、当前的A/D变换技术还不能够十分经济合理地处理,虽经改进后的图像质量有所提高,但由于现有模拟电视体制和采用的隔行扫描方式难以克服画面闪烁的缺陷,使画面上的图像难以稳定,为此世界各国的电视开发商,如飞利浦、西门子、Trident、NDSP等公司纷纷投以巨资,积极开发各自的逐行扫描技术及其集成电路,力求在此广阔的市场中占领较大的份额。从1997年以来,国内一些电视科研单位也相继开发了自己的逐行/倍场数字处理组件和大屏幕逐行彩电机心,并成功地在国内一些知名品牌的彩电中应用。当前,国内的逐行/倍场扫描技术已相对比较成熟,关键是价格昂贵。一台大屏幕逐行扫描彩电的价格,一般消费者难以接受。今年以来,随着新型集成电路的出现和一些专用器件功能的改进,使成本有所降低,据笔者了解,西安视创公司新近开发出的逐行/倍场扫描数字处理板成本价可控制在500元以内,加上相关的行场偏转部分所增加的成本,可使大屏幕逐行扫描彩电机心和传统单片模拟机尺寸一样,价格控制在1300元以下,能使广大消费者所接受,这为逐行扫描彩电开辟了广阔的市场前景。
(王锡胜)