山东 丁晓光:
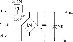
附图中的C1是什么电容?如果Uo两端并联一个1000μF的电容C2,此输出电压波形会不会变得平滑?此输出电压可不可以接入小型录音机中使用?
@
附图中的C1是一个降压、限流电容。它一般采用耐压大于400V的金属化聚苯烯电容、金属化涤纶电容器或聚丙烯电容器。
如果在Uo两端并联一个1000μF的电解电容器C2(其耐压值要大于稳压二极管的稳压值),输出电压的波形会变得平滑,但并不完全是一条直线,而是在直线上还叠加了一些纹波电压。此输出电压虽然可以接入小型录音机中使用(图中接C1的一端必须接相线L,另一端接零线N,以防触电),但为了安全(万一插头插反,则有危险!),建议不使用此电路。另外,C1的容量与所输出的电流有关。当C1=0.22μF时,它仅能输出15mA左右,而当C1=1μF时,它约输出70mA。
这种电路仅适用完全封闭的绝缘的小型仪器或电子装置中。
广东 张灿良:
在自学家电维修的实践中,常常遇到无图纸的故障家电,为了解家电电路特点,请介绍怎样把实物(即印制板)绘成原理图。

这是自学家电维修的电子爱好者时常遇到的问题。把实物转化成原理图是一项很复杂的工作,尤其是对结构比较紧凑的小家电难度就更大。下面介绍几点经验供参考。
1.弄清元器件:把实物转化成原理图,首先要对各种常用元器件有一个基本了解,比如晶体管的e、b、c,集成电路的管脚功能、元器件的结构特点等(可通过查找资料或找别人咨询),这样在绘制原理图时就可以作到心中有数。
2.顺藤摸瓜:首先找出电源的正、负极引线,然后根据这两条“主藤”再分析挂在上面的“瓜”(元器件)。
3.找好参照物:绘制原理图时,可以找一些比较明显的元器件所在的印制铜箔作参照物,然后再找准旁边的元器件在参照物的什么方位。
4.灯光照射法:一般印制板都是环氧树脂板,把灯光(或较强的自然光)从印制铜箔一边照过来,绘制者从元件面看过去,元器件在印制铜箔上的位置及印制铜箔的走向就比较清楚了。
5.探测法:对拿不准的元器件引脚位置,可以将该元器件焊下来,然后插入一根钢针穿到印制铜箔一边,就可以从穿出的针尖位置看出这个元器件引脚位置。注意拆完一个引脚后要马上焊回去,千万不要一下拆得过多,否则若有一个引脚没记清就可能造成全局故障。
6.分析复查:对画出的原理图可根据类似的产品图纸或通用元器件的规律复查,如NPN型晶体管的集电极总是直接或间接通到电源正极,发射极总是直接或间接地通到电源负极。
(沈长生)@
安徽 赵云冲:
在没有标识的情况下,如何分别高低频电容器?贴片式电容器是否都可以用在高频电路中?

电容器的介质材料直接关系着它的工作频率。一般高频电容有高频独石瓷介电容、高频陶瓷玻璃釉电容、云母电容、圆片形高频瓷介电容、管形高频瓷介电容等。但要注意的是同样外形的圆片形或管形瓷介电容,有的采用高频瓷,有的采用低频瓷,前者为高频电容,而后者为低频电容。所以从外形是不能区别的。能区别的主要是型号:型号为CCX(X表示分类)是高频瓷介的,CTX则是低频瓷介的(即第二个字母是C时,才为高频电容)。目前贴片式电容器主要是多层陶瓷电容,但有少数是涤纶电容。所以并不是贴片式电容器都可用于高频电路。高频电容(如用于谐振回路)要求损耗小,稳定性高(温度系数小),但无法从外形上看出来。一般不要用卷绕式电容器(如涤纶电容、纸介电容),它们都不适用于高频电路,而一般圆片瓷介或管状瓷介电容是适合高频的,云母电容尤其适用于高频电路。
(方捷)@
北京 周岩:
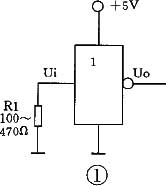
我在进行数字集成电路小制作时,在资料上常看到上拉电阻、下拉电阻的提法,不知它们起什么作用。

在数字电路的应用中,上拉电阻、下拉电阻起着稳定工作状态的作用。附图所示的反相器(如74LS04),输入端Ui通过R1接地,这样在没有高电平输入时,可以使输入端稳定地处于低电平状态,下拉电阻R1一般取值为100~470Ω。
图2为上拉电阻的连接方法,当反相器输入端Ui没有输入低电平时,上拉电阻R2可以使反相器输入端稳定地处于高电平的状态。电阻R2一般取值为4.7kΩ~10kΩ。
(沈长生)@
广东 张灿良:
在检修袖珍收音机时,遇到小型带开关电位器损坏,这种电位器大多是用铆钉铆在印制板上,并焊了一层焊锡,怎样拆下这样的电位器,而又不损坏印制板呢?
袖珍收音机的小型带开关电位器很多都是用铆钉铆在电路板上的,用电烙铁是烫不下来的。这里介绍一种简单易行的办法:如附图中电位器上的虚线所示,用折断的钢锯条或刀型什锦锉,沿虚线把电位器铆在电路板上的两个焊片(一般都是电源开关焊片)锯断,再烫下焊在电路板上的三个可变电阻的引出焊片(A、B、C), 电位器就可以取下来了。新的电位器安装时,只要把两个电源开关焊片焊在铆钉处即可。
(沈征)
