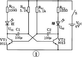
前不久,无线电小组的同学们参加了“三级少年电子技师”的测试,成功地组装、焊接了多谐振荡器电路(图1)。很多同学都希望进一步了解三极管的开关特性和多谐振荡器的工作原理。为此,在活动课上由老师进行辅导,并组织同学们进行了讨论。

同学:老师,您曾经给我们讲过,多谐振荡器属于三极管开关电路,它跟放大电路完全不同。请问您什么是开关电路呢?
老师:开关电路的特点就是电路中的三极管不再起放大作用,而是作为无触点电子开关用来接通和切断电路。例如,你们组装过的多谐振荡器中,红、绿两个发光二极管就是由三极管开关控制它们点燃与熄灭的。
同学:三极管为什么能作开关元件呢?
老师:大家对三极管作放大元件都比较熟悉了。实际上,三极管在电路中可以工作在三种状态,这就是放大状态、截止状态和饱和状态。我先问你们,三极管放大状态的特征是什么?
同学:三极管的放大作用是指它的集电极电流I\(_{c}\)是基极电流I\(_{b}\)的β倍,就是I\(_{c}\)=βI\(_{b}\)。I\(_{b}\)有一个变化量ΔI\(_{b}\),I\(_{c}\)也会有一个变化量ΔI\(_{c}\),ΔI\(_{c}\)=βΔI\(_{b}\)。
老师:对了。可是,三极管在电路中能够起到放大作用,必须满足哪些外部条件呢?
同学:我记得您给我们讲过,三极管作放大元件使用时,必须给它的发射结外加正向电压,给它的集电结外加反向电压,这时候就能建立起一定的电流分配关系,I\(_{b}\)对I\(_{c}\)才有控制作用,就是I\(_{c}\)=βI\(_{b}\)。
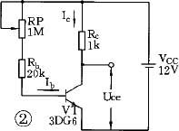
老师:回答很正确。为了说明三极管的开关作用,我们还需要从最简单的放大电路(图2)开始讨论。大家先看放大电路的输出回路,这里,电源电压V\(_{CC}\)在回路中进行分压,一部分是I\(_{c}\)R\(_{c}\),另一部分是U\(_{ce}\),列成等式就是V\(_{CC}\)=I\(_{c}\)R\(_{c}\)+U\(_{ce}\),也可以写成U\(_{ce}\)=V\(_{CC}\)-I\(_{c}\)R\(_{c}\)。请大家注意,式子里V\(_{CC}\)和R\(_{c}\)可以看作是不变的,Ic受Ib控制,就是Ic=βIb。我们逐渐减小RP的阻值,使Ib逐渐增大,Ic也将随着成比例的增大,相应地U\(_{ce}\)就会减小。当I\(_{b}\)增大到一定数值后,会使I\(_{c}\)R\(_{c}\)=V\(_{CC}\),迫使U\(_{ce}\)=0。大家想一想,一旦出现这种情况,再继续增大I\(_{b}\),I\(_{c}\)还能不能随着增大呢?

同学:我想一旦出现I\(_{c}\)R\(_{c}\)=V\(_{CC}\)的情况,I\(_{c}\)就不可能再跟随I\(_{b}\)的增加而增大了。因为U\(_{ce}\)=0,I\(_{c}\)R\(_{c}\)=V\(_{CC}\),那么I\(_{c}\)=V\(_{CC}\)/R\(_{C}\),V\(_{CC}\)和R\(_{c}\)是不变的,所以I\(_{c}\)也就被V\(_{CC}\)和R\(_{c}\)所确定了。
老师:是这样,这就是说,当I\(_{b}\)足够大时,I\(_{c}\)已经达到了可能出现的最大值,这就是三极管的饱和状态。三极管饱和后,I\(_{b}\)对I\(_{c}\)就失去了控制,这时的I\(_{c}\)称为饱和集电极电流,用I\(_{cs}\)来表示。由于U\(_{ce}\)=0,所以三极管c、e之间相当于短路,我们画出它的等效电路(图3),大家看看,这时的三极管在电路中扮演着什么角色呢?

同学:噢!三极管c、e之间相当于一个接通的开关。
老师:对。只要使三极管的基极电流I\(_{b}\)足够大(I\(_{b}\)≥I\(_{bs}\)=I\(_{CS}\)/β,使I\(_{c}\)=I\(_{cs}\),管子就进入了饱和状态,它在电路中就相当于一个接通的开关。实际上,三极管饱和时,c、e之间还会有一个很小的电阻,所以U\(_{ce}\)也不可能变成零。一般小功率硅三极管饱和时,U\(_{ce}\)近似等于0.3V,称作饱和压降,用U\(_{ces}\)表示。如果用图来表示三极管饱和时各极之间的电压(图4),可以看出,U\(_{b}\)>U\(_{e}\),发射结是正向偏置;U\(_{b}\)>U\(_{c}\),集电结也变成了正向偏置。

同学:怎么使三极管“开关”切断电路呢?
老师:三极管饱和,相当于开关的“开态”。不难理解,三极管的“关态”就是回路电流I\(_{c}\)=0,U\(_{ce}\)=V\(_{CC}\)(图5)。
同学:明白了。如果使三极管截止,I\(_{b}\)=0,I\(_{c}\)也就等于零了。
老师:这就很清楚了。只要使三极管在饱和与截止两种状态之间转换,在电路中就能起到无触点开关的作用。在数字电路中,常常在三极管的基极加上脉冲信号,控制三极管的“开”和“关”(图6)。当输入正脉冲(或高电平)时,三极管饱和,相当于开关的接通;当输入端悬空或接地时,三极管截止,相当于开关的断开。三极管的基极输入端不断地从高电平跳变到低电平,又从低电平跳变到高电平,在集电极输出端就可以获得连续的矩形脉冲。
同学:三极管的开关特性我们都明白了。在分析多谐振荡器电路(图1)时,两个三极管VT1、VT2的电路是对称的,合上电源开关S,电源V\(_{CC}\)同时通过R\(_{b1}\)、R\(_{b2}\)向VT1、VT2提供基极电流,两个管子同时导通并达到饱和,怎么能够产生振荡呢?
老师:问题提得很好。大家还需要进一步学习和掌握脉冲数字电路的分析方法。从电路图(图1)上看,VT1、VT2两个三极管开关电路是对称的,可是必须提醒大家记住,对称总是相对的,不对称是绝对的。两只管子在导电性能不可避免地会存在着微小的差异。假设VT1管导通优先于VT2管,也就是I\(_{b1}\)上升得比I\(_{b2}\)稍快一些,这时I\(_{c}\)1也就上升得稍快一些,相应地U\(_{c}\)1下降得也会快一些,这个变化量通过电容器C1的耦合,使VT2管的基极电位U\(_{b2}\)下降,I\(_{b2}\)、I\(_{c2}\)下降,引起U\(_{c2}\)上升,这一变化量又通过电容器C2加到VT1管的基极,使VT2管的基极电流I\(_{b1}\)进一步增大,形成一边倒的倾向,这样的连锁反应叫做正反馈。正反馈过程如同雪崩一样,进行得极为迅速,几乎在瞬间,使VT1管进入饱和状态,VT2进入截止状态。这就是说,VT1管相当于接通的开关,所以红色发光二极管VD1点燃;VT2管相当于断开的开关,所以绿色发光二极管VD2熄灭。这时,VT1管集电极输出低电平,VT2管集电极输出高电平。值得注意的是,这种状态不是稳定的,只能称作暂稳态。这主要是因为电路中接入了储能元件——电容器。电容器的充电和放电,引起了电路状态的交替转换。现在哪个同学来分析一下电容器的充电过程。
同学:我来试试。我先画一个VT1管饱和、VT2管截止的等效电路(图7)。从图上可以看到,电源V\(_{CC}\)通过R\(_{b2}\)向电容器C1充电,在C1上的充电电压是左负右正。
老师:是的。需要注意,电容器C1的充电过程是需要经历一定的时间的,R\(_{b2}\)、C1越大,充电时间越长,暂稳态维持的时间也越长。在充电过程中,VT2管的基极电位U\(_{b2}\)在逐渐升高,当U\(_{b2}\)上升到VT2管的导通电压U\(_{be2}\)≈0.5V时,VT2由截止变为导通,这时I\(_{b2}\)在逐渐增大,I\(_{c2}\)随之增大,U\(_{c2}\)则逐渐下降,通过C2的耦合,使U\(_{b1}\)也逐渐下降……,出现了正反馈的连锁反应,几乎在瞬间,使VT2管饱和、VT1管截止,电路进入第二个暂稳状态。
同学:再画出等效电路(图8)就更清楚了。这时候,电源V\(_{CC}\)又通过R\(_{b1}\)向C2充电,使U\(_{b1}\)逐渐上升,最后导致VT1管饱和、VT2管截止,电源V\(_{CC}\)再一次通过R\(_{b1}\)向C2充电……。这样周而复始地进行下去,电路就产生了振荡。

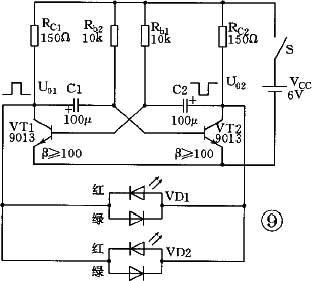
老师:分析得很好。多谐振荡器接通电源以后,就能自己振荡起来,它没有稳定状态,所以又叫它无稳态电路。由于两只三极管不停地在饱和与截止两种状态下交替转换,集电极输出端U\(_{0}\)1、U\(_{0}\)2就交替地在低电平和高电平之间周期性地变换,产生了连续的矩形脉冲。所以,多谐振荡器在数字电路中常常作为脉冲信号源。多谐振荡器的应用是灵活的和多种多样的。请同学们再来看这张电路图(图9),利用它可以制作一个眼睛会不断改变颜色的小猫。电路中用了两只双色发光二极管,它们随着多谐振荡器的振荡,交替地发出红光和绿光。现在谁来分析一下发光二极管是怎么改变颜色的?

同学:这两个双色发光二极管是并联跨接在多谐振荡器两个三极管的集电极输出端之间。VT1管饱和时,VT2管截止,U\(_{0}\)1为低电平,U\(_{0}\)2为高电平,两个双色发光二极管中的红色发光二极管正向偏置而导通,管子发红光;电路转换成VT1管截止、VT2管饱和时,U\(_{0}\)1变为高电平,U\(_{c2}\)变为低电平,两个双色发光二极管发绿光。
老师:是这样。同学们已经开始学习和运用脉冲数字电路的分析方法。为了帮助大家熟悉三极管的开关应用,再来一起分析一个磁控开关电路(图10)。这个电路用来控制三极管完成开关动作的元件是干簧管(也叫磁簧开关)。在没有磁铁靠近干簧管时,干簧管的接点是断开的,VT1管没有基极电流,处于截止状态,红色发光二极管VD1不亮,VT1的集电极为高电位,经电阻分压耦合,使VT2饱和,绿色发光二极管VD2点燃。当有磁铁靠近干簧管时,干簧管内部的簧片接点被磁化而吸合,接通了VT1管的基极回路,电源V\(_{CC}\)通过R1向VT1管注入足够大的基极电流,使VT1管饱和,红色发光二极管VD1点燃。VT1饱和后,集电极输出低电位,经电阻分压耦合,使VT2管截止,绿色发光二极管VD2熄灭。这种形式的开关电路又称为施密特电路。
(宋东生)