笔者利用常用的电子元器件自制了一个电子盆景,放在居室内,可为生活增添欢乐和情趣。
一、 电路工作原理
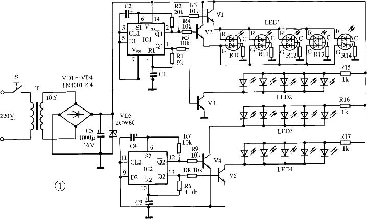
电路如图1所示。IC1~IC4是两片双D触发器CD4013,构成4个自激多谐振荡器。每一个振荡器的振荡周期T取决于两个时间常数T1、T2。以IC1振荡器为例,T1=0.7R1C1,T2=0.7R2C2,则T=T1+T2。T1和T2是两个完全独立的RC网络。按图1中数值,IC1的T1为0.6\(_{s}\),T2为1.4\(_{s}\),故T=2\(_{s}\),f=0.5Hz;IC2的T1为0.3\(_{s}\),T2为0.7\(_{s}\),T=1\(_{s}\),f=1Hz;IC3的T1为0.2\(_{s}\),T2为0.5\(_{s}\),T=0.7\(_{s}\),f=1.4Hz;IC4的T1为0.1\(_{s}\),T2为0.4\(_{s}\),T=0.5\(_{s}\),f=2Hz。由于篇幅关系,图1中只画出IC1、IC2电路,IC3、IC4电路未画出,与IC1、IC2电路基本一样。而且IC1~IC4共用一组稳压电源、一个开关S。不同的是,IC3的RC网络中R1为3k,R2为7.2k,IC4网络中R6为1.5k,R7为6k。

该电路就是利用Q、Q-端交替输出有8个不同的LED闪光速率,可得到不同的闪烁效果。每一个振荡器的两个输出端均经晶体管V放大,驱动LED灯组发光。每一LED灯组各由5只发光二极管组成、LED1灯组采用2EF302三色变色发光二极管,当其R极与C极、G极与C极之间都加正向电压且有电流通过时,管子发橙色光。LED2~LED4分别是黄色、红色、绿色发光二极管灯组。
如果将这40只发光二极管的发光颜色搭配得好,再加上LED在盆景上放置位置适当,就会产生令人满意的发光效果。
S是电源开关,合上S,市电经变压器T降压,VD1~VD4桥式整流、C5滤波、VD5稳压后得到约12V稳定直流电压供灯光控制电路使用。
二、 元器件选择
所有晶体管V均选用9013等NPN型硅三极管,β>90。C1~C8选用100μF/16V电解电容器。R10~R14选用470Ω电阻。S为小型轻触型电源开关CS-316。T选用220V/10V、5W的小型电源变压器。LED型号不拘,为了追求闪光效果,即使同一组的5只LED也不一定是一种颜色。如嫌LED数目太少,可适当增加,但须选用Pcm稍大的晶体管,如8050、DD01等。
三、 制作
图2是线路印制电路板(IC3、IC4与图2一样,未画出)。制作时,可按不同的盆景形状,有机地将40只LED放在其间,LED用各种透明丝带扎在盆景上,再用Φ0.08mm漆包线将LED引至印制板上。漆包线亦可用各种颜色油漆一遍,与LED附近盆景颜色相仿。

适当调节RC网络中R阻值,使IC1~IC4的Q与Q-端输出频率各不相同即可。
(苏成富)