LM8365是日本三洋公司出品的大规模数字式电子钟集成电路,它采用双列直插、42脚塑料封装及PMOS工艺制作,具有功耗低、驱动能力强、计时精度高等特点。但LM8365的输出端只能显示3位半的时间信息(显示“时:分”),不具备秒显的功能,为此笔者设计制作了一种数字式60s显示电路,从而实现了5位半(时:分:秒)时间信息的完整显示。
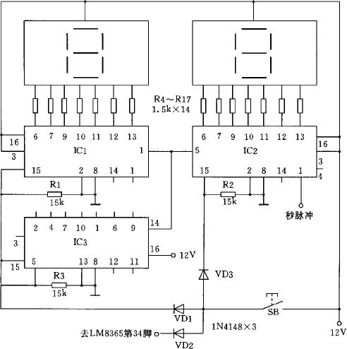
附图为数字式电子钟60s显示电路的电原理图。其中IC1及IC2分别为两片CD4026(十进制计数/七段译码器),其①脚为时钟脉冲输入端,⑥、⑦、⑨、⑩、为七段数码输出端,为复位端。IC3为CD4017(十进制计数/分配器),为时钟脉冲输入端,为复位端,其③、②、④、⑦、⑩、①、⑤、⑥、⑨、依次为10路输出端,当输入时钟脉冲时,10路输出端依次输出高电平,而在任意时刻只能有一路为高电平,其它9路均为低电平。SB为低位(分钟)校正按钮,当SB按下时,将12V电压通过VD2至LM8365,使数字钟处于分钟校正状态,同时VD1、VD3处于正偏,使IC1、IC2、IC3均被复位,秒显数码为“0 0”,而CD4017的③脚则输出高电平,当分钟校正完毕,松开SB的瞬间,分钟和秒的计数同时开始,这样就能使秒进位与分钟进位保持同步。
随着IC2(CD4026)的①脚1Hz秒闪脉冲(来自LM8365)的输入,IC2输出端的七段数码由0到9变化,当七段数码由9回到0时,其⑤脚输出一个进位脉冲,此进位脉冲使IC1输出端的七段数码由0变为1,同时使IC3(CD4017)的②脚输出高电平。当IC1(CD4026)输出端的七段数码依次为2、3、4、5时,十进制计数/分配器CD4017的④、⑦、⑩、①脚相应输出高电平。当IC2的①脚输入第60个秒闪脉冲时,其⑤脚输出第6个进位脉冲,使IC3(CD4017)⑤脚为高电平,此高电平同时使IC3及IC1复位,秒显的两位数码为“0 0”,至此即完成了60s的显示过程。当IC2①脚继续输入秒闪脉冲时,重新开始60s的显示。

(张凤良)