激光有着广泛的应用,在通信领域中也不例外。因为激光也是一种电磁波,而且是一种波长更短的电磁波,所以它也和无线电波一样可以传输声音信号和图像信号。由于激光的散射很小,不像电磁波那样向四周扩散,所以它的保密性很好。本文介绍的激光传输演示装置电路简单,制作容易,可以直观地演示激光传输的效果。
一、 电路的工作原理
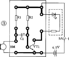
图1是激光传输演示装置的发射部分电原理图。图中小话筒BM可以将声音信号转变为电信号,电阻器R1为小话筒的工作提供了一个工作电压。电阻器R2为三极管的直流偏置电阻,保证三极管VT1工作在线性放大状态下。由话筒产生的音频信号通过电容器C1送到了三极管VT1的基极,使三极管的基极电流随着音频信号的变化而变化。这样使接在三极管集电极上的激光发射二极管中的电流受到音频信号的调制,通过激光光束把音频信号传输出去。为了便于制作和普及,激光发射二极管选用的是市场上常见的激光笔的笔心,这种笔心上已经连接有一只68Ω左右的限流电阻器。

图2是激光传输演示装置的接收部分电原理图。光信号接收传感器为硫化镉光敏电阻器,这种光敏电阻器有较高的灵敏度,而且使用也很方便。在一般状态下光敏电阻器的阻值是稳定的,当受到经过音频信号调制的激光光束的照射时,它的阻值就会相应地发生变化,使电阻器R3上的电压跟着发生波动,这个波动电压经过放大,最后可从耳机听到声音。电路的前两级采用的是相同的电压并联负反馈电路,由三极管VT2、电阻器R4、R5和VT3、电阻器R6、R7等组成。这种电路结构简单,稳定性好,调试容易。由三极管VT4构成驱动电路,直接带动耳机发声。电阻器R8是负反馈电阻,保证电路直流工作点的稳定,电容器C4是旁路电容器,使音频信号不受负反馈电阻的影响。

二、 元器件的准备
电路的发射与接受部分共用了8只电阻器,全部为1/8W碳膜电阻器。其中2.7kΩ、30kΩ和100kΩ的电阻器各两只;100Ω和10kΩ的电阻器各一只。0.033μF电容器和33μF电解电容器各两只;100μF/10V电解电容器一只。9014等NPN型三极管共4只。光敏电阻器一只,要求光敏电阻器受到光照时的阻值应小于5kΩ,在黑暗情况下阻值应大于1MΩ,可选型号为MG41-22的光敏电阻器。小型开关两只,小驻极体话筒一只,耳机一只,激光笔的笔心一只。电路板两块。
三、 电路的制作
按图3和图4将元器件焊到电路板上,激光发射装置部分要注意激光头正负极的连接,并根据所用激光头的不同将它安装在电路板上。接收装置的安装没有特殊要求,要根据实际情况将光敏电阻器放在便于接收信号的位置。


四、 调试与使用
首先进行激光发射装置的调试,激光发射装置的工作电压为4.5V。电路的工作电流约15mA,三极管VT1的集电极电压应为1~1.5V。如果不合适,可以调整电阻器R2的大小,R2的阻值越小,集电极电压越低。
做好激光发射装置后就可以进行接收装置的调试,接收装置的工作电压为3V。由于光敏电阻器的差异性较大,同时接收装置受使用环境的影响,光敏电阻器两端的电压可能变化很大。为了获得较高的灵敏度,可以调整电阻器R3的阻值。在光敏电阻器受到激光照射时,电阻器R3上的电压应在1~2V的范围内。注意接收装置的光敏电阻器不应受到阳光的直接照射,可以给光敏电阻器做一遮光罩。
在使用这个激光传输演示装置时必须将激光光束照射在作为接收传感器的光敏电阻器上。如果用物体遮挡光束或光束偏离,信号都不会被接收到。如果有兴趣也可以用镜子来反射光束,只要激光光束能反射到光敏电阻器上,信号就可以被传输。最后可以试验一下这个激光传输演示装置对信号的有效传输距离。
(周海)