本文介绍的多路无线遥控电路采用专用解码集成电路,使整个接收处理电路大为简化,它广泛应用在需要多路防范戒备的防盗系统、大型停车场客户进出管理、医院病人呼叫、酒家客房对总台呼叫、教学提问抢答等场合。
多路遥控电路由接收主机、配套的查阅/清零遥控器以及各独立的发射器组成,下面分别介绍。
一、 接收主机电路:
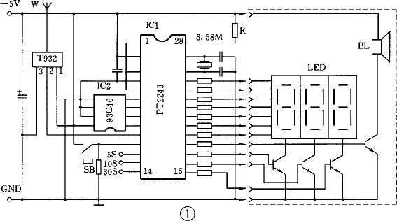
原理见图1。专用解码芯片PT2243是该电路的心脏,它除具有动态扫描解码功能外,还含有三位数字译码电路、音频功能提示及延时电路等。

图1中,当高频接收组件T932收到由发射器送来的无线编码信号时,经脉冲电路解调整形后,从T932的2脚输出已还原的地址码、交叉加密码、数据码、时钟密码等信号,此信号加到PT2243的⑩脚,经内部动态解码扫描器确认此信号全部有效时,从相应的端口输出3位数字译码信号,可直接驱动3位7段LED显示屏。也可供用户与其它电路连接,例如PC机管理。是有效数据音源提示端,每次接收到有效数据时输出10秒间歇蜂音信号,如不清零,该端每隔30秒提示一声,表示机内存有数据。该接收机可储存大于60组由发射端送来的数据码,且掉电也可长期保存。
外接的3.58MHz晶振为系统提供精确的时钟。为系统复位端。12、13、14脚分别是解码有效5秒、15秒、30秒高电平输出端,可以配合待机显示亮度控制或外接报警时间控制等功能。是密码学习记忆、消除端,供厂家初始化及用户重置发射机时使用。综上所述,PT2243是一片动态解码、译码及多功能输出的专用芯片。其外围电路极为简洁。
二、 查询/清零遥控器
与接收主机配套的查询/清零遥控器,是一只可以随身携带的微型无线遥控器,它可对主机显示的或储存数字进行翻页查询或清除。其内部是由编码电路和高频发射电路组成。与以下介绍的发射器工作原理基本一致,只是数据码的控制略有区别。
三、 遥控发射电路
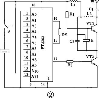
接收主机可接收由不同位置、不同监测功能发射器发来的数字信息,其发射电路是大同小异的,见图2。图中,IC3是常用的编码电路PT2262,在这里为了配合专用的解码芯片,其地址码选用A0~A5三态组合编码,而数据控制选用A6~A10,其接高、低电平及空置可三态组合243组数码来代表各发射机的身份号码,通常该状态由厂家根据发射器组合地址重复的机率,采用A11端作加密控制,以及配用不同的加密电阻RS来设定增加地址密码的组数,并通过频率交叉发射技术,使产品具有极高的保密度。

编码脉冲从IC3的17脚串行输出,通过VT2向由VT1、B等组成的高频发射电路进行调制。发射电路可采用常规LC振荡或晶体稳频发射电路,前者成本低,后者工作较稳定,图2属于稳频发射电路,供读者参考。
四、 实际应用
该多路遥控电路的应用范围很广泛,尤其是应用在多点位的控制,下面介绍该电路在医院病房呼叫显号装置上的应用。
将发射器安装在病人床头,只要按动床头遥控开关,放置在值班室的主机便会发出蜂鸣提示音及数码显示位置,以及30秒周期性提示,值班员可用查询遥控器进行清零或翻页读出曾呼叫而未清零之数码。该装置在医院使用的最大特点是安装无需布线,实用性强。
(蔡凡弟)