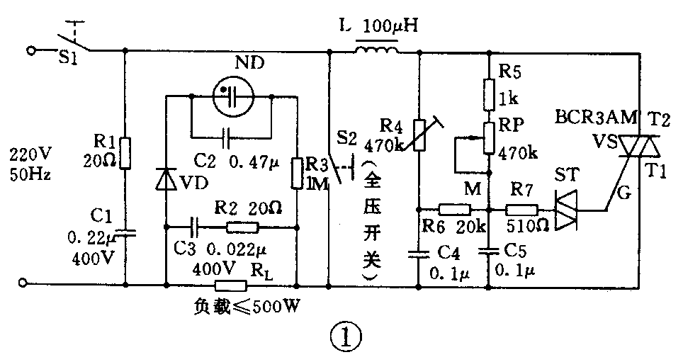
无线电小组的同学们初步掌握了单向晶闸管的特性和应用知识后,又进行了双向晶闸管交流调压器(图1)的实验与制作。然后,老师回答了大家提出的有关双向晶闸管及其触发电路方面的问题,并与同学们一起进行了讨论。

同学:老师,双向晶闸管看起来与单向晶闸管的外形差不多,也有三个电极(图2),它的主要工作特性是什么呢?

教师:双向晶闸管相当于两个单向晶闸管的反向并联(图3),但只有一个控制极。这样,双向晶闸管在正、反两个方向上都能够控制导电,而单向晶闸管却是一种可控的单方向导电器件。给双向晶闸管的控制极加正的或负的触发脉冲,都能使管子触发导通。这样,触发电路的设计就具有很大的灵活性,可以采用多种不同的触发方式。此外,双向晶闸管的两个主电极不再分为阳极和阴极,而是称为第一电极T1和第二电极T2。双向晶闸管在电路中不能用作可控整流元件,主要用来进行交流调压、交流开关、可逆直流调速等等。

同学:双向晶闸管触发电路(图1)中,使用了双向触发二极管,我们过去没有听说过这种管子,这是一种什么样的器件呢?
老师:双向触发二极管(图4)从结构上来说,是一种没有控制极的晶闸管,我们可以把它看成是两个二极管的反向并联。这样,无论在双向触发二极管的两极之间外加什么极性的电压,只要电压的数值达到管子的转折电压值,就能使它导通。值得注意的是,双向触发二极管的转折电压较高,一般在20~40V范围。

同学:老师,您给我们讲讲双向触发二极管组成的双向晶闸管触发电路的工作原理吧。
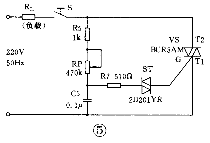
老师:调压器电路主要由阻容移相电路和双向晶闸管两部分组成。我们单独画出这两部分电路(图5),R5、RP和C5构成阻容移相电路。合上电源开关S,交流电源电压通过R5、RP向电容器C5充电,当电容器C5两端的电压上升到略高于双向触发二极管ST的转折电压时,ST和双向晶闸管VS相继导通,负载RL得电工作。当交流电源电压过零瞬间,双向晶闸管自行关断,接着C5又被电源反向充电,重复上述过程。分析电路时,大家应该意识到,触发电路是工作在交流电路中的,交流电压的正、负半周分别会发出正、负触发脉冲送到双向晶闸管的控制极,使管子在正、负半周内对称地导通一次。改变RP的阻值,就改变了C5的充电速度,也就改变了双向晶闸管的导通角,相应地改变了负载RL上的交流电压,实现了交流调压。

同学:您刚刚画出的电路图(图5)是不是可以直接作交流调压器使用呢?
老师:可以。这就是一个简易型调压器,在要求不高的场合(如灯具调光)完全可以使用。这种调压器的缺点有两个:一是负载RL上的电压不能从零伏起调,最低只能调到20V。当RP调到最大值时,C5充电速度变得很慢,以致在交流电压的半个周期时间内,C5上的电压还来不及上升到双向触发二极管的转折电压,双向晶闸管就不能导通。为了克服这一缺陷,增加了由R4、C4和R6组成的另一条阻容移相电路(图1)。当RP调到极限值以上时,C4上的电压可经R6向C5充电,使C5上的电压达到双向触发二极管的转折电压,以保证在低输出电压下双向晶闸管仍能导通。适当调节R4,就可以得到较低的起调电压。另一个缺点是双向晶闸管导通瞬间的突变电流形成的脉冲干扰,会影响调幅收音机和一些通信设备的正常工作,简易型调压器不能抑制这种脉冲干扰。
同学:怎么抑制晶闸管导通瞬间产生的电磁干扰呢?
老师:可以利用滤波电路。大家再看电路图(图1)。电感L串联在主电路上,对突变电流呈现很大的阻抗,起到了平滑滤波作用;R1、C1支路并联在电源线上,将高频干扰电流旁路。此外,与负载RL并联的R2、C3支路进一步滤除了负载电流突变产生的脉冲干扰。这样,由于采用了双重滤波电路,起到了较强的抑制干扰的作用。
同学:调压器的氖管闪光电路的原理我还不太明白。
老师:由二极管VD、氖管ND、电容器C2和电阻R3组成了氖管闪光指示电路,它并联在负载两端,负载RL两端的交流电压,经二极管VD半波整流后得到的半波脉动直流电压给C2充电,当C2上的电压达到氖管的导通电压时,C2通过氖管迅速放电,使氖管闪亮一下。C2放电后又继续被充电,氖管就会不停地闪亮。
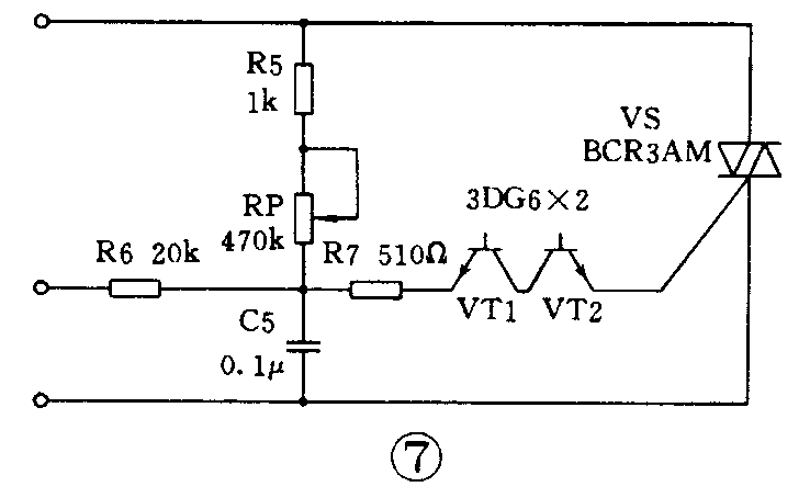
同学:我提个问题。如果手头上没有双向触发二极管,可以用哪些元器件代换呢?
老师:问题提得很好。双向晶闸管触发电路的形式是多种多样的。我举几种电路方案供同学们参考。一种是用试电笔里的氖管替换双向触发二极管(图6),当C5上的电压上升到氛管的导通电压时,双向晶闸管就会被触发导通。另一种是用两个NPN型三极管反向串联(基极开路)代替双向触发二极管(图7),调压效果还不错。再有一种是用RC电路取代双向触发二极管(图8),调压效果要差一些,在对调压器性能要求不高的情况下可以使用。



同学:双向晶闸管能不能也采用单结晶体管张弛振荡器组成的触发电路呢?
老师:大家知道,双向晶闸管的特点是不论给它的控制极加上正的或负的触发脉冲都能使它导通,所以,单结晶体管张弛振荡器同样可以作为双向晶闸管的触发电路(图9)。这种触发电路调压效果很好,只是电路比较复杂。由于单结晶体管张弛振荡器必须由直流电源供电,所以应用桥式整流电路得到全波脉动直流电压,再经过稳压管VD削波成为梯形波电压,为张弛振荡器供电。

同学:为什么使用梯形波电压而不用滤波电容器得到平滑的直流电压呢?
老师:一定要用梯形波电压,绝对不能使用平滑的直流电压。这是为了能使触发脉冲与交流电源同步。经过全波整流、稳压管削波后得到的梯形波电压与主电路电压是同步变化的,即二者同时经过零值,同时上升,同时下降。这样,当晶闸管上承受的主电压过零时,与之相应的每一个梯形波电压的前沿都从零值开始上升,电容器C在每个梯形波电压作用下的第一次充电都是以Uc为零开始,并经过相同的时间充电到使Uc等于单结晶体管的峰点电压Up,使单结晶体管导通而放电,正是在这一放电瞬间输出的第一个尖脉冲使晶闸管导通。总之,双向晶闸管触发电路必须包括三个基本环节:同步电压发生器(产生梯形波同步电压);触发脉冲形成器(单结晶体管触发电路)和移相控制器(电位器RP)。(宋东生)