本文介绍一种电子游戏,它采用三色变色发光二极管进行杂乱无章地变色发光,看谁眼明手快能捕捉到发出橙色光的发光管的个数最多。该电子游戏采用集成电路,制作容易,不用调试即可正常工作。
1.电路工作原理
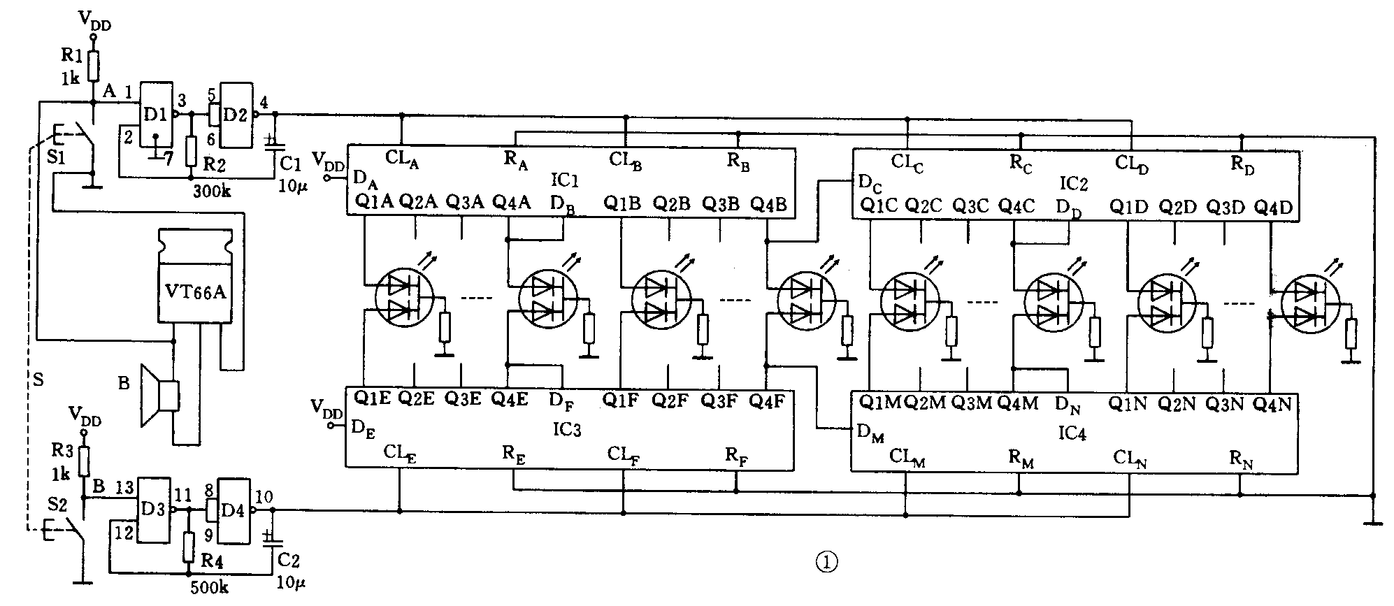
电路如图1所示。IC1~IC4是四片双4位移位寄存器CD4015,每一片CD4015电路由两个各自独立、结构相同的4位移位寄存器组成,其引脚排列如图2所示。数据输入从D\(_{A}\)端引进,在公共时钟端CL的上升沿脉冲作用下,从DA端输入的数据逐级向右移位。R是复位端。以IC1、IC2为例,将Q4A端接至D\(_{B}\)端,将Q4B端接至DC端,则IC1、IC2构成16位移位寄存器。同理,IC3、IC4亦构成16位移位寄存器。它们的输出端均接至变色发光二极管的R、G极。D\(_{A}\)、DE端均固定接高电平V\(_{DD}\)。为简化电路,图1只画出了8只三色变色发光二极管。在R、C或G、C之间单独加正向电压时,管子发红色光或绿色光。在R、C与G、C之间同时加正向电压时,管子发橙色光。


与非门D1、D2和R2、C1,D3、D4和R4、C2构成两个不同频率的可控振荡器。当A、B点为高电平时,振荡器起振。S1、S2是一只按钮开关S,当按下S时,A、B点均为低电平,振荡器停振。前者振荡器1s发2个脉冲,后者振荡器1s发3个脉冲。由于振荡频率不同,16只变色管发出红光、绿光或橙色光是随机性的,可称之为杂乱无章。
为增加娱乐气氛,电路中增加了一只音乐三极管VT66A,当谁捕捉到发橙色光最多的变色管时,按下S,变色管不再变动,可供观察,同时VT66A奏出电子乐曲。松开S后,可继续进行游戏。
2.元器件选择与制作
D1~D4选用一片2输入端四与非门CD401l。变色三色发光管为2EF302。电源V\(_{DD}\)选用3节1号干电池。S选用微型按钮开关。B选用0.25W、8Ω小型扬声器。发光管限流电阻为220Ω。IC1~IC4的⑧脚接地,脚接VDD。(苏成富)