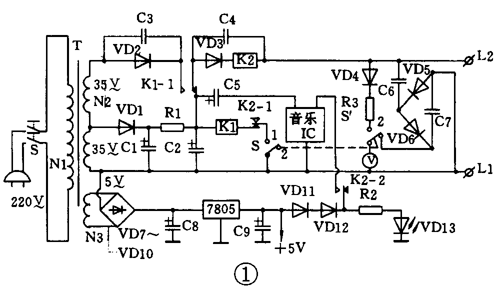
笔者按本刊2000年第4期刊登的“自制检修电话的小仪器”一文给出的电路和元件参数制作了一台小仪器,效果不错,也很实用,但在实践中感到它的功能还不够完善,主要表现在:(1)无电源通断指示;(2)无振铃指示,对振铃送出电平不能直观显示;(3)无发送电平指示,对被测电话机的通话电路是否正常不能直观判断;(4)对双音频/脉冲状态拨号时电路也不能指示。针对上述问题,我作了如下改进(电路见图1)。

1.电源变压器T增加了一个5V的副绕组N3,为音乐IC提供了供电电源,也为扩展用数码管LED显示驱动提供了电源,并可接入由电阻R2和VD13组成的电源通断指示电路。
2. 原电路中控制振铃用了一只单极单投开关S,笔者把它换成一只双极双投开关S。S打至“1”位,仍为振铃馈送,检测被测话机振铃电路。为了显示振铃电平,在开关S的另一极接入了由VD4、R3和表头V组成的支路。表头是一块内阻3kΩ、量程为80V的直流电压表,R3是它的附加电阻。二极管VD4用来对振铃检测交流电压进行整流,以驱动表头显示振铃电平。
3. 增加了由VD5、VD6及C6、C7组成的倍压检波电路。当S打至“2”位时,拿起被测话机的手柄,对着受话器吹风,表头将会有相应的指示。若用双音频拨号,表头同样会微摆,显示双音频拨号电平。用脉冲拨号,K2发出符合脉冲个数的断续吸合声,即可用声音检测话机的脉冲拨号电路。
4. 使用者若嫌双音频拨号时表头微摆不够直观,可以按图2增加一套附加电路。电路中采用了双音频译码集成电路MC145436与数码管显示驱动集成电路CD4511。数码管选用七段LED数码管。这样,用双音频拨号时,七段数码管即显示所拨的数字,非常直观。

图1中元器件参数为:VD1~VD12:1N4007,C1、C2:33μF以上/100V,C3、C4:2μF/400V,C5:10μF/10V,C6、C7:0.01μF/100V,C8:1000μF/10V,C9:47μF/6.3V,R1:1kΩ/2W,R2:120Ω/0.25W,R3:由加装表头内阻决定,笔者采用390kΩ/0.125W。图2中,R1、L构成线路负载总阻抗约600Ω,数码管采用七段共阴数码管,共阴端与地串接一只510Ω限流电阻。(施雨宏)