中型及大型EL驱动器TK6592×及TK6593×(17/16页)
应用领域:应用领域与TK6591×(见第10期“新器件”)相同,主要差别是中型EL驱动器应用于2~4平方英寸的电致发光灯(TK6592×系列);大型的应用于3~6平方英寸的电致发光灯(TK6593×系列)。
主要特点:与TK6591×相同,但输出电压峰-峰值电压不同,中型及大型为100~170V。
封装形式:6脚SOT23封装,管脚排列与TK6591×完全相同。
应用电路:典型应用电路与TK6591×相同,仅元件参数有些差别。中型的C为47nF,L为680μH,电致发光灯的电容典型值为12nF。大型的C为100nF,L为330μH,电致发光灯的电容典型值为20nF。
生产厂商:日本TOKO公司(www.tokoam.com)。
代理商:东光科技上海外高桥保税区有限公司
电话:021-58669077、58668777。
高灵敏度光电二极管ODD-45W/95W(2页)
应用领域:工业控制、长距离红外通信、红外遥控及检测仪器等。
主要特点:该器件由GaAlAs制成,其光谱特性与880mn的红外发光二极管的光谱极相似,因此它无需滤光器而性能远比标准硅光电二极管好。其主要特点有:在880nm的响应性典型值为0.6A/W;在50%光谱带宽的典型值为60nm;其价格与硅光电二极管差不多。
该光电二极管与标准硅光电二极管的光谱响应特性如图1所示。

ODD-45W与ODD-95W的差别是,前者有效面积为1mm\(^{2}\),后者有效面积为5mm2。两者的管脚排列相同,如图2所示。

封装形式:ODD-45W(TO-18);ODD-95W(TO-5)。
生产厂家:美国光电二极管有限公司(OPTO DIODE CORP.)(www.optodiode.com)。
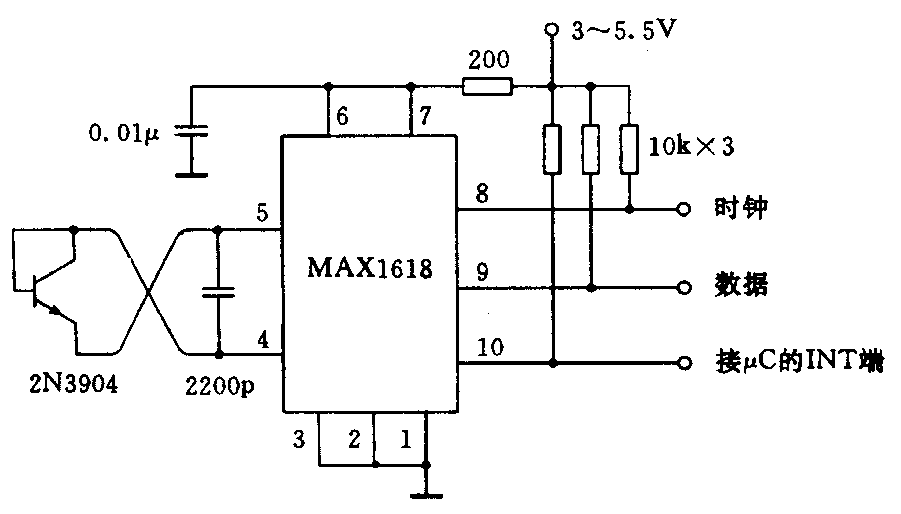
保护CPU的远端温度控制器MA×1618(19页)
应用领域:台式及笔记本式计算机、智能电池组、LAN服务器、工业控制、通信设备、测试设备及仪器等。
主要特点:测量远端CPU的温度;无需校准;SMBUS二线串行接口;可编程上下限报警温度(超过上限温度时输出风扇控制信号);在+60℃到+100℃范围内精度为±3℃,在-55℃到+120℃范围内精度为±5℃;工作电流典型值为3μA;在自动传换模式时最大工作电流为900μA;工作电压范围3~5.5V。
封装形式:10脚μMAX封装。
应用电路:典型应用电路如附图所示。

生产厂家:美国MAXIM公司(www.maxim-ic.com)
电话:010-62010598、8008100310。
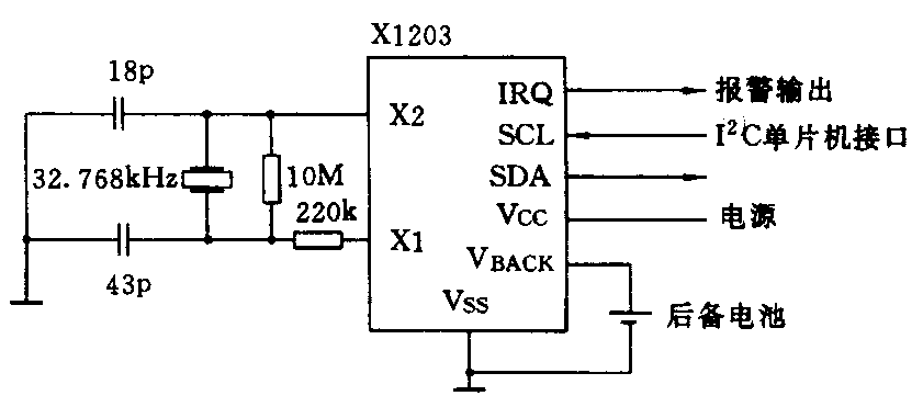
低功耗单片机接口精密时钟芯片×1203(19页)
应用领域:可广泛应用于具有单片机或微处理器的家电产品,实现时钟显示、定时报警、定时开关机等。
主要特点:具有精确的日历、时钟、计时功能,提供闰年校正,解决Y2K年问题。两个独立可编程定时报警,实现按秒、分、时、日、月及星期几设置。通过I\(^{2}\)C总线方式可与各种单片机接口,双端口时钟和报警寄存器可使时钟即使在读写操作期间也能精确地工作。具有自动备用电源切换,工作电源及备份电池电源可工作于2.5V~6.0V。功耗极低,工作电流小于1μA,单个钮扣电池可工作1~3年。
应用电路:见下图:

封装形式:8脚小型表点SOIC、TSSOP封装
生产厂家:美国Xicor公司(www.xicor.com)。
代理商:武汉力源电子股份有限公司(www.p8s.com)。