PT2389是台湾普诚科技公司1998年12月推出的一种功能较全的均衡器。它除了可设定平坦、摇滚、流行、古典、爵士等5种频率响应(模式),还提供重低音加强及3D音场效果功能,总共有达20种音色变化。该器件其它特点包括:采用CMOS工艺制造,耗电省;工作电压范围5~10V(典型值为9V);失真小,THD+N<0.01%;信噪比大,S/N>95dB;最大输入信号为2.0Vrms,最大输出电压为2.5Vrms;输入阻抗典型值为100kΩ,输出阻抗典型值为40Ω;外围元件少,电路简单,有直接选择式及循环选择式两种选择方式,并有LED显示模式;工作温度范围-20℃~+75℃。
该器件主要应用于随身听、汽车音响、袖珍型音响、多媒体系统、MPEG卡等。
封装及管脚及内部结构
该器件为24脚DIP封装或贴片式SO封装,管脚排列如图1所示,各管脚功能如附表所示。内部结构框图如图2所示。



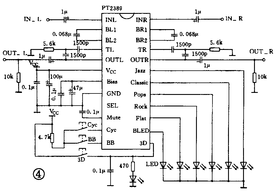
两种选择功能及应用电路
PT2389有两种选择功能,相应有两种应用电路。直接选择式电路如图3所示。在直接选择式时,SEL端必须接GND,Cyc必须悬空。5个均衡器开关、重低音加强及3D音效按钮为控制开关。按下某一开关时即输出相应的频率响应。例如,闭合摇滚(Rock)开关时,呈现摇滚模式,并且相应的LED亮。这5个开关应是互锁的(即只有一个开关起作用)。重低音加强开关及3D音效开关是相互独立的,可各自开或关。

循环选择式电路如图4所示。它在上电后为平坦(Flat)模式,然后按下Cyc后,按图5作循环。重低音加强及3D开关是相互独立的,可各自开或关,以获得不同的效果。在循环选择式时,SEL必须悬空或接高电平。


高低音的调整
图3及图4中高音及低音与TL、TR及BL1、BL2端连接的电容器容量有关。若用户想自己调整到适合自己的喜爱的高音及低音,可以改变这部分的电容器容量。
1.高音部分调整
在TL、TR与OUTL及OUTR之间有两个1500pF电容器。若此两电容改用较大的值,则高频增益点向低频方向移动;反之,若电容采用较小的值,则向高频方向移动,如图6所示。

2.低音部分调整
低频调整与BL1与BL2及BR1与BR2之间的电容器容量有关。若采用比0.068μF大的电容器,则低频增益部分会向低频方向移动;若采用比0.068μF小的电容器,则低频增益部分会向高频方向移动,如图7所示。(金召)
