随着新器件的应用,现代电子产品正向着体积小、重量轻、高效节能的方向发展。本文介绍的开关型逆变电源,不仅省去了笨重的工频变压器,而且逆变效率也大大提高。外壳运用轻质压铸铝合金,并经氧极化处理,既美观又便于携带。其应用范围非常广泛,如驱车野外旅游,可以随车带上你的手提电脑、充电器、音响、电动工具等,尽情使用,而不受电源的限制。本电源可以广泛应用于工厂、学校、医院、商业环境和家庭,作为停电后的备用照明及工作电源,减少意外停电带来的经济损失,给学习、工作和生活带来了许多方便。
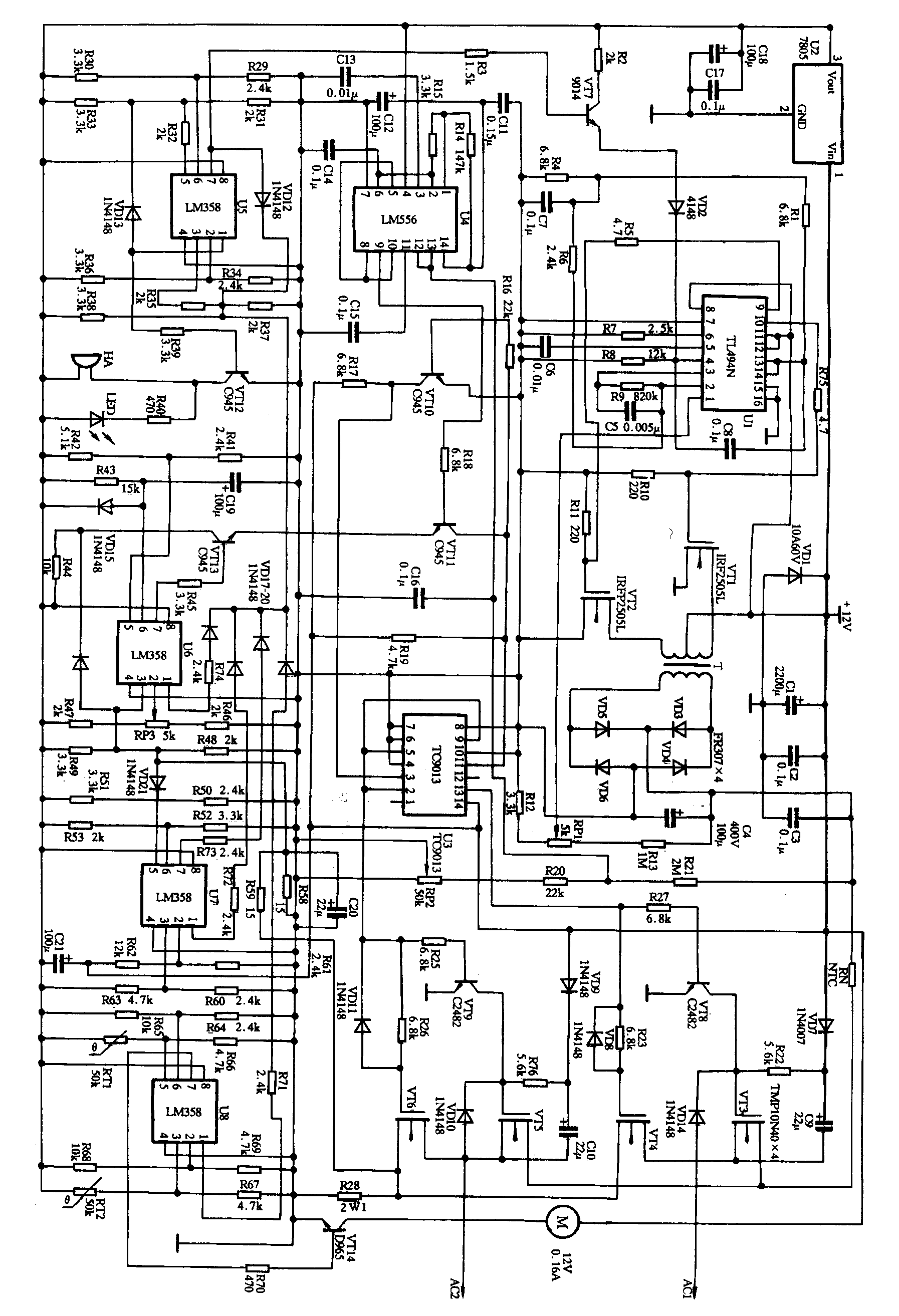
开关型逆变电源的工作过程,是一个直流-交流-直流-交流的转换过程。在本逆变电源直流-交流的转换电路中,运用了功率场效应管,这样可以大大降低系统的功率损耗。因为场效应功率管所需的驱动功率小,开关速度快,可以直接用标准的开关稳压IC进行驱动和控制,该电源驱动电路U1运用美国德州仪器公司的脉宽调制(PWM)IC-TL494,TL494是由锯齿波发生器、D触发器、两个比较器、两个误差放大器、5V基准电源及两个驱动三极管组成。它的振荡频率由⑤、⑥脚的定时元件R、C决定,即f=1.1CR,本电路取振荡频率为50kHz。其锯齿波振荡信号,是经过内部交替导通的两个驱动三极管由⑨、⑩脚输出,控制VT1、VT2两个功率场效应管交替导通和截止,这样在高频变压器T的初级产生频率为50kHz的高频交流电,此高频交流电经T耦合到次级,再经过4只快恢复整流二极管组成的桥式整流电路整流,C4滤波,在C4上产生300V的直流电压,这个直流输出的功率大小和电压的高低,主要由U1振荡频率及VT1、VT2、功率场效应管和高频变压器T的参数决定。本电源额定输出功率为200W,最大输出功率为400W。C4两端的300V直流电压加到由4只功率场效应管VT3~VT6组成的末级变频电路,为防止VT1、VT2在工作中同时导通而损坏,在U1的第④脚加有死区时间控制电阻。300V直流电经过R13、RP1、R12组成的取样电路,取样后的信号电压反馈到U1的PWM端第①脚,控制U1输出的脉冲宽度,从而使C4两端输出稳定的300V直流电压。末级直流-交流电路的振荡信号,是由时基电路LM556组成的50Hz占空比可调的方波脉冲发生器所产生,由第⑨脚输出方波脉冲,再经过VT10、VT11倒相和小信号电压放大,分别加到U3双D触发器的时钟脉冲输入端第③和脚,经过内部电路处理,由第②、第脚互补输出端输出正负半周宽度相等的方波脉冲信号。以正半周为例,这个方波脉冲一路经过栅极电阻R23加到末级MOSFETVT4的栅极,另一路经过VT8延迟放大,耦合到VT3的栅极,再由VT3、VT4叠加输出,负半周同理。这样在AC1和AC2之间就输出了波形为准正弦波的交流电。交流电压的高低可以通过调节RP2,控制LM556的占空比来实现。输出电压的高低随着负载的大小变化而变化,这个信号由R21、R20、RP2取样,反馈到LM556,自动调整其占空比,使输出的交流电压稳定,因此本开关型逆变电源在正常工作中有较高的稳定度,如果安装调整合格,从空载到满载运行,当输出交流电压为220V时,其误差可以控制在5%以内。
只有完善的保护电路,才能给设备带来安全保障。为了工作可靠,本逆变电源由4个独立的LM358集成电路组成较完整的保护电路。
一、自锁报警电路
三端稳压器U2提供U4~U8的5V工作电压,U5组成自锁电路,在正常工作中,第①、③、⑤和⑦脚均为低电平,第②和⑥脚为高电平,处于待命状态。假设某种原因由过载检测电路U6~U8产生触发信号,使第③脚电平高于第②脚电平,那么第①脚输出高电平,这个高电平由VD13输出,使第⑤脚的电平高于第⑥脚的电平,那么第⑦脚变为高电平。此时第⑦脚的输出,一路经过VD12返回第③脚,形成循环触发状态;另一路经过R3加到VT7的基极,使VT7导通,5V电压经VT7、隔离二极管VD2加到U1的第④脚死区控制端,使④脚电压升高,迫使U1切断输出脉冲,从而使电路停止工作。另一部分在切断输出的同时,U5第①脚输出的高电平使VT12导通,蜂鸣器HA报警,LED发光报警,这种状态在解除故障,并且重新启动电源后才能改变。
二、电流浪涌抑制电路
在负载接通的瞬间,电路中往往会产生很大的冲击电流。在300V直流输出端串联NTC电流抑制热敏电阻RN(NTC15-105),它能有效抑制这种冲击电流,在电路开始工作的同时,其10Ω电阻也会随电源的启动逐渐减小,形成慢启动,其电阻最终下降到零点几欧姆,可视为通路。

三、30种延时过载保护电路
U6担任30秒延时过载保护电路,调整RP3可以设定过载的最高功率,但是不能大于满载的1.5倍。其原理是:刚开机的冲击电流使R28两端的电压增高,经过R58、R59分压,得到的电压加到U6的第③脚,由于C19上的电压不能突变,所以第⑥脚为低电平,则第⑦脚输出为高电平,从而使VT13导通,U6的第③脚电压不能升高。由于VT13的导通,U6第③脚的电平低于第②脚的电平,必然第①脚为低电平,不能触发自锁电路。随着C19的充电,其两端电压的不断升高,当第⑥脚的电平超过第⑤脚时,使第⑦脚为低电平,VT13截止,断开对③脚的封锁,进入正常检测状态。所以本电源在正常范围内的电流冲击,不会产生设保护,如果电源正常工作后,负载依然超出额定功率的1.5倍,那么U6的第①脚变为高电平,从而经VD20触发自锁电路,使电源停止工作。C19、R43决定了VT13的封锁时间。VD15为C19的关机放电二极管。
四、短路保护电路
U7的第⑤、⑥、⑦和⑧脚组成短路保护电路。当负载短路时,流过R28的电流急剧增大,使R28两端电压大幅上升,这个电压经R58、R59分压后加到U7第⑤脚,U7第⑥脚的电位设定为超过额定功率2~2.5倍时的电位值。当短路时,加到第⑤脚的电压会远远高于第⑥脚电位,那么⑦脚变为高电平,经VD18触发自锁电路,电源停止工作,达到短路保护的目的。
五、电瓶欠压保护电路
为防止电瓶在工作中过放电而损坏,本逆变电源设有电瓶欠压保护电路。当电瓶电压低于10V时,U7的第②脚电平低于第③脚,使第①脚输出的高电平经过VD19触发自锁电路,使电源停止工作。
六、自动强制风冷电路
由U8组成温度监视电路,当散热器温度超过35℃时,本电源自动启动强制风冷风扇,RT1是NTC负温热敏电阻,固定在VT1和VT2的散热器上,当VT1和VT2的温度上升到35℃以上时,RT1的电阻随温度的上升而减小,U8第⑤脚电位上升,当超过第⑥脚电位时,第⑦脚输出高电平,使VT14导通,风扇运转。
七、超温保护电路
如果负载太重,或者存在其他环境原因,在风冷的情况下,依然不能阻止温度上升,当VT1、VT2温度接近100℃时,NTC负温热敏电阻RT2的阻值不断减小,U8第③脚电位不断上升,当超过第②脚的设定电压时,U8第①脚输出高电平,经过VD17触发自锁电路,迫使逆变电源停止工作。(王正贤)