一、光传感自检和置换程序
此机新添光传感器自检功能,以及旋转调节检查功能。维修时,可使用以下程序(见图1)进行有效的自检和旋转调节,一定要在“NO DISC”显示时进行。在置换光传感器之前,使用自检功能。作为一个准则,应在激光激励电流大于60时,置换光传感器。

注意:
按下电源按钮接通电源,在机器预热之前(3分钟以内)检查电流数据。播放机电流在预热时会升高,请在自检之前关闭装置。
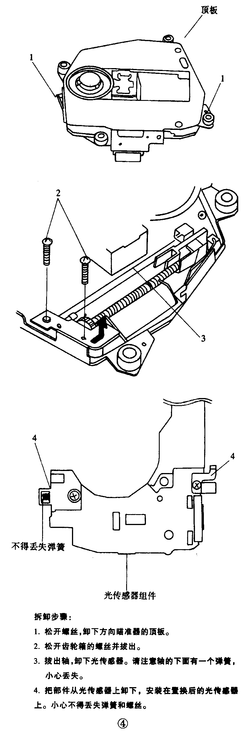
二、拆卸光传感器
光传感器(激光组件)是精密的机械组件,在维修需要拆卸和组装时,必须注意以下事项:
1.在光传感器周围进行操作时,应注意静电。
2.操作应该在无尘的清洁环境下进行。
3.置换光传感器应限制指定操作范围。如果在指定操作范围以外进行拆卸操作的话,光传感器将有可能超过调整范围。
4.在拆卸方向瞄准器时,不得将螺丝和弹簧丢失。
方向瞄准器是非常精密的光学部件,不得碰触其周围的镜片,更不得撞击方向瞄准器。
具体拆卸操作按以下步骤进行:
2.拆卸光传感器按图4进行。

三、安装光传感器
光传感器是在工厂已调整好的产品,因此,不得碰触调整螺丝。安装传感器按图5进行。

四、光传感器的调节
1.光传感器按附表所示项目进行调节,具体操作按以下步骤进行。

(1)在调节之前要断开焊头,目的是将反应减少至最小。
(2)按图6所示连接好电视机(不用LCD),检查放像效果。注意外壳取下时不能播放。因此,必须使用接续工具(JGS0117)接续到接头(P5202),短路SW5201、5202。

(3)播放特定光盘的特定旋转(静止方式)。
(4)设置机组为旋转维修方式,即按住“PLAY”和“PAUSE”按钮,然后,按下遥控器上的“5”。
(5)检查显示出的反应值。
(6)看到反应值后,根据特定顺序调节特定的螺丝(见图6),直至反应值降至最小。
在置换光传感器后,首先检查反应值。如果该值在9.5%以下的话,则不需要调节。
2.调节后的检查
播放测试光盘和普通光盘,检查内部、中间和外部光时的放像质量没有不佳现象,声音有无干扰,否则,还要进行调节,直至正常为止。(蔡福江)

