日本NEC日电公司专门用于立体声音频功率放大器扬声器保护的集成电路μPC1237HA为8脚单列封装,功能完善、性能优良,广泛用于国内外各类音响产品中,它也是音响爱好者自装功放或打磨改造完善自己的功放时乐于选用的器件。
当μPC1237HA用在不同种类的功放中时,由于功放电路及供电电压各异,μPC1237HA外围电路的元件参数要求相应不同。在使用μPC1237HA典型电路时,若取值不当会使扬声器保护功能无法正常工作,甚至损坏集成电路。因此,详细介绍其功能原理及外围元件计算方法,让爱好者真正掌握该集成电路的应用及使用注意事项仍有现实意义。
一、μPC1237HA内部组成
μPC1237HA内部组成见图1。它由功放过载检测、功放输出直流偏移检测、电源接通静音、交流断电检测及继电器驱动等电路组成。当工作方式选择端③脚接法不同时,可以使IC工作在开关锁存方式或自动复位方式,锁存和自动复位方式的主要区别是:当IC检测到功放输出端直流偏移电平或过载电平超过阈值,IC便使继电器释放而断开扬声器。在检测端电平恢复正常后,如果继电器随即自动恢复吸合而接通扬声器,这种工作方式即自动复位方式;如果继电器继续保持释放断开状态,直到电源开关关断一次后再次接通为止,这种工作方式即锁存方式。把μPC1237HA③脚直接接地时为自动复位工作方式;把③脚经0.022μF电容接地则为锁存工作方式。本文所介绍参数的测试条件及实际应用电路均采用锁存工作方式,但无论哪种工作方式,各检测保护功能作用相同。

μPC1237HA由单电源供电,可以在比较宽的电源电压范围内稳定地工作,推荐工作条件为Vcc=25~60V,即它可以直接利用绝大部分功放的正电源。当所监测的功放末级出现过流或输出端出现正、负直流偏移电压,只要超过电路所设定的阈值,IC立即做出反应,断开继电器,使放大器输出端与扬声器断开,彻底保护扬声器不受到损坏。另外,该IC还具有电源开、关时静音功能,可彻底消除功率放大器在开、关电源开关时引起的冲击噪声,既能稳妥地保护昂贵、高级的扬声器,同时也使功放开、关机静音性能更加完善。开、关机静噪功能对于爱好者自装的分立元件或集成电路功放也是必不可少的。
μPC1237HA工作条件极限值见表1,电性能见表2。所测参数条件为:Vcc=45V,环境温度T\(_{a}\)=25℃,电路接为锁存工作方式。


二、μPC1237HA各种功能
1.功率放大器输出直流偏移电压检测
如果功率放大器输出端的直流偏移电压过大,会使接在输出端的扬声器音圈流过的直流电流过大,音圈动态范围变小而使声音失真,同时音圈因过热很易损坏。为了防止损坏扬声器,由②脚监测功放输出端直流电平,当功放输出端正或负偏移电压超过预先设定的阈值时,IC将继电器释放,及时将功放输出端与扬声器间触点断开,完成保护扬声器及功放的功能。计算功放输出端偏移电压阈值的方法如下。
由于左、右声道功放输出端通常为虚地,②脚所接的偏移电压检测电路局部等效电路如图2所示。被检测的功放输出端正、负阈值电压与检测电路电阻参数间关系式见(1)、(2)式:
正偏移电压+V\(_{th}\)=(2×Vth+\(\frac{RA}{RC}\)×(V\(_{th}\)+②)……(1)
负偏移电压-V\(_{th}\)=-[(-Vth-②) ×(2+\(\frac{RA}{RC}\))+I2×RA]……(2)

式中V\(_{th}\)+②表示②脚本身正阈值电压,典型值为0.62V;Vth-②表示②脚本身负阈值电压,典型值为-0.17V;I2表示μPC1237HA②脚电流,在典型阈值电压时约为0.0125mA。
实际应用中,当选定所需偏移阈电压,再依(1)、(2)式可计算出RA、RB值(取电阻系列标称值)。另外,由表1知②脚最大电流值为±3mA,所以设计选偏移保护阈值电压时,要注意RA、RB的最小值应保证Vcc/RA≤3mA。图3为μPC1237HA典型应用电路,图中的RA(R16)=RB(R4)=56kΩ,RC=∞,根据前述求偏移阈电压(1)、(2)式,可知它选的正偏移阈电压值为1.24V,负偏移阈电压值为-1.04V。

2.交流断电检测
在关断电源开关时,许多音频功率放大器在失电后的过渡过程中,输出端无法始终保持直流0V状态,因此轻者仅表现为扬声器有冲击噪声,失衡严重甚至能损坏扬声器。所以在关断电源时,要求继电器迅速动作,将功放与扬声器断开,故应设有检测电源开关关断瞬间的检测保护电路。
由于功放直流电源供电端与地之间总是接有容量较大的滤波电容,电源关断瞬间直流电压不可能立即变为0V,所以不宜利用功放电源在关断瞬间的变化来监测电源开关的关断。μPC1237HA检测交流关机的方法是直接监测电源变压器次级交流绕组的电压有无来做出判断,将该交流电压经简单半波整流滤波电路后接交流断电检测端④脚,只要电源开关关断,④脚直流电压随即下跌,交流断电检测电路动作,继电器释放,将功放与扬声器断开,消除了关机冲击噪声。关断电源开关至继电器触头断开扬声器的延迟时间约为0.1秒,延迟时间由④脚外接滤波电容容量及④脚内阻所确定的放电时间常数决定。由表1可知,μPC1237HA④脚交流断电检测端所能施加的最高电压为10V,超过10V会损坏芯片,所以④脚所接的降压电阻(图3中R6)的阻值不能过大或过小,过大在电源Vcc值较低时μPC1237HA不工作,过小则会造成μPC1237HA损坏。在确定该电阻阻值时,可查阅图4“R6与AC交流电压关系图”,根据实际检测的变压器次级交流绕组电压数值,查出对应R6最佳阻值。例如当图3中VD3接的变压器次级交流电压为25V(有效值)时,对应R6可选用15kΩ。如果选取的R6值没有合适标称值,可尽量选接近标称值的电阻或略低于所查值的电阻。

3.过载检测
过载检测端为①脚,①脚的过载检测阈值电压为0.67V。过载电路检测原理为:当流入①脚的恒定直流电流超过110μA(典型值),μPC1237HA就会释放继电器而断开扬声器,完成扬声器的过载保护。在图3应用电路中,过载保护L-E端、R-E端分别接分立元件功放左、右声道未级NPN放大管发射极电阻,射极电阻上电压会因输出电流增大而上升,当输出电流超过功放或扬声器的极限电流时,在预先设计好的射极电阻上产生的电压达到扬声器保护电路所设定的过载阈电压1,晶体管VT1、VT3或其中之一导通,引起VT2导通,+Vcc电压经VT2、R9、R11加至①脚,流入①脚的电流超过其阈电流,过载保护电路动作,继电器随之释放而断开扬声器,完成扬声器过载保护功能。对于集成电路功放,因内部往往已有过流自动截止保护功能,且末级功率管射极电阻端很少接出,可考虑省去过载检测功能,这时只须把①脚接地即可。
4.电源开机静音
消除电源接通时扬声器产生的冲击噪声的办法是在功放电源开关接通后,经一定的延迟时间,当功放及其前置放大器达到稳定的工作状态后,再驱动继电器动作,把扬声器接入功放输出端,如果延迟时间设计合适,则可彻底消除电源接通时对扬声器的冲击。电源接通至扬声器接入的静音延迟时间可由下式计算。
延迟时间=C3×R7×1n\(\frac{V⑧-V⑦}{V⑧}\)
式中C3、R7如应用电路图3所示,V⑧是⑧脚参考电压,典型值为3.40V;V⑦是⑦脚阈电压,典型值为2.06V。由此可知,延迟时间基本由C3、R7参数确定。
由表1可知μPC1237HA⑧脚所施加电压不能大于8V,而⑧脚典型工作电压值为3.40V,因此电源Vcc与⑧脚间的降压电阻R8阻值不可任意选用。应根据自己的功放Vcc正电压的平均值(因Vcc电压会因市电波动、负载电流变化而变化),查阅图5“R8与电源电压Vcc关系图”来选取R8的正确阻值。例如当Vcc=30V时,查R8为9.8kΩ,则R8可选用标称值为10kΩ的电阻。如果没有所查阻值的电阻,可选用尽可能接近和低于所查值的电阻,只有R8阻值选取正确,才能保证扬声器保护器能在Vcc电压发生被动时,始终正常地工作。

在图3扬声器保护电路实际应用中,还应考虑继电器限流分压电阻R12的阻值和功耗。由表1可知μPC1237HA继电器驱动端⑥脚最大电流为80mA,故使用中不应让⑥脚电流超过80mA。常用继电器型号为JQX-13F,线包直流电压24V,电阻600Ω,即工作电流40mA。由于扬声器保护电路的电源Vcc多接功放正电源,当功放正电源超过24V时,应根据功放正电源平均电压值来选取限流分压电阻阻值及功耗,才能使IC、继电器、R12均工作在正常条件下。R12的计算仅用欧姆定律即可确定,这里不再赘述。
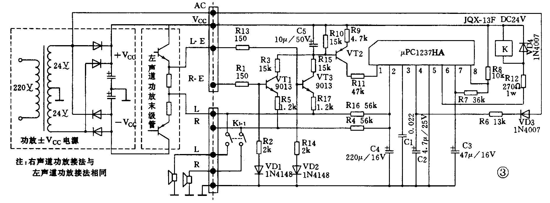
三、典型应用
图3右侧是性能完善的立体声功放扬声器保护电路,由该电路组装的成品板适合爱好者改造或自装立体声功放。扬声器保护电路各接线端与功放的连接方法见图3左。图3中元件参数适宜电源变压器次级交流电压为24V,在直流正电源电压Vcc=33V左右条件下使用。如果你的变压器次级电压不是24V,+Vcc平均值不是33V左右,请按本文前面所述查图4、图5,求出恰当的R6、R8值,再计算出R12值,以便保证扬声器保护电路正常工作。如果用来改造LM3886、LM4766、TDA7294等集成功放,可省去过载保护,只须把图3中μPC1237HA①脚接地即可。
图6是带μPC1237HA扬声器保护的输出功率为100×2直流伺服、电流负反馈立体声功放,频率响应10Hz~100kHz,音质优异,无开关机冲击噪声,是国内目前同类产品中的靓品,很适宜爱好者用于家庭Hi-Fi放音,接法见图7。若组建家庭虚拟杜比环绕声音响系统,接法见图8。



对本文图3、图6介绍的扬声器保护电路成品板及带扬声器保护的立体声直流伺服电流负反馈TDA7294功放成品板、LM4610纯音前级、虚拟杜比环绕声处理器等发烧音响产品感兴趣的读者,请见本期广告2000-12-8页。(朱广皓)