编者按:全国“少年电子技师”等级证书认定活动已在全国十几个省市开展(具体省市详见本刊1999年第5期,有意参加此项活动的单位或个人请与当地的认定单位联系),为了配合各地的二级“少年电子技师”等级证书认定活动的顺利开展,现刊登2000年天津地区二级证书考核试卷,以供各地参考。读者也可以此试卷检测自己的水平。
一、填空题
1.太阳能电池有哪些特点:_____、_____、_____、_____、_____。它的电压与面积_____关,电流与面积成_____关系。
2.常见的串联稳压电源,整流部分主要是利用半导体二极管的导电性能,而稳压电路方框图见图1,请填图。

3.掌握手工焊接技巧,可以借鉴无线电厂焊接技术工人所归纳的_____、_____、_____、_____、_____十个字。
4.使用万用表测量电阻,先将开关转到适当的电阻挡范围内,然后将红、黑表笔_____路,调整_____调整器,使指针指在__________位置上,再将红、黑表笔分开去测电阻。万用表使用完毕,应将开关转到__________。

5.图2实验电路为_____。当用手来回遮挡RG时,BL将发出_____,其中VT1为_____型,VT2为_____型,RG为_____。
6.填图(图3)

7.收音机的主要指标有_____、_____、_____。
8.超外差式收音机的中频信号为_____kHz,它是由收音机本身的_____,与接收外来的电台信号在变频器内_____,经过变频器负载回路产生中频信号。
9.超外差收音机若中放电路工作不良,造成啸叫,这种现象叫_____,如中频滤波电路失效可能使某电台信号在收音机选台时两个位置上出现,这种现象叫__________。
10.基本门电路主要包括

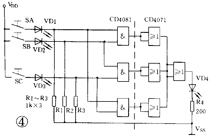
图4为多数表决器实验电路示意图,当SA=1、SB=0、SC=1时,请说明各门电路输出端状态(在输出端旁用“0”或“1”标出),并指出此时VD4状态为_____。

11.555集成电路主要各脚标注见图5,其中当TR—≤_____VCC时V0=_____。TH≥_____VCC时V0=_____,MR为_____。

12.红外发射管在遥控电路中经常使用,波长为_____nm,主要特点为_____、_____、_____、_____,缺点是存在_____性,输出功率受_____影响。
二、简答题
1.请对图6两个实验电路进行简单分析。

通过实验观察写出分析结果(请注意所用三极管型号及电源极性)
2.555实验电路分析
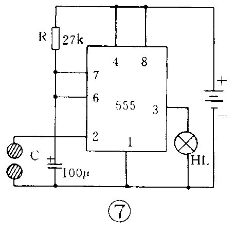
(1)触摸灯(见图7):请说明电路工作过程。

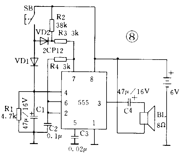
(2)“叮咚”双音门铃(见图8):请说明,如何获得两个高低不同的音频振荡(即双音)。其中哪些元件决定“咚”音的发音时间。

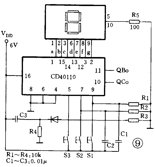
3.图9是用CD40110组成的一位计数器电路。请你指出S1、S2、S3的功能,并请说明如何用两个或两个以上的一位计数器电路组成十位、百位……计数器。

4.通过电子技术的学习与实践,你对周围的电子产品有哪些新的认识。有什么不足,存在哪些缺点,有什么新的设想、建议,请举例(可用文字或示意图)说明。
答案
一、填空
1.体积小,重量轻,无污染,无噪音,寿命长,无,正比
2.单向,调整管,比较,采样,基准电压
3.一刮,二镀,三测,四焊,五查
4.短,调零电阻,零,交流高压挡
5.光控电路,模拟鸟鸣,NPN,PNP,光敏电阻
6.高频振荡,调制,高频放大,音频放大
7.灵敏度,选择性,失真度
8.465,本机振荡电流,混频
9.中频干扰,镜频干扰
10.与,或,非,发光
11.1/3,1,2/3,0,主复位端
12.850~940,体积小,寿命长,功耗小,耐冲击,方向性,环境温度
二、简答题
1.防盗报警灯:VT为8550,PNP三极管,当A、B间的细导线断开后,VT基极为0,VT导通,VD发光,达到报警的目的。
定时灯:闭合SB,C充电,VT1基极电压上升,VT1、VT2导通,HL发光,放开SB,C经R放电,VT1基极电压下降,VT1、VT2截止,HL熄灭。
2.(1)当手触摸一下电极片,人体感应信号送至2脚TR-端,杂波信号负半周相当于低电平“0’,此时3脚输出“1”,小灯泡HL亮,电流经R向C充电,6脚电压升高,当高于2/3V\(_{CC}\),电路复位,暂稳态结束,V0=0,灯泡熄灭。
(2)当开关SB按下时,经VD1给C1充电,4脚为“1”,电路起振,发出“叮”音响。因VD2导通,频率由R3、R4、C2决定,当开关SB断开,发出“咚”,因VD1、VD2均不导通,“咚”的频率由R2、R3、R4、C2决定,此时C1经R1放电,4脚为“0”,停振,“咚”的发音时间由R1、C1决定。
3.S1加法计算,S2减法计算,S3复位。
将10脚QC\(_{0}\)与下一个相同计数器9脚相连,逢十进一的进位脉冲到下个计数器中继续累加,将110与下一位的7脚CP\(_{0}\)相连,可做减法借位运算,百位、千位计数器以此类推。
此题可参阅本期第35页。
4.(略)