无线电小组的同学们完成了“光弱报信器”(图1)的制作后,对光控电路产生了浓厚的兴趣,提出了不少有关光电器件的特性和应用方面的问题,与老师一起进行了热烈的讨论。

同学:老师,您在介绍“光弱报信器”电路时曾说过,光电器件品种繁多,我想问您,什么样的器件属于光电器件?它有哪些类别和产品呢?
老师:广义地说,能够把光能转换成电能,以及把电能转换成光能的电子器件,统称为光电器件。在电子技术领域中,广泛使用的是半导体光电器件,利用它们把光信号转换成电信号或把电信号转换成光信号。半导体光电器件大体上可以分成这样几大类:(1)导电性能随光照强弱而改变的光电导器件,如光敏电阻、光电二极管、光电三极管等。(2)在光照下可以产生电动势的光生伏特器件,如硅光电池、硒光电池等。(3)通过电流时可以发光的半导体发光器件,如发光二极管等。(4)利用光作中间媒介耦合电信号的光电耦合器件。
同学:光敏电阻和普通电阻有什么不同?它有哪些主要特性呢?
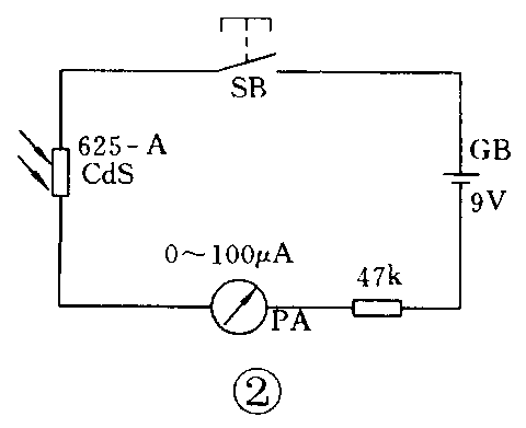
老师:常用的碳膜电阻和金属膜电阻,受到光照时,阻值不会发生变化。光敏电阻就不同啦!它对光的变化非常敏感,在光的照射下,阻值会明显变小,所以叫它光电导器件。光的变化可以从光敏电阻阻值的变化上反映出来。请大家看这块示教板(图2),我先用手遮住光敏电阻,按下按钮开关SB,大家看电流表指针不动;再让光敏电阻见光,电流表指针偏转了;用手电筒照射光敏电阻,请注意,电流表指针偏转幅度更大了。这个演示直观地展现了光敏电阻的光电导特性,也是测量光线强弱的照度计的工作原理。制作光敏电阻的半导体材料有硅、锗、硫化镉、硫化铅、锑化铟等。常用的对可见光敏感的是硫化镉光敏电阻。例如,国产625-A型硫化镉光敏电阻,有光照时电阻值可以小于50kΩ,无光照时电阻值可大到50MΩ;625-B型硫化镉光敏电阻,有光照时电阻值小于500kΩ,无光照时电阻值大于5MΩ。对红光敏感的是硫化铅光敏电阻。用来对红外光进行探测的是锑化铟光敏电阻。

光敏电阻的结构(图3)很简单,它是在陶瓷基片上淀积一层光敏半导体,再接上两根引出电极制成的。它的外壳上有玻璃窗口或透镜,使光线能入射到光敏半导体薄层上。

同学:什么是光电二极管?它是怎样把光信号转换成电信号的?
老师:光电二极管和普通二极管一样,也是由一个PN结组成的半导体器件,也具有单方向导电特性。但是,在电路中不是用它作整流元件,而是通过它把光信号转换成电信号。那么,它是怎样把光信号转换成电信号的呢?大家知道,普通二极管(PN结)在反向电压作用下处于截止状态,只能流过微弱的反向电流。光电二极管在设计和制作时尽量使PN结的面积相对较大,以便接收入射光(几种光电二极管的外形见图4)。光电二极管是在反向电压下工作的,没有光照时,反向电流极其微弱(一般小于0.01μA),叫暗电流;有光照时,反向电流迅速增大到几十微安,称为光电流。光的强度越大,反向电流也越大。光的变化引起光电二极管光电流的变化,这就可以把光信号转换成电信号,成为光电传感器件。

同学:那么为什么管它叫光电导器件呢?
老师:从光电二极管在反向偏置时的导电性能来看,它在无光照时呈现的反向电阻高达4MΩ,可在有光照时,一下子会降到1kΩ到几百欧,所以跟光敏电阻一样属于光电导器件。
同学:光电二极管的型号、品种很多,请问老师,根据什么来选用光电二极管呢?
老师:选用光电二极管除了考虑管子本身的最高工作电压(反向)、暗电流、光电流等参数外,必须注意到它的“光谱特性”。光电二极管和人的眼睛有相似的地方。同学们都知道,白光是由红、橙、黄、绿、青、蓝、紫合成的复色光。人眼可以看见的光叫可见光,可见光的波长范围为0.4~0.7μm(微米),低于0.4μm波长的光叫紫外光,高于0.7μm波长的光叫红外光,属于不可见光。不同型号的光电二极管对光的接收也是有选择的,常用的硅光电二极管,对波长低于0.4μm和高于1.1μm的光几乎不能接收。所以,0.4~1.1μm是它接收光的光谱范围。其中对0.9μm波长的光接收灵敏度最高,这个波长叫峰值波长。因此,它不仅适应可见光,对红外光也很敏感,也可作为红外线接收管。
同学:光电三极管和光电二极管在性能上有哪些不同呢?

老师:光电三极管(图5)和光电二极管一样,也是光电导器件。光电三极管是NPN结构,但它的管芯基区面积做得较大,发射区面积做得较小,入射光主要被基区吸收,并产生基极电流,根据三极管的电流放大作用,其集电极电流是基极电流的β倍。由于它充分利用了三极管的电流放大,光电流可以达到0.4~4mA(光电二极管的光电流仅为几十微安),因此光电三极管具有更高的灵敏度。
老师:发光二极管(图6)也是由一个PN结组成的半导体器件,同样具有单方向导电特性。给发光二极管外加正向电压时,它也处于导通状态,当正向电流流过管芯时,却将电能转换成了光能(图7)。发光二极管的发光颜色主要决定于制作管子的材料以及掺入杂质的种类。常用的有发红光的磷砷化镓发光二极管,发黄色光的碳化镓发光二极管,发绿光的磷化镓发光二极管。还有能发出红外光的砷化镓和砷铝化镓发光二极管。
同学:发光二极管为什么都要串联一只电阻呢?
老师:串联的电阻叫限流电阻。发光二极管和普通二极管不同的地方是在导通时的正向压降UF比较大,一般为1.5~2.5V(普通硅二极管约为0.7V)。发光二极管的工作电流IF一般为10~40mA。为了保证发光二极管在电源电压U的作用下管子的工作电流不超过额定值,需要串联一只限流电阻R,R的阻值可由下式算出
R=(U-U\(_{F}\))/IF
同学:有一种LED数码管,它与发光二极管有什么关系呢?

老师:LED数码管是多个发光二极管的组合,它是把磷砷化镓或磷化镓发光二极管的管芯做成条状,用七条条状的发光二极管组成七段式的数码显示管(图8),就可以在计数器中显示0~9十个数字。这种数码管体积小、耗电省、寿命长、响应速度快、显示清晰,应用十分广泛。
同学:什么是硅光电池?它的主要特性是什么?

老师:硅光电池是一种直接把光能转换成电能的半导体器件。它的结构很简单,核心部分是一个大面积的PN结(图9)。大家可以自己做一个简单的实验,把一只透明玻璃外壳的点接触型二极管与一块微安表接成闭合回路,当二极管的管芯(PN结)受到光照时,你就会看到微安表的表针发生偏转,显示出回路里有电流,这个现象称为光生伏特效应。硅光电池的PN结面积要比二极管的PN结大得多,所以受到光照时产生的电动势和电流也大得多。例如,国产2CR型硅光电池在100mW/cm\(^{2}\)的入射光强下,开路电压(需用高内阻的直流毫伏计测量)为450~600mV,短路电流为16~30mA,转换效率为6%~12%。
同学:硅光电池的受光面为什么是蓝色的?硅光电池可以串联和并联吗?
老师:为了减少光线在硅光电池表面的反射,在它的表面还蒸有一层一氧化硅抗反射膜,可以使反射系数由30%~39%下降到7%,提高了转换效率。上面谈到单片硅光电池的开路电压(电动势)为450~600mV,当要求较高的电压时,可以把单片电池串联起来使用。单片硅光电池的短路电流为16~30mA,当要求输出较大电流时,可以把单片电池并联起来使用。
同学:您讲到光电器件分类的时候提到了光电耦合器,这是一种什么样的光电器件呢?

老师:在电子电路中,人们把半导体发光器件(如发光二极管)和光敏器件(如光电二极管、光电三极管)组合封装在一起,成为一种“电-光-电”的器件(图10),这就是光电耦合器。当我们给输入端的发光器件输入一个电信号,则发光器件发光,光被输出端的光接收器件接收又转换成电信号。由于输入、输出之间是用光进行耦合,所以输出端对输入端没有反馈,具有优良的隔离性能和抗干扰性能,并可作为光电开关器件,代替继电器或脉冲变压器,应用相当广泛。(宋东生)

