此实验器是通过一位计数器电路与相应的脉冲发生器电路组合而成,具有电路新颖、制作容易、调试简单等优点,下面分两部分进行介绍。
一、一位数加、减计数电路
1.主要元器件简介
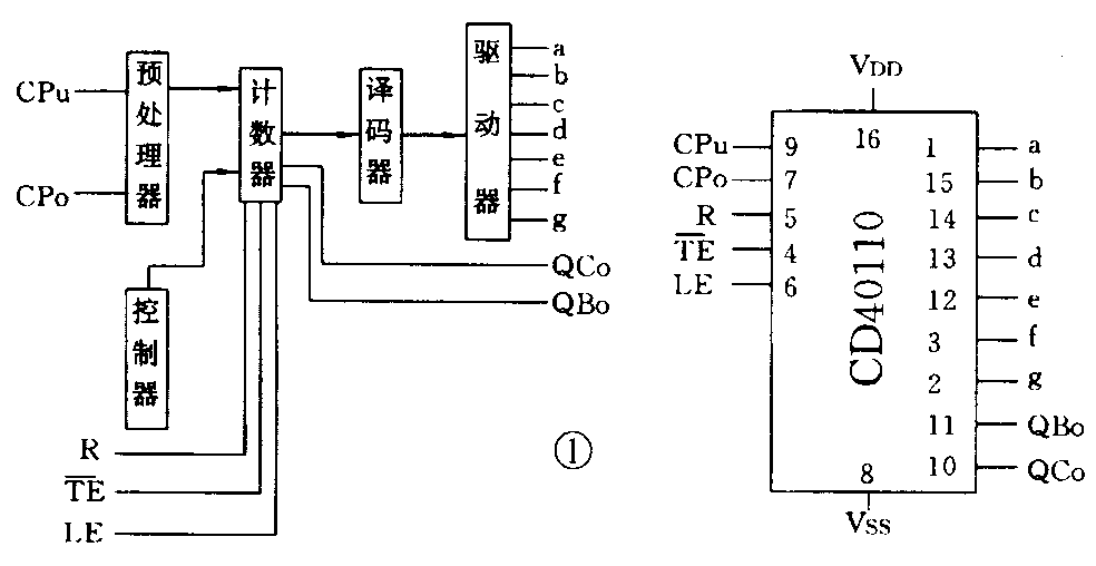
(1)CD40110计数集成电路
运用该电路能完成十进制的加法、减法、进位、借位等计数功能,并能直接驱动小型七段LED数码管,其逻辑功能见图1。R为清零端,R=1时,计数器复位,CP为时钟端(CP\(_{U}\)为加法计数时钟,CPo为减法计数时钟),QC\(_{o}\)输出进位脉冲,QBo输出借位脉冲,TE-为触发器使能端,TE-=0时,计数器工作,TE-=1时,计数器处于禁止状态,LE为锁有控制端。

(2)MTS3101AR七段数码管
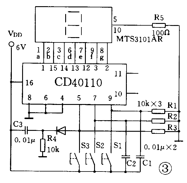
此器件为小型LED共阴极数码,CD40110与它配套使用可直接驱动显示,其外形及管脚排列及等效电路见图2。

2.一位数加、减计数电路工作原理简介

图3为一位数计数器的电路图。按S1加法计算,S2减法计算,S3复位,本电路为十进制加、减计数器,逢十时自QC\(_{o}\)端输出进位脉冲,送至下一个相同计数器CPu端(9脚)将继续累加(即为十位数),将QC\(_{o}\)与下一位的7脚相连,将可做减法借位运算,以此类推可组成个、十、百……位计数器,组成多位计数器或体育竞赛计分牌。
二、数显电子点将、反应测试、多功能实验器
1.工作原理
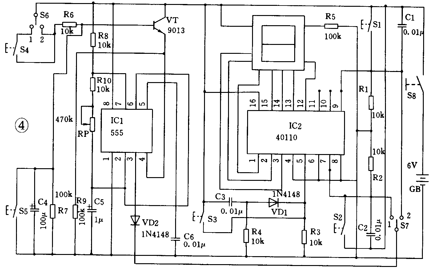
图4是电原理图。由555电路组成脉冲发生器,3脚V\(_{o}\) 端输出连续脉冲加至CD40110加法或减法输入端,调整RP,可改变脉冲速度。

由VT及电阻R2、R3、C3组成启动延时电路,当S6置1,S7置1,按下S4,计数器开始作快速0至9循环显示,如将S7置2,循环显示将变为9至0。当C3通过R3放电后,VT截止,555电路4脚为0,电路停止振荡,无正脉冲输出,数码管将随机停在某个数字上,点将数码产生。当S6置2、S7置1,电路将自动进行0至9快速数字循环显示(RP可调速),操作者利用手眼配合,适时按下S5将达到停显在指定的某个数。此时作品即为反应能力测试器。
2.元器件选择与制作
VT为9013或9014(β>80),S1~S5为小型按钮开关,S6~S8为小型三脚拨动开关,电阻R均为1/8W。
建议IC1、IC2配置8脚及16脚IC插座。全部焊接完成后,在接通电源前,用万用表Ω×100挡,测量整机正反向电阻(MF50万用表测试,参考值为正向电阻600~800Ω,反向电阻为5~10kΩ)若无短路现象即可进行接电源试验,注意电源电压如低于4.5V,555振荡电路将停止工作。
接通电源,将S6置1,S7置1,按下S4数秒,如数码管按一定速度,作0至9循环显示即可,停显后,可检查1位计数器工作情况。如无循环显示,需检查555脉冲振荡电路,测试各脚电压参考值为:8脚6V,4脚4V左右,2、6脚1.7V左右,7脚5V左右,5脚3.8V左右,1脚为零,如各脚电压正常,3脚应有脉冲输出,用万用表直流电压10V挡或示波器观察,发现哪部分有故障,请仔细检查各器件焊点,焊接前需注意元器件的筛选与测试。其它各功能的检测请自行完成。(龚翔鹤)