SOP封装的固态继电器PS7200A-1A(1页)
应用领域:测试设备、高频信号隔离传输、信号电平转换等。
主要特点:输入端是GaAs LED,输出端是光控MOSFET,输出电容低,典型值3pF;导通速度高(t\(_{on}\)典型值0.01ms),可传输脉冲信号;绝缘电压高(BV=1500Vrms);关态漏电流小。
主要工作参数:LED工作电流2~20mA(典型值为10mA),关断LED的工作电压0~0.5V。MOSFET的击穿电压40V;连续工作电流100mA。
封装形式:4脚SOP封装,引脚见附图。

生产厂商:日本NEC公司(www.cel.com)。
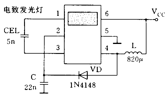
小型电致发光(EL)驱动器TK6591×(17页)
应用领域:用作LCD背光照明。主要用于便携式装置,如蜂窝电话、寻呼机、LCD模块、仪器仪表、消费类电子设备等。
主要特点:根据不同的频率要求选择不同的型号(后缀×从0~9共10种,频率从175Hz~400Hz);外围元件少;输入电压范围2 7~6V(典型值为3.6V),输出驱动电压为50~90V,可驱动极电容为3.5~12.5nF的电致发光灯(约1~2平方英寸);输出电压峰-峰值取决于输入电压与温度;输出电压可调;噪声小;PWM控制方法;固定输出频率经激光校准处理。
封装形式:6脚SOT23封装。
应用电路:典型应用电路如附图所示。

生产厂商:日本TOKO公司(www.ictoko.com)。
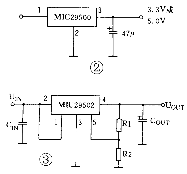
大电流低压差线性稳压器MIC29500系列(7页)
应用领域:电池供电的电子产品、高效率“绿色”计算机系统、汽车电子、高效线性电源等。
主要特点:输出电流大,最大输出可达5A;压差低,在全负载时最大值为600mV;低地电流;精度高,保证允差为1%;极快的响应;电池接反保护;该系列3引脚、两种5引脚封装的品种,功能不同,供用户选择;有3.3V、5.0V固定电压输出的,也有输出电压可调整的品种;工作温度范围-40℃-+125℃。
选购指南:MIC29500系列有10个品种,如下表所示:

注:1.Enable为使能端,高电平有效(>2.4V),低电平时关断电源(<0.8V);
2.Flag为故障信号输出端(输出电压下降到大于5%后),输出是集电极开漏结构,要加上拉电阻,有故障时输出低电平。
3.Adj为输出调整端,输出电压与外接电阻R1、R2有关,U\(_{0}\)=1.24[1+(R1/R2)]。
封装形式:TO-220-3(MIC29500),TO-220-5(MIC29501、MIC29502、MIC29503)及TO-263-5(MIC25901、MIC29502、MIC29503)。各种封装管脚排列如图1所示。

应用电路:3引脚的典型应用电路如图2所示,可调输出的典型应用电路如图3所示。

生产厂商:美国MICREL公司(www.micrel.com)。
代理商:格磊科技公司,联系电话:(021)64956484、(010)68518822