随着生活水平的提高,家庭影院逐步进入了百姓家庭,传统的两声道立体声音响装置也由多声道立体声音响代替。为了满足这种要求,各半导体器件厂家开发出各种多声道AV中心的集成电路,与微控制器(μC)结合能组成功能强、性能好、电路简单、操作方便的AV放大器。本文介绍一种多声道AV前置控制器PT2320,这是我国台湾普诚公司2000年3月推出的新产品,供产品开发者及发烧友参考。
PT2320简介
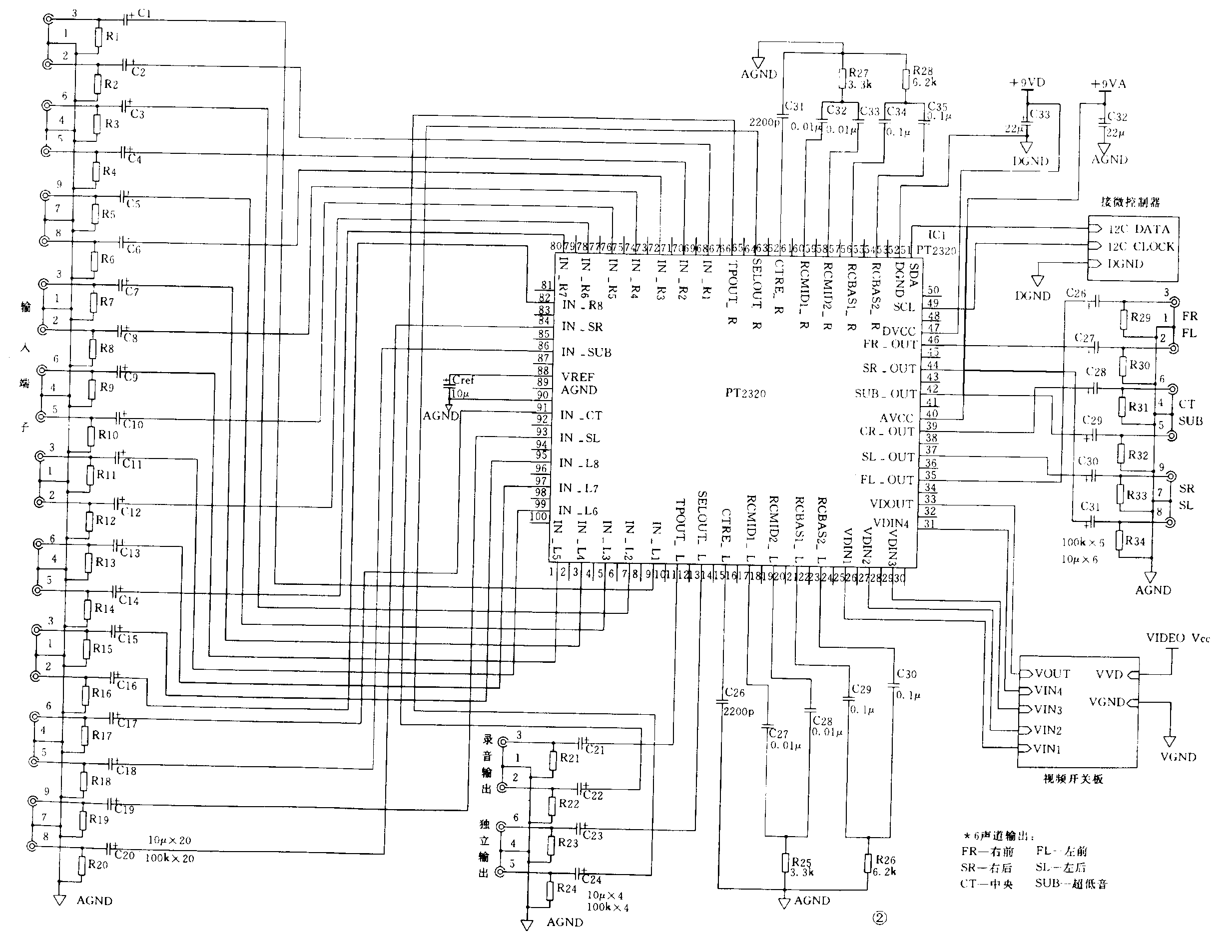
TP2320是专门为满足现代多声道AV前置控制功能新设计的专用集成电路。该器件除有8组立体声音频输入选择器、4组视频选择器、6声道主音量控制、6声道各自独立的音量微调控制及高、中、低音三段音调控制器外,还有录音输出、静音功能、3D音效开关等功能,可以说这是目前功能较齐全的一种AV前置控制器。它的内部结构框图及管脚如图1所示。

该器件主要特点有:采用CMOS工艺制造,耗电较低,工作电流典型值为30mA;工作电压范围宽,5~12V,典型工作电压为9V;由微控制器对器件控制,采用I\(^{2}\)C总线接口,仅两条线(SDA及SCL),每个指令均为8位;内部有7组立体声输入选择及4组视频输入选择;1组6声道输入;音量控制器为6声道同时升或降控制(0~-79dB,每步为1dB)及每声道独立的音量微调控制,微调范围为0~-15dB(每步为1dB);前左、前右两声道具备高、中、低三段音调控制,每段±14dB(每步2dB),并可配合内部的3D音效功能,自行设计软件组成预置均衡器;失真率低,THD≤0.007%(1kHz,U\(_{IN}\)=200mVrms);信噪比高,典型值大于98dB(A加权);声道分离度高,典型值为107dB;外围元件极少,制作容易;采用贴片式QFP100封装。
该器件主要用于新一代6声道AV中心,另外也可用于有源音箱、机顶盒及多声道音响等。
应用电路

图2为应用PT2320组成的6声道前置处理电路图。该电路除输入端子与输出端了外,由SDA(51脚)、SCL(49脚)与微控制器连接(见右上方小方块连接板);由VDIN1~VDIN4(25、27、29、31脚)接视频开关板(右下方方块)。外围元件极少,电路简洁。
另外,它还有录音输出(TAPE OUT)及独立的左右声道输出(SEL OUT)。
若需要更详的资料可与普诚科技股份有限公司联系:
网址:www.princeton.com.tw。内地代理联系电话:深圳(0755) 2324056、(0755)2182573,上海(021)63900311。(言者)