触摸开关与传统的机械开关相比,有以下优点:没有活动零件,不会磨损,寿命长,使用时静默无声。
通过触摸方式实现开关动作的方法主要有两种:一种是电导式,即利用操作者手指的皮肤电阻使开关电路工作。另一种是感应式,可分为被动感应式和主动感应式。所谓被动感应式,即利用操作者手指捡拾到的杂散射频信号、音频信号或民用电网哼声(50Hz交流声)触发开关电路工作;所谓主动感应式,则是应用振荡电路提供高频感应信号,通过操作者的手指电容使开关工作。下面介绍几种触摸开关电路。
一、电导式触摸开关电路

工作原理如图1所示。A、B是制成双接点形式的触摸电极。静态(人手指未触及电极A和B)时,由电阻R1,使CMOS非门1输入为低电平,输出为高电平。当人的手指同时触及电极A和B时,相当于接入一个等效电阻(阻值一般小于2MΩ)。由于CMOS非门的输入电阻高达10\(^{9}\)Ω以上,比人手指的皮肤电阻大得多,此时非门1输入为高电平,输出为低电平。因此,每触及双接点触摸电极A和B一次,门1将会输出一个脉冲下降沿。
这种触摸开关电路的优点是使用元件少,电路简洁,微功耗;对电源要求不苛刻。缺点是皮肤电阻的阻值会随人手的干湿程度、粗糙程度而有较大的变化。试验中发现,老人使用时,这种简易触摸开关的可靠性难以达到100%。
改进措施:(1)适当增大A、B两电极的面积,减小两电极间距,尽量缩短与电极的连线长度;(2)在触点B和正电源间反向接入一个开关二极管1N4148,箝位可能输入的静态高电压。由于二极管反偏,不致影响电路正常动作。
二、被动感应式触摸开关电路

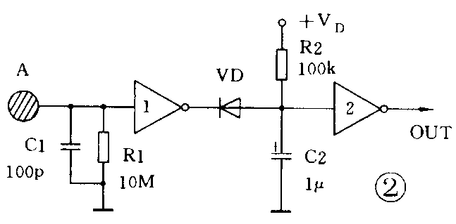
例1:工作原理如图2所示。金属片A是触摸电极,门1和门2是CMOS或TTL非门。静态(未触及金属点A)时,电阻R1使门1输入端为低电平,引起输出端为高电平,开关二极管VD反偏,电容C2充电到电源电压V\(_{D}\),结果门2输出低电平。当人手触及A时,50Hz的感应信号传输到门1的输入端,它的输出端从幅值VD降到地电位,使VD正偏,C2通过VD放电,门2输入端变为低电平,输出端变为高电平。其中,C1用来消除50Hz以上的频率干扰。显然,用手触及A片一次,门2就输出一个正脉冲。
这种电路的优点是原理清晰;触摸电极尺寸不限;感应50Hz干扰信号的灵敏度相当高;输出的正脉冲上升没很陡,脉宽毫秒级;电路微功耗。存在的主要问题是一旦电流电网停电会使电路失效。
改进措施:采用简易不间断电源。即由一个二极管隔离两套直流电源,一套是电池组,另一套由交流电网经变压、整流和稳压而得到的稳压电源。同时加装一个金属接点B,连至正电源端,以备电池工作时,可利用人体手指电阻,使用双金属接点形式的触摸电极进行触发。为了抗静态高压,可在A点和正电源端反接二极管。

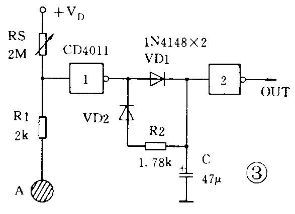
例2:工作原理如图3所示。静态时,2M电阻RS使非门1输入为高电平,非门2输出OUT也为高电平。当手触摸A时,交流感应信号输入到非门1,其输出的高低交替变化电压经二极管VD1给电容C充电,当充到非门2输入端为高电平时,非门2反相输出OUT变为低电平。当人手离开A点,则电容C上的高电平经R2、VD2及导通的非门1放电至低电平,此时,输出OUT端重新回到高电平,完成了一个负脉冲的输出。
这一电路优点是结构简单明了,感应50Hz干扰信号的灵敏度相当高。电阻RS可权作灵敏度调节用。
三、主动感应式触摸开关电路

工作原理如图4所示。金属片A是单个触摸电极,IC1是施密特触发器。IC1a和电阻R1以及电容C1组成2kHz方波振荡器。静态时(未触及金属片A),加有偏压并工作于线性区的IC1b,将经电容C2和C3耦合过来的高频或音频信号放大,又经二极管VD给电容C4充电,IC1c作为电平检测器,其输出保持为低电平。当手指触及金属片A时,由于电容C2和手指电容的分压作用,会使IC1b输入端的实际信号幅度严重衰减,引起IC1b停止放大,保持输出为低电平,二极管VD截止,电容C4通过电阻R3放电,IC1c输出状态变为高电平。因此,每当手指触及A点一次,即由IC1c输出一个正脉冲。其中,调节C2的容值可以获得一个最佳的灵敏度(成功率>90%)。电容C3可避免因感应交流声而导致IC1b的误触发。
这一电路优点是不依靠交流电源的哼声来启动,故电路可用电池单独供电,对小范围人群能保证灵敏度;电路设计构思巧妙。只是电路稍显复杂;静态功耗I\(_{0}\)=0.4mA,VD=取+5V,故不易处于常供电状态;金属片A与电源正端不能加反偏二极管,否则会旁路高频信号,使电路失效。
改进措施:IC1a为核心的振荡器可驱动几路开关;触摸电极A的安装位置应远离高压以防高压破坏。(李文石 汤荣生 蒋志明)