自动洗衣机程控器是以单片机IC为控制中心,配以蜂鸣、按键输入、显示、负载驱动等外围电路构成的。单片机IC多为4位机和8位机,常用的型号有MCS-48系列、Z8系列、COM-87系列等。自动洗衣机出现的不少故障是由程控器工作不正常引起的,而这些不正常因素多发生在单片机IC的外围电路。本文介绍IC外围主要电路,即复位电路、时基电路、振荡电路及蜂鸣电路的结构和检修,供大家在检修自动洗衣机时参考。
1.复位电路
复位电路的作用是在单片机IC接入电源而输入电压过低时,或电源有间断时,将中央处理器CPU复位及各标志置于初始状态,使IC处于初始化时序,从而使洗衣机处于开机时的标准程序状态,以防止工作程序混乱。
复位电路接于IC复位(RESET-)端。当复位端输入低电平时,IC复位。在洗衣机电路中,普遍采用的是加电时向电容充电,使IC复位端产生一个足够长时间的、低于触发电压3.8V的低电平,即复位的有效信号,使IC复位。电容充电完成后,复位端上升为3.8V的高电平,复位操作结束,IC进入正常工作状态。

图1所示为一个加电复位电路,大多数洗衣机都采用这种复位电路。采用这种复位电路的单片机IC,在RESET-端的内部有一个200kΩ的上拉电阻,因此在RESET-端和地之间跨接一个1μF的电解电容(有的洗衣机还并联一个电阻)。在电路加电时,通过200kΩ电阻向电容充电,RESET-端产生一个低于3.8V的低电平,使IC内所有电路复位。

图2为新乐XQB40-1型自动洗衣机的复位电路,设在直流电源电路中,C4为复位用电容。洗衣机加电后,经变压、整流、滤波后的+14V电压,经R1和R2分压后加到三极管VT1的基极,VT1导通,+5V电压经VT1的集-射极送至IC的RESET-端,由于复位电容C4的存在,使RESET-端有一段时间为低电平。因此,RESET-端达到3.8V电压的时间比IC的电源端得到+5V电压的时间要延迟约10ms,使单片机复位。

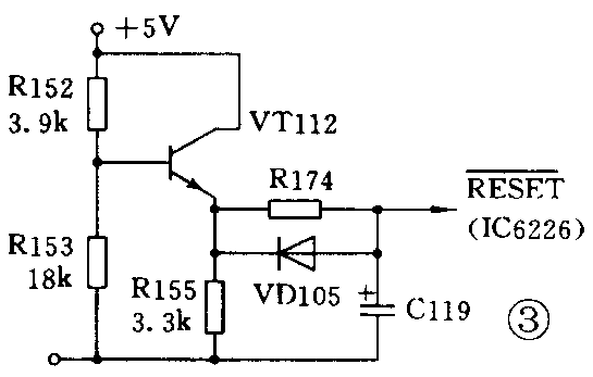
图3是合肥三洋XQB50-68、88型自动洗衣机的复位电路。程控器加电后,+5V电压经R152和R153分压后加至VT112的基极使VT112导通,+5V电压经VT112和电阻R174限流后加至IC的RESET-端,由于+5V电压要先对电容C119充电,使RESET-端一段时间维持低电平,使IC复位。图中VD105为钳位二极管,防止因某种原因使ICRESET-端电压超过5.7V而损坏单片机IC。

有的洗衣机复位电路如图4所示。程控器加电后,+5V电压首先向复位电容C充电,使RESET-端得到低电平信号使IC复位。充电结束后,RESET-端得到高电平信号,复位结束。
当复位电路不正常而使IC得不到正常的低电平复位信号而不复位时,洗衣机程序操作板上的指示灯都不亮,按压任何按钮均无效,洗衣机不能工作,有的洗衣机的蜂鸣器将长鸣不停。此时,用万用表测量IC的RESET-端电压应大于3.8V。如果无电压,应检查直流电源电路是否有+5V输出,电路印制板是否有裂痕,IC及元件管脚是否有虚焊等。如果有电压值但电压值大于3.8V,应检查复位电容及复位电路上的其它元件,还应检查与复位电路有关的电路,如以单片机复位为手段的欠压、过流保护电路。如果这些检查都正常,那么故障在单片机IC上。如果RESET-端电压正常,则应重点检查IC的振荡电路。
洗衣机工作中反跳回标准洗涤程序。这种故障多为复位电路故障所致,依具体电路结构,一般有3种原因:一是复位电路有故障;二是可能是使IC复位的欠压、过流保护电路有故障;三是直流电源电路有故障,可能因输出电压过于不稳定而使IC复位。运行中ICRESET-端得到低电平信号,IC置于复位状态,切断负载驱动电路,运行停止。当RESET-端上升至3.8V以上时,洗衣机显示出标准洗涤程序。
2.时基电路
时基电路(同步脉冲电路)的作用是:一方面定时向单片机IC提供一个定时的基准信号,使IC按照严格的周期定时工作;一方面使输出的控制脉冲与电网交流电同相位,以实现对可控硅的过零触发。由此可知,时基信号必须取自电网,一般取自电网交流电经变压后的交流电或变压整流后的脉动直流电。时基电路接于IC的To端。

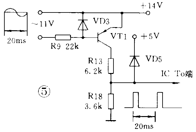
图5为水仙XQB30-11型自动洗衣机的时基电路。电网交流电经自耦变压器输出50Hz交流11V电压,经R9限流加至三极管VT1基极,在正半周时VT1导通,负半周时VT1截止。VT1导通时,+14V电压经R13和R18分压,给IC的T\(_{o}\)端输入一个幅度为5V周期为20ms的正脉冲。在IC中,利用To端的可测试性,在To端输入为高电平时,通过转移程序指令JTO(汇编语言)转跳计时。电路中,VD3在交流信号输入负半周时导通,防止较高的反偏电压加在VT1的发射结上,对其起保护作用。VD5为钳位二极管,防止To端的电压高于5.7V时,损坏单片机IC。

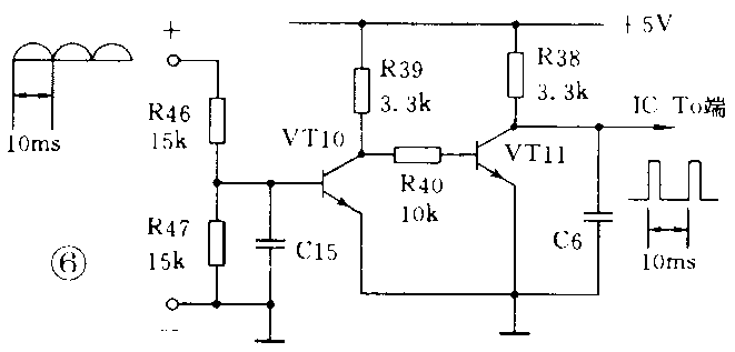
图6是友谊XQB36-3型自动洗衣机的时基电路。时基信号取自220V交流电经变压整流后的+12V 100Hz脉动电压加到VT10基极,该电压达到0.7V时,VT10饱和导通,其集电极输出电压0.2V左右,VT11截止,+5V电压经R38加到IC的T\(_{o}\)端。当VT10基极电压小于0.7V时, VT10截止而VT11导通,VT11集电极输出0.2V电压给To端。这样在IC的T\(_{o}\)端得到一个周期为10ms的脉冲信号。

图7为爱德自动洗衣机上的时基电路。220V交流电经变压后为低压交流电。在低压交流电的正半周和负半周内,二极管VD1和VD2交替导通,经R2限流后加至三极管VT2基极。当VT2导通时,其集电极对IC的T\(_{o}\)端输出为低电平,当VT2截止时,其集电极对IC的To端输出为高电平。这样,时基电路对IC的To端输入一个与电网交流电同步的100Hz脉冲信号。
时基电路正常时,测定IC的To端,应为高电平(约3.6V),在洗衣机通电期间始终为高电平,这样洗衣机程序才能转移,才能进入相应的服务于程序。如果时基电路出现故障,IC失去了计时基准,程序就不能继续下去,洗衣机不能运行。具体故障表现是,接通电源,指示灯显示正常,按压启动按钮后,标准洗涤时间指示灯闪亮一次,但是蜂鸣器不响,洗衣机不进水,再按任何按钮都无反应。或按程序选择按钮,显示正常,但是蜂鸣器不响,再按任何按钮都无反应。
时基电路的故障一般是因元器件损坏、管脚虚焊等所致。应对时基电路的二极管、三极管、电阻和电容等进行检测,如果没有发现问题,说明时基电路正常,那么是IC出了故障。
3.振荡电路
振荡电路(时钟电路)的作用是产生微处理器的时钟信号,提供微处理器完成各种操作的计时基准。振荡电路实际上由单片机IC内的时钟振荡器和外接振荡电路组成。IC内振荡器是一个高增益并联振荡电路,频率范围1~11MHz。IC的XTAL①脚是其输入,而XTAL②脚为输出。在洗衣机上应用的外接振荡电路有图8、图9所示的两种。

图8为石英晶体振荡电路,B为石英谐振器,其频率为4~6MHz,有的电路还并联有电阻。
图9为LC振荡电路,频率为3~6MHz。
晶体和电感通过XTAL①、XTAL②脚给IC内时钟振荡器提供时钟参考频率、正反馈和振荡所必须的相移条件,使内部振荡电路产生微处理器所需要的时钟信号。
振荡电路不正常引起的洗衣机故障现象和复位电路相同。单片机加电后,可以使用示波器测量和检查管脚,看单片机振荡电路是否启振,时钟波形是否为单一频率的正弦波;也可以用万用表检查XTAL①、XTAL②脚的电压,应为2V以上。如不正常,应检查外接的晶体或电感、电容,可用替换法检查。如外接件都正常,则IC有故障。
4.蜂鸣电路
蜂鸣电路是一种振荡电路。当需要蜂鸣时,由单片机IC输出3kHz左右的矩形脉冲信号,驱动蜂鸣电路上的三极管,使直流电压间断地加在蜂鸣器上,蜂鸣器产生机械振动而发声。

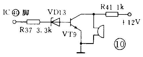
图10为友谊XQB36-3型自动洗衣机的蜂鸣电路。通常IC为高电平,使稳压二极管VD13和三极管VT9截止,它激式压电陶瓷片的蜂鸣器得不到交变电压,不能产生振动而不发声。当需要蜂鸣时,IC输出3kHz的矩形脉冲,使VD13和VT9按脉冲频率间断地导通和截止,+12V电压间断地加在蜂鸣器上,压电陶瓷片因产生机械振动而发声。

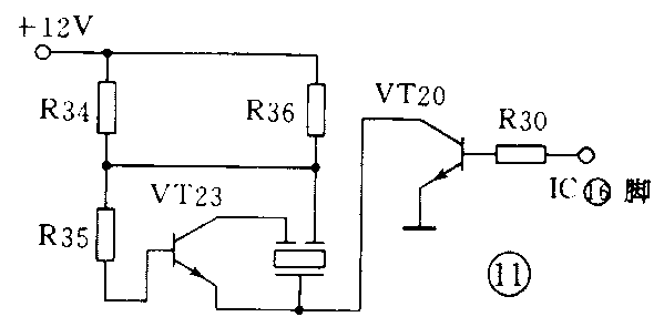
图11为水仙XQB30-23型自动洗衣机的蜂鸣电路。当洗衣机要蜂鸣时,IC脚输出高电平的脉冲信号,使三极管VT20及VT23间断的饱和导通和截止,由此压电蜂鸣器得到交变电压而产生谐振,发生蜂鸣声。

图12为水仙XQB30-11型自动洗衣机的蜂鸣电路,IC3脚为蜂鸣器驱动脉冲输出端。蜂鸣时,脚由低电平转为高电平脉冲,经R17限流后加至反相动器IC2的⑦脚,经倒相后由⑩脚输出。洗衣机加电后,+14V电压经R5和R6作用在VT2的基极上,根据IC3脚输出的脉冲变化,VT2将以同频率导通和截止,使不稳定的+14V电压间断地加到压电蜂鸣器两端,蜂鸣器因产生振动而发声。
如果洗衣机程序运转正常,只是在按压程序选择按钮和程序终了时,蜂鸣器不响,故障可能在蜂鸣电路、蜂鸣器电源电路或单片机IC。可首先检查蜂鸣电路的蜂鸣器、三极管、电阻等。洗衣机加电后,检查蜂鸣器两端是否有+12V(或+14V)左右的电压,如无电压,则应检查变压整流后通住蜂鸣器的电路。如上述检查都正常,则故障在IC。加电后,检查IC对蜂鸣电路的输出端,在按压按钮时,万用表的指针是否摆动,示波器上是否有矩形脉冲输出,即可判定IC是否正常。(周德林)