大家知道,不同的光源照射在物体上它显示的颜色是不一样的,例如,室内物体在白炽灯照射下颜色偏红,在日光灯照射下颜色偏蓝,这是因为上述两种光源光谱不同的缘故,光源上述特性可用绝对黑体的热辐射K表示;TK=(t+273)℃。如果光源发出光的颜色与黑体在某一温度下辐射的光颜色相同,黑体这一温度称作黑体光源颜色的温度,简称色温。光源色温高低直接影响白平衡,而白平衡正确与否是再现彩色图像的前提。如果被摄某一标准白色特体在彩色监视器屏幕上显示正常的白色时,我们说摄像机获得了白平衡,当白平衡不良时,拍摄后的彩色图像不能正确再现,为了获得正确的白平衡,广播专业摄像机通常在光学透镜前插入滤色片进行色温转换,而家用摄录一体机一般都采用自动白平衡调整电路。
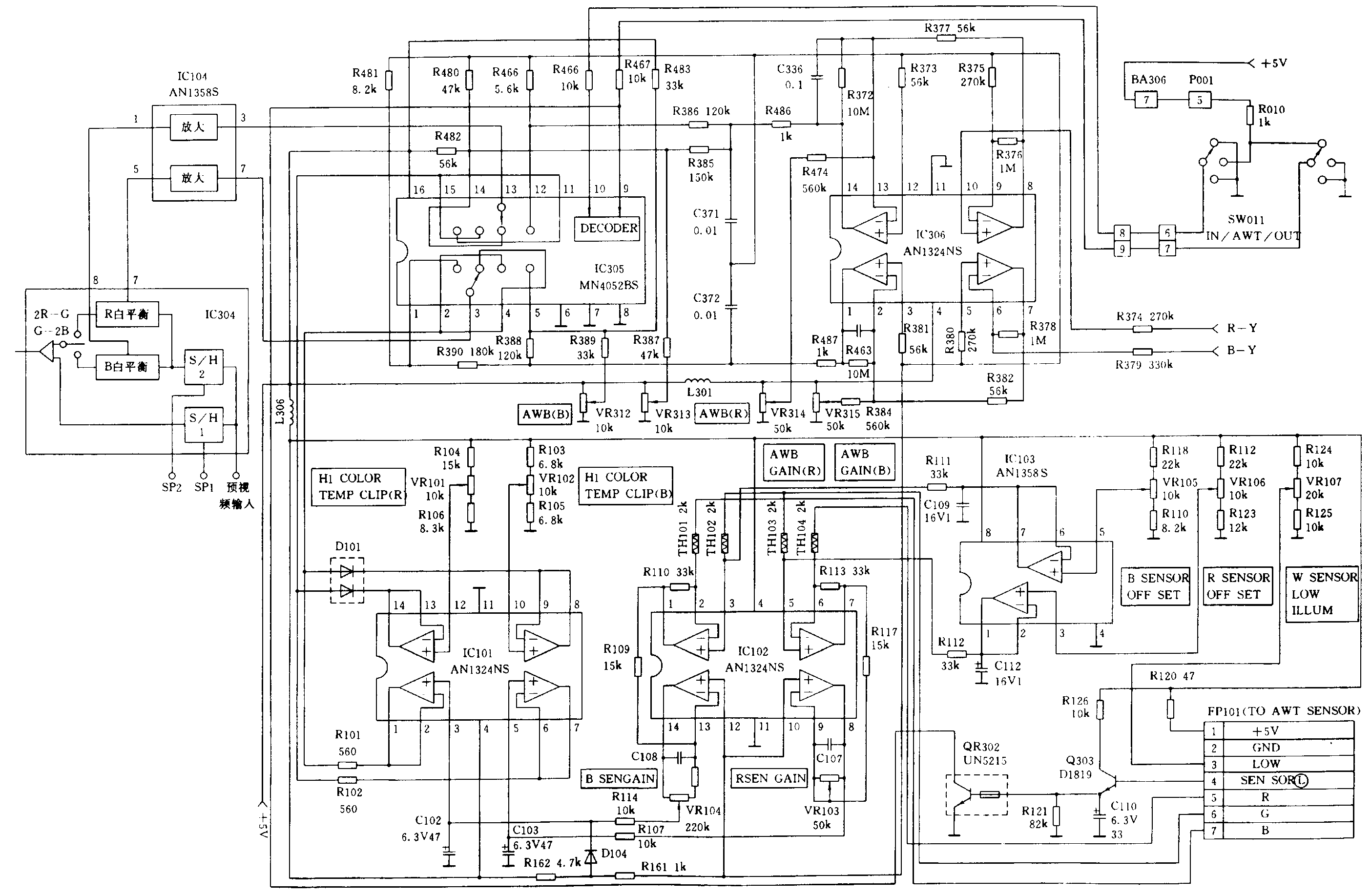
NV-M8000摄录一体机自动白平衡调整电路主要由AWT SEN SOR(自动白平衡传感器)IC102/AN1324NS(白平衡检测、色差产生及例相)、IC103/AN1358S(色温预置)、IC101/AN1324NS(电压跟随及色温钳位)、IC306/AN1324NS(色差放大及室内色温预置)和IC305/MN4052BS(白平衡方式选择)等电路组成,见附图。

NV-M8000摄录一体机自动白平衡调整设有自动和预置两种状态,而预置状态又设室内和室外两种方式,白平衡方式选择是通过安装在摄像机操作面板上的白平衡方式选择开关SW011控制IC305来实现。IC305内部带有两个4通道模拟开关(可等效一个双刀4掷转换开关),其中①、⑤、②、④脚和、、脚为信号输入端③脚和脚为输出端,⑨、⑩脚为地址译码输入端,地址译码控制与通道选择关系如附表所示。下面介绍其工作原理;

1.自动白平衡(AUTO)调整及跟踪过程
接通电源开关,卸下镜头盖,将摄像机操作面板上的白平衡方式选择开关置于AUTO位置,IC305内部两组电子开关脚和脚、③脚和②脚分别接通,将摄像头对准白色物体,安装在摄像头左前方的白平衡传感检测器件AWT SENSOR从光源中检测出R、G、B光信号,从而检测出光源的色温并将其转换成直流电压。为了扩大传感器的动态检测范围,传感器内部设有对数放大器,检测变换后的直流电压经对数放大器放大后分别经接插件FP101⑤、⑥、⑦脚输出比R、G、B对数电压,然后送往IC102进行色差放大和倒相。IC102/AN1324NS是一只四合一运算放大器,由于NV-M8000摄录一体机自动白平衡检测控制电路以绿色G信号通道为基准,然后通过调整R、B通道增益实现白平衡。接插件FP101⑥脚输出的G信号同时加到IC102③、⑤脚,FP101的⑤、⑦脚输出的R、B信号分别加到IC102⑥、②脚。同时IC102⑤脚和③脚还加入从IC103①、⑦脚输出的R、B通道检测预置电压,IC103⑤、③脚分别通过微调电阻VR105(B)、VR106(R)将色温预置在3200K。R、G、B对数电压经IC102内部两路运算放大器产生色差信号,然后分别从IC102①、⑦脚输出,经电阻R109、R117送到IC102脚和⑨脚进行倒相放大。IC102⑩脚和脚接基准电压,⑧脚和⑨脚、脚和接反馈微调电阻VR103(R)和VH104(B),调节VR103、VR104便可调节R、B通道电压增益。两路信号经倒相放大产生R-G和G-B控制电压分别从IC102⑧脚和输出,通过R107、R114送到IC101⑤脚和③脚进行电压跟随放大,放大后的信号从①脚、⑦脚输出,再经R101、R102送到白平衡方式选择集成块IC305②脚和脚。IC101脚和⑩脚外接微调电阻VR101(R)和VR102(B)将最高色温预置在5800K,当检测光源色温超过此值时,IC101①、⑦脚输出的R-G、G-B控制电压被二极管D101钳位,使得IC305②脚和脚输入的R-G、G-B控制电压不再上升,经内部两级电子开关后分别从③脚和脚输出,再经IC104放大后送到IC304内部控制R、B白平衡增益,使得拍摄白色物体时色差信号输出为零。
当光源照度低时,白平衡传感器输出经接插件FP101④脚输出高电平,经Q303缓冲放大后由发射极输出高电平信号加到QR302基极使其饱和导通,其集电极输出低电平加到IC305⑨脚,当IC305⑨脚、⑩脚均为低电平时,经内部译码识别后电路自动切换到室内状态,这时由VR314(R)和VR315(B)将色温预调到室内状态。
2.室内(IN ROOM)状态
将摄像机操作面板上的白平衡方式选择开关置于室内位置,IC305⑨、⑩脚输入均为低电平,其内部两组电子开关脚和脚、①脚和③脚分别接通,自动白平衡检测控制信号被切断。室内状态白平衡色差放大和色温预置控制主要由IC306担任,IC306/AN1324NS内部4只运算放大器③、⑤、⑨和脚接基准电压。当室内光源色温发生变化时,由信号处理和编码电路Q314、Q315发射极输出的R-Y和B-Y两个色差信号也跟着变化,此信号分别加到IC306⑩脚和⑥脚,放大后从⑧、⑦脚输出,经电阻R377、R382送到IC306脚和②脚。IC306脚和②脚还分别外接微调电阻VR314(R)和VR315(B),并将色温预置在3200K,R-Y信号经比较放大后从IC306输出,通过电阻R486、R386送到IC305脚。B-Y信号经比较放大后从IC306①脚输出,通过电阻R487、R390送到IC305①脚,经内部电子开关后R-Y和B-Y控制信号分别从脚和③脚输出,再经IC104放大后送到IC304内部控制E、B白平衡,使得色差信号输出为零。
3.室外(OUT ROOM)状态
将摄像机操作面板上的白平衡方式选择开关置于室外位置,IC305⑨脚输入低电平,⑩脚输入高电平,其内部两组电子开关和脚、⑤脚和③脚分别接通,微调电阻VR313(R)和VR312(B)将色温预置在5600K,并通过电阻R387和R389直接送到IC305和⑤脚,经内部电子开关后分别从脚和③脚输出,再经IC104放大后送到IC304内部控制R、B白平衡,使得色差信号输出为零。
下面介绍故障检修实例。
例1.故障现象:插入带盒,将摄像机操作面板上白平衡方式选择开关置于AUTO位置拍摄室外景物,几分钟后倒回原处并弹出带盒拿到录像机上重放,监视器屏幕上图像彩色偏蓝,有时晃动机器又能自动恢复正常。
分析与检修:用交流适配器将摄像机与监视器连接好,取一盒图像质量好的录像带插入摄像机带仓重放,监视器屏幕上彩色图像和伴音信号均为正常,弹出带盒,将摄像头对准室外景物,监视器屏幕上图像彩色偏蓝,将白平衡方式选择开关置于室外位置,上述故障现象仍然存在,将白平衡方式选择开关置于室内位置并将摄像头对准室内某一物体,屏幕上图像彩色恢复正常,说明故障存在白平衡方式选择控制电路中。拆开机器左右两边机壳,卸下摄像头方形屏蔽罩,将白平衡方式选择开关置于AUTO位置,用500型万用表检查安装在VEP23063B印制板上IC305⑨、⑩脚输入的控制电压,发现⑨脚无电压,正常值应为高电平4.4V,用万用表检查白平衡方式选择开关SW011,接触正常,顺着电路检查发现摄像操作控制印制板接插件P001⑥、⑨和脚焊脚均存在虚焊,因此造成IC305⑨、⑩脚均为低电平而处于室内色温预置状态,于是出现上述故障现象。重新焊好虚焊插脚后装好屏蔽罩及外壳,机器工作恢复正常。
例2.故障现象:将白平衡方式选择开关置于AUTO位置拍摄室外景物,几分钟后倒回原处并弹出带盒拿到录像机上重放,监视器屏幕上图像彩色偏红。
分析与检修:上述现象估计是该机白平衡检测控制电路工作失常所引起的,用交流适配器将摄像机与监视器连接好,将摄像头对准室外景物,观察监视器屏幕上图像彩色偏红,将白平衡方式选择开关置于室内位置,屏幕上的图像彩色恢复正常,说明故障存在自动白平衡检测控制电路中。拆开机器左右两边机壳,卸下摄像头方形屏蔽罩,将白平衡方式选择开关置于AUTO位置,取一黑色布条包住白平衡检测器件(AWT SENSOR),用万用表检查集成块IC102各脚对地电压,发现⑤脚电压为1.55V,正常值应为1.65V。检查集成块IC103各脚对地电压,发现①、②和③脚电压均为0V,正常值①、②脚为1.8V、③脚为1.7V。检查⑧脚(V\(_{CC}\))4.8V电压正常,说明IC103红色色温预置电路工作不正常,拔下电源插头,用万用表检查IC103各脚在路对地电阻,发现③脚对地电阻为零,正常值红表笔测为5.8kΩ、黑表笔测为11kΩ。从电路上焊下电容C114/0.1μ检查发现已短路损坏。更换电容C114后装好方形屏蔽罩和外壳,机器工作恢复正常。(黄福森)