随着电脑在社会上的用途越来越广泛,电视多媒体已成为新需求。随着多媒体资讯的发展,大量的经济信息,娱乐资讯,教育节目在网上传播交换,人们希望通过当今家庭最主要的信息来源——电视,将多媒体的资讯引入家庭。如果用普通的小显示器,根本满足不了多人观看的要求,如果用一个大屏幕显示器,价格太贵,不是普通家庭所能接受的。为此,国内一些骨干彩电企业现已开发出一种大屏幕彩电,既能当显示器用,又能当电视看,价钱又比较便宜。本文在讲述这种彩电应具备哪些功能条件后,才能作为电脑显示器用的前提下,介绍其中的接口电路,包括电路组成与信号处理过程。
一、普通彩电能作为电脑显示器用吗?
电视机主要用于接收广播电视信号,而电脑显示器用于显示经电脑主机加工处理后输出的字符及图像,两者均属于图像显示设备。虽然两者从大体上看,在外形、扫描、视频信号处理、CRT显示等电路比较相近,但在技术要求上有着很大的差异,其主要表现在以下3点:
①对图像分辨率等级上要求不同。目前,在我国电视标准下,彩色电视机的图像水平分辨率规定≥350线,图像垂直分辨率≥450线。而电脑显示器由于电脑技术的迅速发展和主机不断地更新换代,促使显示技术不断跟进,尤其是彩显的分辨率有很大的提高。80年代的PC机刚推出时所用的彩色显示器的分辨率是320×200的中分辨率(CGA彩显)、随着电脑图形处理技术的发展,又推出了640×350的高分辨率(EGA彩显),随后又推出了640×480分辨率的VGA彩显,目前又有一些公司又研制出1024×768分辨率的SVGA彩显和1280×1024分辨率的TVGA彩显。由此可见,电脑显示器显示图像的分辨力高于彩电,只有经过对视频数字化处理提高了清晰度的彩电,才可能达到640×480的VGA分辨率水平。
②扫描频率的差异。彩电按我国电视标准,行扫描频率为15.625kHz、场扫描频率为50Hz,且行、场扫描频率均为单一的。而电脑显示器的行扫描频率、随着图像分辨率的提高而升高,同时还考虑到新的显示方式要能向下兼容旧的显示方式,这样便产生了能适应多种行扫描频率的电脑显示器。如CGA显示方式的行扫描频率为单频的15.7kHz与电视标准基本相同。EGA显示方式行扫描频率提高到21.85kHz,且能适应两种行扫描频率(15.7kHz和21.85kHz)的彩显,即为双频同步扫描显示器。VGA显示方式行扫描频率为31.7kHz,场扫描频率也有所提高。TVGA显示方式已高过48kHz。另外,电脑显示器的屏幕越大,要求行扫描频率也相应越高,目前世界上一些发达地区,彩色显示器由14英寸扩展到24英寸,其行频也高达120kHz,由此可见电脑显示器的行扫描频率远高于彩色电视机。只有经过倍频扫描数字处理的彩电,才有可能用做VGA彩显。
③图像稳定性要求不同。彩色电视机在接收活动图像时,图像显示内容造成的像素晃动程度较大,因而对一些细小的干扰会被掩盖,但对电脑显示器来说,它的每屏显示内容都是相对静止的,因而对画面像素的细小晃动,用户都能觉察出来。
通过图像分辨率,行扫描频率和图像稳定性,可以看出电脑显示器和彩电的差别,将彩色电视机直接用于电脑显器是不行的,不能满足电脑在显示上的技术要求。要使彩电用作VGA显示,除了在彩电中将视频扩频以及扫描频率提高外,还要在设计和生产工艺上严格要求,减少电路上的细小干扰和提高稳定性,使之改进成为既能电脑显示,又能当电视看的新型彩色电视机。
二、彩电与电脑VGA显示接口电路
多媒彩电除在硬件上要基本满足VGA显示方式的技术要求外,还要在彩电中设置VGA显示处理的接口电路。因为电脑输出的行、场同步信号,有时是正脉冲的同步信号,有时是负脉冲的同步信号,无法同步。因而需要一个转换电路,这样不管VGA输出什么极性的同步信号,都能保证送入彩电的VGA行、场同步信号是正极性。同时,由于VGA显示有逐行扫描和隔行扫描两种不同的模式,因而在彩电的接口电路要设置VGA显示不同模式的处理电路。另外在接口电路中还要对输入的标准VGA行、场同步信号为整机CPU提供识别信号,以显示VGA的输入状态,否则电视机将转为TV状况。下面以创维5001机心系列彩电中的VGA显示处理的接口电路为例,分析该电路的组成与信号处理过程。
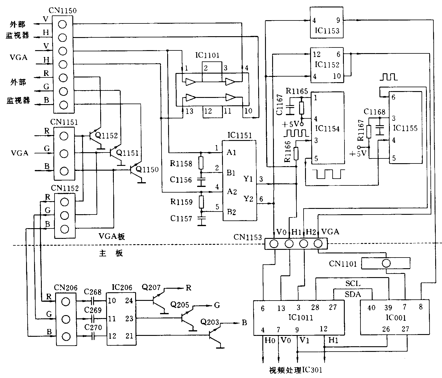
1.VGA显示处理的接口电路组成
该机的VGA显示处理接口电路由9块IC组成。其中的6块IC属于专用电路,安装在VGA专用印制板上,另外3块是相关电路的IC,安装在主板上。安装在VGA板上的电路有:IC1101(74HC04)用作外部监视器行、场同步处理:IC1151(TC74HC86)用作内部VGA行、场同步处理:IC1152(TC74HC4538)用作VGA识别;IC1153(TC74HC4538)用作保护控制;IC1154(TC74HC74)和IC1155(TC74HC4538)组成行同步转换电路;变VGA逐行为隔行扫描。安装在主板上的电路有:IC206(TDA4780)用作RGB信号处理电路;IC1011(74HC157)是把电视机本身的行、场同步信号和VGA行、场同步信号在此IC内进行切换;IC001(Q83C652)微处理器(CPU)。其VGA电路的组成及各IC之间的关系和工作过程如附图所示。

2.电路工作过程
在附图中,由电脑输入的标准VGA信号为RGB三基色模拟信号和行、场同步信号。此信号经接插件转接后,把其中的三基色输入到VGA板上的接插件CN1151后分为两路:一路经CN1152→CN206进入主板,分别经C268、C269、C270耦合进入RGB基色信号处理电路IC206(TDA4780)⑩、、脚,经TDA4780处理后,由输出,再分别经Q207、Q205、Q203射随器缓冲后,送至视放电路还原出VGA的显示。由于RGB信号没有经过特别的处理,这一路信号不作说明。从CN1151输入的RGB信号,另一路分别经Q1150、Q1151、Q1152射随器缓冲后,从CN1150把三基色信号送到外部监视器。
标准VGA信号中的行、场同步脉冲,从CN1150输入到VGA板后各分为两路:一路送到IC1101(74HC04)内,74HC04是一块CMOS低功耗的六非门逻辑集成电路。当从①脚输入的V同步信号为高电平时,②脚会输出一个低电平脉冲,③脚和②脚连在一起,相当于③脚输入一个低电平脉冲,④脚会输出一个高电平脉冲,此时①脚与④脚脉冲都是高电平,相当于一样。从脚输入的H同步信号脉冲与V同步脉冲在74HC04内的处理原理相同,同样在⑩脚得到与脚同极性的脉冲。从IC1101④、⑩脚输出的行、场同步信号经CN1150输出供外部监视器用。从CN1150输入的VGA行、场同步信号的另一路送到VGA行、场同步转换电路IC1151(TC74HC86),转换成该机所需的行场同步信号。由于不同的计算机在不同的程序和模式下输出的同步头是不一样的,而该机电路只需要正脉冲的同步信号,对负脉冲的同步信号无法同步,而IC1151可以将VGA信号输出负脉冲转换为正脉冲的同步信号。TC74HC86是一块CMOS低功耗的异或门电路。所谓的异或门逻辑,就本电路而言,当输入的信号A和B相同时,(都为高电平“1”或都为低电平“0”),这时输出脚Y将会输出一个低电平或“0”;当输入的信号A和B不同时,其输出脚Y输出高电平或“1”。在附图中,VGA的行脉冲加至IC1151①脚,再通过R1158和C1156加到②脚上;VGA的场脉冲加至IC1151④脚,再通过R1159、C1157加到⑤脚。在TC74HC86块内进行A、B电平比较、逻辑判断,从输出端③、⑥脚输出正极性同步脉冲;当输入负极性的同步信号,IC1151输出的为倒相的负极性同步信号(即已转变为正极性),从而保证不管VGA输出的什么极性的同步信号、都保证送入该机的VGA行、场同步信号都保持为正极性。从IC1151③、⑥脚输出的正极性行、场同步脉冲信号,分为三路:一路送到VGA识别、保护电路,另一路将行同步脉冲信号送到行同步转换电路,还有一路接到接插件CN1153的H1、V0端,再进入主板进行VGA/TV切换。
该机的VGA可显示在不同的模式下,即逐行扫描或隔行扫描,IC1151是处理VGA正常显示所需的同步信号,即为逐行扫描方式。IC1154和IC1155组成的行同步转换电路、将标准VGA的行同步脉冲31.250kHz转换成15.625kHz(即两行选一行,实现VGA的隔行扫描),此处理过后的信号再送往数字视频IPQ板进行倍频,从而实现该机VGA的两种显示模式。图中,由IC1151③脚输出的VGA行脉冲(31.250kHz),经R1166加到IC1154(TC74HC74)③脚,在IC1154①、④脚始终为高电位时(图中+5V电压加至④脚,再经R1165加至①脚),当③脚输入第一个正的行频脉冲时其IC1154⑤脚会输出一个低电平,IC被触发,保持这个状态;当第二次行同步的正脉冲到来时,⑤脚输出为高电平、并保持不变;第三个脉冲来时,⑤脚又输出为低电平,如此重复下去,也就是IC1154③脚输入的是正脉冲信号,⑤脚输出的方波信号。该方波信号直接加到IC1155(TC74HC4538)④脚。而TC74HC4538是一块双CMOS可清除的单稳态触发多谐式振荡器,在IC1155③、⑤脚始终接高电平时(图中+5V电压加到⑤脚,再经R1167加至③脚)。当IC1155④脚输入一个正的上沿信号、⑥脚会输出一个正脉冲,下沿信号时不触发,⑥脚保持低电平,再下一个方波正脉冲信号时,才会有下一个脉冲输出。IC1154与IC1155组合起来、将VGA的31.25kHz行脉冲转为普通接收机的隔行扫描15.625kHz。从IC1155⑥脚输出又经CN1153的H2端送至数字视频处理电路。
图中IC1152(TC74HC4538)完成VGA信号的识别。当IC1152④、脚输入一个标准VGA行、场同步信号时,⑥、⑩脚将会同时输出高电平信号,此高电平信号通过CN1153→CN1101到主板上的主控微处理器IC001⑦脚,CPU将此电平作为有无VGA信号的依据。
IC1153(TC74HC4538)完成VGA的输入保护功能。当IC1153④脚输入一个标准的VGA行同步信号,其⑨脚将会输出一个低电平,去控制IC001⑧脚,使CPU显示为VGA的输入状态。当IC1153④脚无行同步脉冲输入或不正常的行同步脉冲输入时,其⑨脚将会输出高电平,去控制IC001⑧脚,使CPU退出VGA显示状态,转入TV状态。
从CN1153的V0、H1、H2脚输出的VGA行场脉冲(V0、H1)和隔行扫描输出的行频脉冲(H2)进入主板的VGA同步信号和TV/AV同步信号的转换电路IC1011(TC74HC157)的⑥、、③脚,在I2C总线(SDA,SCL)的控制下,进行切换。从脚输出VGA或TV的31.25kHz行同步脉冲,⑨脚输出VGA场同步脉冲(50Hz或100Hz),这两种同步脉冲信号一路送往微处理器IC001,用于字符的行、场定位;另一路送往扫描板上的IC301进行可编程行场偏转处理。从IC1011⑦脚和④脚输出的50Hz或60Hz场同步脉冲和15.625kHz行同步脉冲,送入数字视频处理板,进行倍频处理。(王锡胜)