利用电解电容器充电及放电特性,可以组成整流后的平滑滤波器,与时基电路及电阻等组成单稳态触发电路、延时电路、定时电路等。如果你对电解电容器的充放电不太了解,可以用一个简单的电路做一个充电及放电实验,如图1所示(采用面包板来搭最方便)。

充放电实验
实验开始前S1、S2都断开。充电时,合上S1,电池通过R1向电容器C充电,如果用万用表电压挡测电容上的电压,你会发现不一会儿电容器上的电压与电池电压相等,说明充电完毕。
打开S1,合上S2,则电容器通过电阻R2、发光二极管VD放电,放电过程中VD由亮变暗,然后熄灭。
在面包板上做实验时,可以用两根硬接线来代替开关S1及S2。R1、R2是充放电的限流电阻。如果用1000μF电容器代替100μF电容器,则充放电时间更长(可从VD亮的时间更长来说明)。
电解电容器的漏电流
充电后的电容器上的电压能长时间保存吗?不能。这是因为电容器两极间不是绝对绝缘的,因此存在一些漏电流I,其等效电路如图2所示。

在图1中充好电的电容器,断开开关S1及S2,经过1小时后再用电压表测电容器上电压(应采用数字式电压表或输入阻抗高的指针式电压表),你会发现电容器上的电压已较刚充完电的电压小很多,这就是漏电流造成的。
电解电容的漏电流I与电容器的标称电容量C\(_{R}\)及额定电压UR有关,它们的关系为I=kC\(_{R}\)UR(μA)式中k为系数,与材料与工艺因素有关,一般k=0.01~0.05。C\(_{R}\)单位为μF,UR单位为V。各电容器厂给出不同型号的k值。
要注意的是按上述公式计算的值与实际电容器的漏电流I并不相等(按公式计算出的值是极限值,实际值比计算值小)。另外,长期不用的电解电容器它的漏电流会增加,可以用加电压(额定电压)老化来减小漏电流(24小时以上),若在60℃加温老化可减少老化时间。
漏电流对定时电路的影响
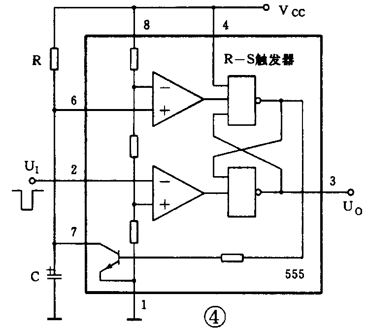
采用时基电路(如NE555)与少数阻容元件可以组成各种定时电路或延迟电路。由于它的定时或延迟时间与外接的电阻R及电容C相关,若要较长的定时或延迟,电容器往往采用容量较大的电解电容器,这时电解电容的漏电流会影响到定时精度,甚至影响到不能正常工作。这里举一个单稳态电路来说明。


图3左边是单稳态触发器电路。2脚为单稳态电路的触发端,在此端加一个低电平(接地)或输入一个负脉冲,则3脚立即输出高电平,VD亮,电路进入非稳态,内部晶体管截止,电容器C经R充电,当电容器上的电压达到2/3V\(_{CC}\)时,内部R-S触发器件使内部晶体管导通,电容器通过内部晶体管放电,3脚输出低电平(如图4所示),VD灭,非稳态结束。2脚,6、7脚及3脚的波形图如图3右边所示。单稳态的延迟时间t1和RC有关,即,
t1≈1.1RC(s)
式中R的单位为MΩ,C的单位为μF。
如果R用5.1MΩ(标称值),C用4.7μF(标称值),则按上公式计算
t1≈1.1×5.1×4.7≈26.4(s)
但按图3电路实验,单稳的延时时间为50s左右,相差较大,实测电阻R为5.25MΩ,电容器C为5.59μF,代入公式
t1≈1.1×5.25×5.59≈32.3(s)
为什么实测值代入还有较大的差别呢?这是由于电容器的漏电流造成的。电容器在充电的同时,它也在漏电;实际的充电电流是充电电流减去电容器的漏电流,因此造成单稳延时时间比计算要长。
如果想获得较大的延迟时间,采用R=10MΩ,C=100μF,按计算可达到18.3min左右的延迟时间,但实际上往往电容器的漏电流大于充电电流而使电路失效。例如,V\(_{CC}\)=6V,R=10MΩ时,则最大充电电流入IC=6V/10MΩ=0.6μA,当100μF的电解电容器的漏电流I大于0.6μA时,电容上的电压永远不会达到2/3V\(_{CC}\)而造成电路失效。
所以在设计用555时基电路组成的定时电路时要考虑到电解电容的漏电流。要采用优质铝电解电容或性能更好的钽电解电容。并且不要为达到长时间的定时或延时采用容量很大的电解电容,如1000~4700μF,因为漏电流I与它的容量成比例,往往会造成电路失效。
另外还要提出的是,电解电容器的电容量与温度有关,当环境温度变化时,它的电容量也会改变,影响定时精度。(方捷)