上期介绍了I型电路板。II型机的电路框图见图1。它由带背光的液晶显示屏、CPU、键盘及外围电路组成。其中CPU高放/中放/解码/电子音量/遥控接收均采用东芝公司为电调谐接收机专门设计的套装IC,套装IC具有功能配套能力强、协同工作时性能稳定等优点。由于是配套使用,整个电路的设计非常简洁。II型电路还有一个优点就是采用立体安装技术,两块主线路板平行安放,减少了所占的空间,便于使组合音响微型化。至于录放部分及功放则采用罗姆公司的专用芯片。本电路板具有简单的遥控功能,遥控接收已在主面板上面。

II型电路板的电源需要常通,主要是供时钟走时及自动控制开机、关机部分用电。由于在收音机部分停止工作时(按下轻触开关OFF)显示屏不亮,整机耗电低于1W,故在该极不工作时不必拔掉电源插头。
早期曾买过TC93071型及II型收扩音电路板的许多用户都曾多次提出,要加装遥控器。现已完成对I、II型板的遥控改装。II型板改装前的遥控发射板只有四个按键,不能满足一般要求。改装的原则是尽量少改动原电路板的结构,尽量少投资,在这种前提下所改装出来的电路图见图2及图3。


图2为遥控发射器电原理图,与上期介绍的原遥控器的电路图一样,只是加了4个按键,一共有8个按键,相对原遥控器多了上下选台键、波段选择键及睡眠键,其中上下选台键及波段转换键是比较有用的,在收音时便可遥控选台。TC9l48为一块东芝公司的具有3×6点阵扫描式按键的红外遥控发射芯片,理论上说共可以提供3×6=18个按键,只开发出8个按键是因为遥控解码芯片TC9l49的功能有限并受原电路的局限,为了不进行大改动,充分利用原有资源也只能设置8个按键了。
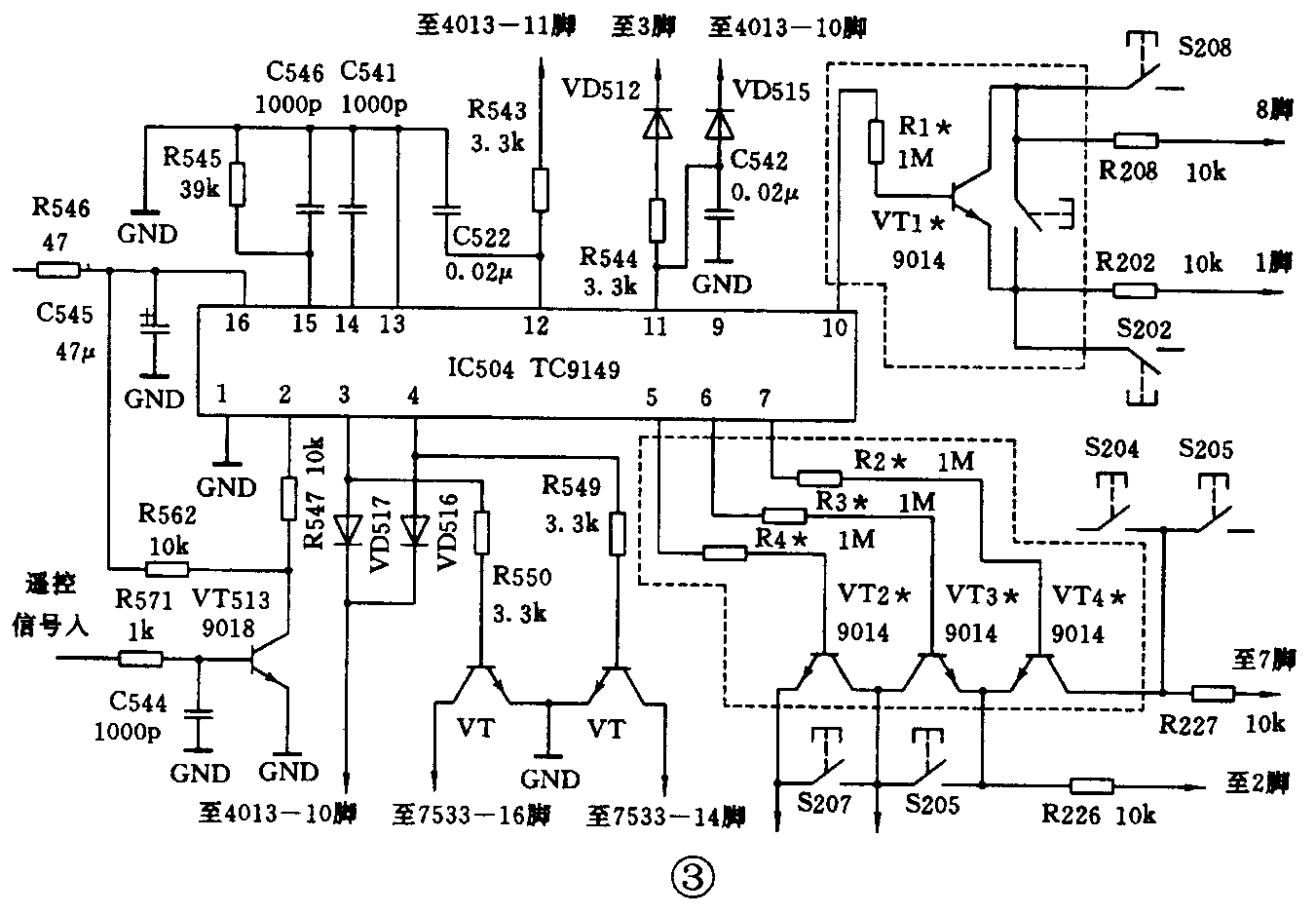
图3为遥控接收的改装方法。TC9l49是板上已有的,为了增加4个按键,便相应地用虚线框内的5个三极管,图中虚线框内的零件都是新加的,可以用搭焊的方法焊在IC的引脚上,原元件的标识及新元件的标识都已清楚地反映在图3对照图中,对照图中的改法一般无需调试便可成功。
解决自己改装的困难及麻烦,通途公司针对I、II型极原设计的不足,对尚未售出的收扩板全部改装并加上遥控器(含外壳,全新成品)后一起出售。图4为I型板接收解调部分电路图,图中的实线框中的元件可以从电路板中拆除,虚线为新增的连线。改装也非常简单,对早期已买了I型极而自己尚未改装的读者只需照图改装并购买遥控器成品即可。

II型板改装较I型极麻烦,具体方法是把电源板上的TC9149及其外围元件拆下,并装在一块电路板内,这块新装电路板放在液晶显示屏的上方,并用引线直接搭接在面板的按键上即可。(通途)