编者按:《无线电》今年第6期曾刊出DIY圆梦系列之一《LCD彩色液晶视频投影机的制作》,该制作项目在读者中引起了强烈的反响。为了开发出更多的适合爱好者动手做的项目,最近我们编辑部与丹东海华公司联系协商,决定联合推出一些适合爱好者制作、用于家庭的系列DIY项目。本期首先推出CD-9型速效治疗仪。该仪器是丹东海华公司研制生产的产品,已走进国内外百万个家庭,获中国消费者协会最高奖“消费者杯”,并通过ISO9002国际质量体系认证,通过加拿大等国进口许可证。对一些常见疾病和疑难杂症的治疗有显著效果,人民日报曾以“华夏的骄傲、人类的福音”整版报道过该企业和产品,中央电视台和国家卫生部曾选用此治疗仪为支援老区送医送药产品之一。我们和海华公司希望广大爱好者通过自己动手可以做出一套符合产品要求的物美价廉的速效治疗仪。在追求健康的今天,为自己、为家人、为朋友配上一名家庭电子“大夫”,那是多么惬意的事情啊!
为了使这一DIY活动广泛开展,我们和海华公司还将组织“创新奖”。创新奖的举办时间为2000年9月至2001年2月。参加方式是请爱好者将自己组装、使用海华治疗仪的经验、体会以及自己开发创新的内容(包括电路安装工艺的改进、使用功能和方法的拓新)写成文章,寄到编辑部,我们和海华公司将组织专家进行评奖。
奖励办法:一等奖:l名(奖金1000元);二等奖:3名(奖励消毒液发生器各1台);三等奖:10名(奖励便携式多功能治疗仪各1台)。
一、电路构成
CD-9型速效治疗仪整机电路可分为“音频信号发生器”、“功率放大器”、“升压输出电路”、“输出强度显示”及“电源变换电路”5个部分。
下面就各部分电路的组成及元器件的使用进行简要分析。
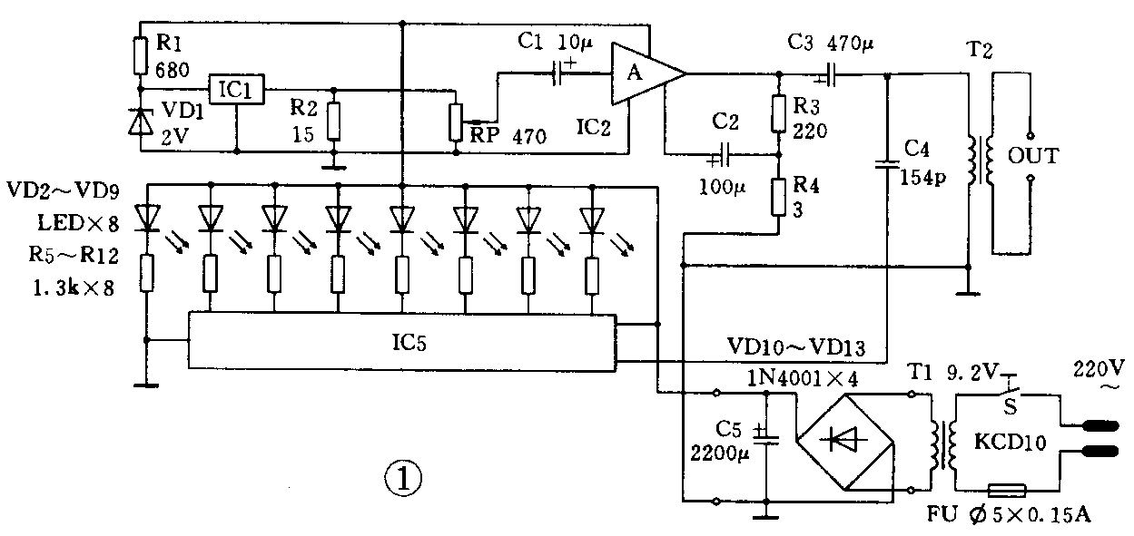
1.音频信号发生器 该电路(见图1)是由集成电路IC1、稳压二极管VD1及电阻R1组成。VD1与R1组成稳压电路为IC1提供2V直流电压;IC1接通电源后即可输出幅度为1V的音频脉冲信号(频率为500~8000Hz)。

2. 功率放大器 该电路是由功放集成电路IC2、电阻R2~R4、电位器RP、电解电容C1~C3组成。R1与RP的作用是调节放大器的输入信号电平;C1是耦合电容;R3、R4和C2负反馈电路,用来提高放大器的稳定性;C3是输出电容。
3.升压电路 该电路由升压变压器T2组成。
4.输出显示电路 该电路是由7段电平指示集成电路IC3、发光二极管VD3~VD9、电阻R6~R12及独石电容C4组成。R6~R12分别是D3~D9的限电阻,C4是耦合电容。
5.电源变换电路 该电路是由电源变压器T1、整流二极管VD10~VD13、电解电容C5、发光二极管VD2、电阻R5、电源开关S及保险丝FU组成。T1的作用是把220V交流电源变换成11V的交流电压;VD10~VD13组成桥式整流器,与滤波电容C4共同将llV的交流电压整流滤波成9.5V的直流电压。VD2和R5是电源工作指示电路;FU的作用是当电源及其负载出现短路时保护电源变压器。
二、工作原理
当整机接通电源后,接通开关S,电源变换器工作,为整机提供电源。音频信号发生器输出500~8000Hz的音频信号,经电平调节后送到功率放大器,经功放推动并经升压电路升压后输出。输出的音频脉冲信号通过治疗触头(内部装有由稀土钕铁硼制成的具有高强磁力的磁片)作用到人体的不同穴位上,即可达到防病、治病的功效。输出电平显示电路是配合电平调节电位器RP的,使用户能够直观地监视输出强度的大小。
三、技术指标
●输出波形:音频脉冲波
●输出频率:500~8000Hz
●输出电压:0~70Vp-p,最大小于100Vp-p
●负载电阻:500Ω
●输出功率:2.7W
●磁感应强度:0.l~0.3T
●电源:AC220V±10%,50Hz,DC9V 国外AC100~110V,50/60Hz
●耗电功率:约10W
●工作温度:5℃~40℃
●工作湿度:≤80%
●外形尺寸:178mm×136mm×55mm
●净重:660g
四、治疗触头
CD-9型速效治疗仪手持式治疗触头由香蕉插头、触头柄、电极片、磁片和螺旋软电线5部分组成(见图2)。

触头与速效治疗仪间的连接采用香蕉插头,在应用中,香蕉插头与螺旋软电线机械压接合后注塑成形。
触头柄采用橡胶材料注塑,表面应光滑洁亮,无毛刺,手感舒适。
电极片采用厚度为0.3mm不锈钢薄板一次冲压成形。由于触头在使用中需包裹纱布后沾水,应保证与触头柄间的配合,防止水从电极片与触头柄间渗入内部,锈蚀引线和磁片。
磁片采用钕铁硼稀土磁柱,其尺寸为直径12.5mm、厚度为3mm,磁片应镀铬以增加防腐蚀能力。磁感应强度为大于0.1T,最高不大于0.3T。
触头的引线部分是特制的螺旋软电线,为了增加引线的抗拉强度和抗折能力,在引线内导体合线时,加入纱线。
在触头组装时,首先应将螺旋软电线穿入触头柄中,并在距端约6.5cm打一个结,防止由于在使用中的拉扯造成断线。
将螺旋线的导体焊在电极片的侧边后,将磁片用胶粘在电极片上。首先应注意是,一定要先焊后粘,防止因加热引起磁片退磁;其次是应注意磁片的极性,保证触头表面的磁场一个为S极,另一个为N极,并在电极的中间位置。
组装完后应进行检查,检查的内容为通断性和磁感应强度。通断检查可用万用表欧姆挡测量香蕉插头与电极片之间的通断;磁感应强度测量应使用毫特斯拉计,将霍尔探头紧贴在触头电极片表面取最大值。(科峰)